Добавить в корзинуПозвонить
Найти в Дзене

Проект нашего дома мечты и его будущие доработки.

После утверждения основных моментов по дому, мы с мужем перерыли еще раз интернет, новых проектов не обнаружили и вернулись к старым, которые мы обсуждали. Сразу отсекли проекты с несущими столбами и сложными формами, некоторые отсеяли по габаритам и по внешнему виду. В итоге, предоставляю вашему вниманию проект дома мечты или гнездо, которое мы совьем к пенсии🤣. Это типовой проект, очень популярный, есть несколько модификаций: с гаражом, с камином, зеркальные варианты. Нам понравился такой: Размеры дома почти приблизились к квадрату 12,2 м2 × 12,6 м2. В нем мы решили убрать террасу под крышей дома. Она при строительстве выйдет очень дорого, а пользоваться сможем только в летнее время + лишняя дверь в доме, а это некрасиво и не очень практично в нашем климате. И гостиная станет больше на 11м2. Не будет углов снаружи, дом приобретет простую форму. Вот так уже лучше: Далее утопленную входную дверь выносим наружу до общего фасада дома. Получаем пару лишних квадратов прихожей, туалет не т

После утверждения основных моментов по дому, мы с мужем перерыли еще раз интернет, новых проектов не обнаружили и вернулись к старым, которые мы обсуждали. Сразу отсекли проекты с несущими столбами и сложными формами, некоторые отсеяли по габаритам и по внешнему виду. В итоге, предоставляю вашему вниманию проект дома мечты или гнездо, которое мы совьем к пенсии🤣.

Это типовой проект, очень популярный, есть несколько модификаций: с гаражом, с камином, зеркальные варианты.

Нам понравился такой:

Фото из открытого источника
Фото из открытого источника

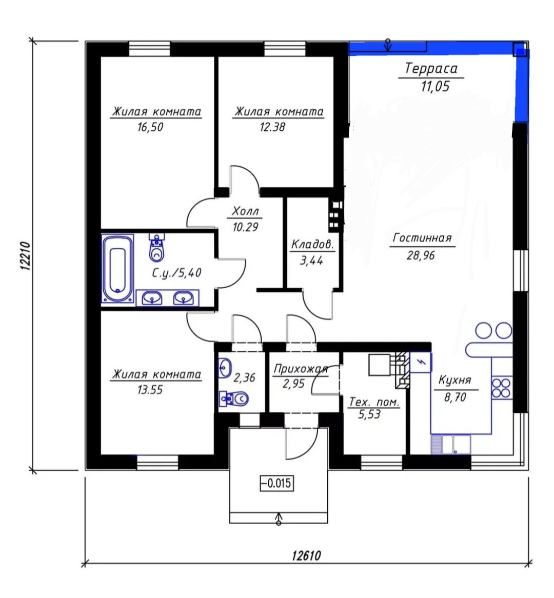
Размеры дома почти приблизились к квадрату 12,2 м2 × 12,6 м2. В нем мы решили убрать террасу под крышей дома. Она при строительстве выйдет очень дорого, а пользоваться сможем только в летнее время + лишняя дверь в доме, а это некрасиво и не очень практично в нашем климате. И гостиная станет больше на 11м2. Не будет углов снаружи, дом приобретет простую форму. Вот так уже лучше:

-2

Далее утопленную входную дверь выносим наружу до общего фасада дома. Получаем пару лишних квадратов прихожей, туалет не трогаем, его размер нас устраивает.

-3

Полностью убираем кладовку в центре дома, увеличиваем пространство, избавляемся от коридоров. Если потребуется зональность, то это можно решить мебелью.

-4

Закладываем угловое окно на кухне, оно нам не нравилось с самого начала.

-5

И вот то, что мы получаем: простой дом, вместительная прихожая с дверью в котельню, большая кухня-гостиная и среднего размера комнаты. Еще раз повторюсь, что нет хороших и плохих планировок, все дело вкуса, потребностей и возможностей. Как видите, изменений много, но они все несерьезные, кроме удаления кладовой. Тут нам нужен уже проект со всеми размерами, чтобы рассчитать длину несущей балки. Но это все впереди и скоро я об этом напишу.

Если смотреть полезную площадь дома, то расчеты таковы:

-6

После того, как добавили террасу и выдвинули входную дверь, получаем примерно 124м2 полезной площади.

-7

Ну как вам? Нормальная цифра? Для нас да! Больше нам и не надо, этот бы проект потянуть.

А вы смогли угадать, какой я проект выберу? Процесс разбора проектов был в этом видео, очень интересно, советую посмотреть тем, кто пропустил его или тем, кто планирует стройку.

Скоро вы унаете, почему мы выбрали типовой проект, а не заказали под себя, где и за сколько я купила этот, как он называется и как выглят фасады дома снаружи.

Самое интересное впереди!!!

Подписывайтесь на канал, чтобы ничего не пропустить!

#проектыдомов#проектыодноэтажныхдомов#проектдомацена#проектыдомовподключ#чертеждома#проектированиедомов