Добавить в корзинуПозвонить
Найти в Дзене
Горная солянка

Только эжекторные флотомашины

В одном из сообщений о пожаре на Озерном ГОКе отмечалось, что в мире не так много флотационных фабрик перерабатывающих полиметаллические руды в технологических схемах которых используются только эжекторные флотомашины типа Jameson cell. Сегодняшним постом мы хотим предоставить краткую информацию по двум таким обогатительным фабрикам. В период с 1993 по1996 год на обогатительной фабрике Philex Mining Corporation (Филиппины) впервые в мировой практике была реализована технологическая схема флотации медно-золотой руды, основанная исключительно на применении эжекторных флотомашин Jameson Cell. На фабрику поступали со средним содержанием меди 0,3% и золота 0,5 г/т. До 1993 года на фабрике использовались пневмомеханические и колонные флотомашины. В 1993 году в технологическом процессе были заменены пневмомеханические машины перечистной флотации на эжекторные Jameson Cell, что позволило повысить извлечение меди и золота в этой операции, а уже в период 1994-1996 годов на Jameson Cell были по

В одном из сообщений о пожаре на Озерном ГОКе отмечалось, что в мире не так много флотационных фабрик перерабатывающих полиметаллические руды в технологических схемах которых используются только эжекторные флотомашины типа Jameson cell. Сегодняшним постом мы хотим предоставить краткую информацию по двум таким обогатительным фабрикам.

В период с 1993 по1996 год на обогатительной фабрике Philex Mining Corporation (Филиппины) впервые в мировой практике была реализована технологическая схема флотации медно-золотой руды, основанная исключительно на применении эжекторных флотомашин Jameson Cell.

На фабрику поступали со средним содержанием меди 0,3% и золота 0,5 г/т. До 1993 года на фабрике использовались пневмомеханические и колонные флотомашины. В 1993 году в технологическом процессе были заменены пневмомеханические машины перечистной флотации на эжекторные Jameson Cell, что позволило повысить извлечение меди и золота в этой операции, а уже в период 1994-1996 годов на Jameson Cell были поэтапно заменены флотомашины основной и контрольной флотации фабрики - вся технологическая схема.

В результате замены Philex Mining Corporation пневмомеханических флотомашин на эжекторные на фабрике несколько повысилось общее извлечение меди и золота. При этом существенно снизилось энергопотребление (на 18%) и занимаемая площадь оборудования (на 60%).

Таким образом, опыт полученный Philex Mining Corporation наглядно продемонстрировал принципиальную возможность полной замены механических и колонных флотомашин на эжекторные с сохранением технологических показателей и существенным сокращением эксплуатационных расходов.

-2

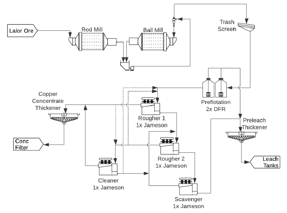
Новейшим проектом, где реализована концепция полностью эжекторной флотации, является участок флотации смонтированный и запущенный на фабрике New Britannia Mill в 2021 году. Эта фабрика перерабатывает медно-золотую руду месторождения Lalor с содержанием сульфидов до 10%. Изначально на этой фабрике перерабатывали золотосодержащие руды цианированием по методу CIP (уголь-в-пульпе). Новая технологическая схема фабрики реализована с применением флотации на четырех эжекторных флотомашинах Jameson Cell. Внедрение этих машин оказалось более чем достаточно, чтобы извлекать до 90% меди и 65% золота во флотационный медный концентрат и помимо прочего поднять эффективность цианирования.

Оба этих проекта показывают практическую возможность успешной реализации полной замены механических флотомашин на эжекторные, в том числе с улучшением технологических результатов. Несмотря на это, в каждом из них, в процессе запуска и дальнейшей эксплуатации, приходилось решать проблемы, связанные как с подачей питания, так и с устойчивостью процесса - регулированием уровней. Кроме того, на фабрике New Britannia Mill для удаления талька из процесса рассматривается вопрос возможности возврата в схему операции предварительной флотации в машинах DFR (Реактор Прямой Флотации) перед машинами Jameson cell. Учитывая эту информацию, а ещё тот факт, что нам удалось найти упоминание всего лишь о двух проектах где используются только эжекторные флотомашины (и это без малого за 30 лет с первого внедрения), рекомендуем технологам несколько сдержанно относиться к возможности использования такого рода схем, а для объективности принятия решения об их внедрении осуществлять всестороннюю проверку технологических режимов данных машин, получаемых концентратов и устойчивости процесса флотации, в том числе при колебании свойств исходной руды.

@solyankamining