Найти в Дзене
Промойл: станки с ЧПУ

Как подобрать режимы резания при токарной обработке

Правильный выбор режима обработки на токарном станке – важная задача. Если рабочие параметры заданы верно, станок работает с максимальной эффективностью: Параметры режима резания при токарной обработке Рабочие параметры – это совокупность характеристик, которые задают в соответствии с технологическим маршрутом обработки детали конкретным инструментом. Если изделие сложное, для каждого этапа (перехода) операции определяют свои параметры с учетом технологических требований чертежей, размеров и допусков. Выбрать оптимальный режим токарной обработки достаточно, как правило, единожды – для первой детали. Правда, не всегда. Качество металла может меняется от партии к партии, и приходится подстраиваться под существующие условия. Но если изменений не происходит, то в дальнейшем при изготовлении таких деталей параметры подставляют автоматически, что позволяет ускорить наладку станка и оптимизировать производственный процесс. Основные параметры резки – это: К дополнительным параметрам относятся:
Оглавление

Правильный выбор режима обработки на токарном станке – важная задача. Если рабочие параметры заданы верно, станок работает с максимальной эффективностью:

  • достигается высокая производительность;
  • минимальная себестоимость;
  • повышается качество обработки поверхности;
  • режущий инструмент работает без повышенного износа, не ломается;
  • вероятность брака практически сведена к нулю.
Процесс образования стружки на токарном станке ЧПУ.
Процесс образования стружки на токарном станке ЧПУ.

Параметры режима резания при токарной обработке

Рабочие параметры – это совокупность характеристик, которые задают в соответствии с технологическим маршрутом обработки детали конкретным инструментом. Если изделие сложное, для каждого этапа (перехода) операции определяют свои параметры с учетом технологических требований чертежей, размеров и допусков.

Выбрать оптимальный режим токарной обработки достаточно, как правило, единожды – для первой детали. Правда, не всегда. Качество металла может меняется от партии к партии, и приходится подстраиваться под существующие условия. Но если изменений не происходит, то в дальнейшем при изготовлении таких деталей параметры подставляют автоматически, что позволяет ускорить наладку станка и оптимизировать производственный процесс.

Основные параметры резки – это:

  • глубина резания – t, мм;
  • рабочая подача – S, мм/об;
  • скорость резания – V, м/мин.
Элементы режимов резания при токарной обработке
Элементы режимов резания при токарной обработке

К дополнительным параметрам относятся: масса и материал заготовки, припуски, частота вращения шпинделя, материал резца (режущей части), вспомогательное и основное время обработки, чистота обработки поверхности и все прочие характеристики, которые влияют на результат токарной обработки.

Расчет токарных режимов резания производят одним из трех способов.

  • Аналитический (расчетный) – по формулам, на основании технических характеристик станка.
  • Программный – с применением специального ПО. Таким образом определяют режимы резания на современных токарных станках с ЧПУ: те же формулы, но считает машина, что минимизирует вероятность ошибок.
  • Табличный – подбор параметров резки на основании собственного опыта и справочных таблиц. Сложно учесть все нюансы, поэтому метод обычно используют совместно с аналитическим.

Расчет режимов токарной обработки

Сначала определяют глубину резания, затем подачу и скорость работы. Такой порядок расчета обусловлен увеличением степени влияния параметра на стойкость режущего инструмента. Глубина резания меньше всего влияет на количество выделяемой при резке теплоты и, соответственно, износ резца, тогда как подача и скорость – в большей степени.

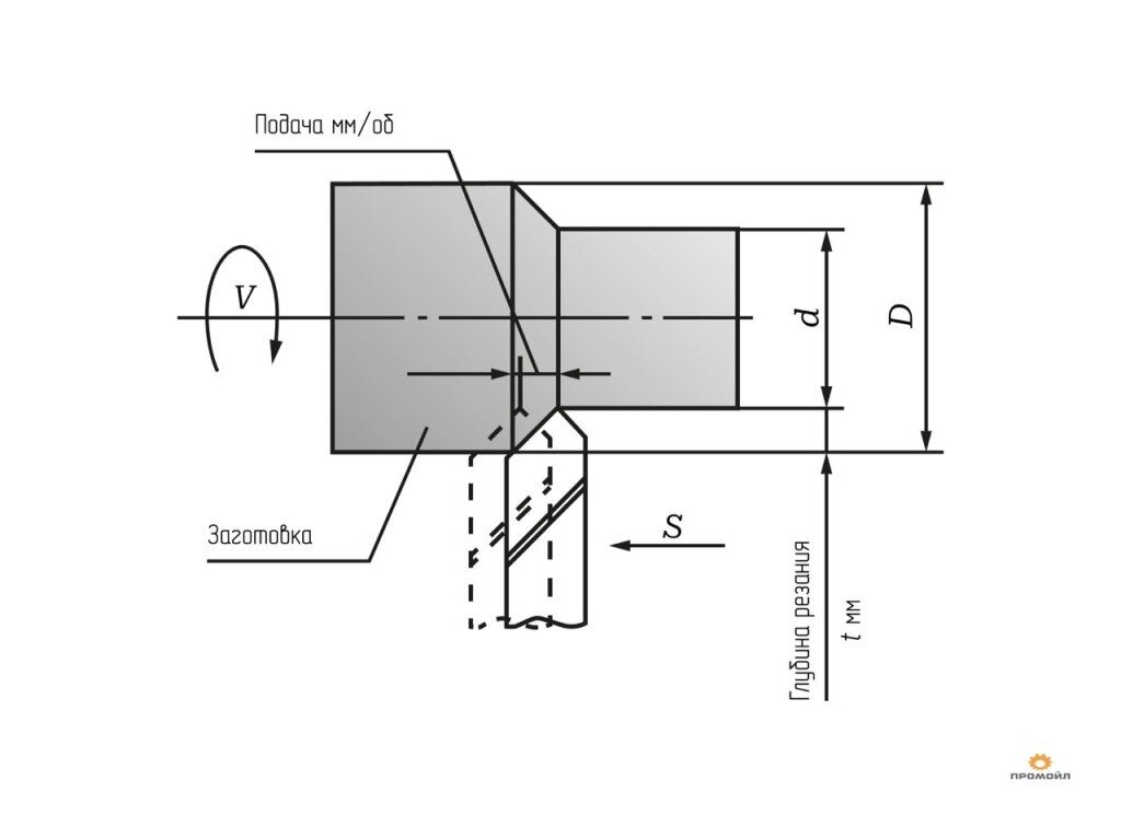
Глубина резания

Под этим параметром понимают расстояние, на которое резец погружается в материал заготовки. Разность между первоначальным диаметром заготовки D и новым диаметром d, который получен после прохода резца, принято называть припуском. Поэтому говорят, что глубина резания определяется припуском, снимаемым с заготовки за один проход резца.

С учетом того, что на токарном станке обработка производится вдоль оси вращения заготовки, формула имеет вид:

-3

, где

t – глубина резания;

D – диаметр до прохода резца;

d – диаметр после прохода резца.

При подрезании торцов, когда обработку выполняют перпендикулярно оси вращения, t принимают равной глубине срезаемого слоя.

При определении t важно учесть требования к шероховатости поверхности квалитету точности. Если требования высокие, то для снятия припуска более 2 мм рекомендуется делать несколько проходов. Если припуски неравномерные, также добавляются проходы, чтобы избежать нарушений геометрии.

Рабочая подача

Под подачей понимают скорость перемещения режущего инструмента приводными механизмом станка. В токарной обработке этот показатель определяет расстояние, которое проходит резец за один оборот обрабатываемой детали.

  • При черновой обработке выбирают максимальную подачу с учетом мощности/жесткости станка и прочности режущего инструмента.
  • При чистовой обработке выбирают минимальную подачу, принимая во внимание заданные параметры шероховатости.

Для упрощения вычислений подходящее значение подачи выбирают по справочной таблице.

-4

При наличии внушительных ударных нагрузок значение, определенное по таблице, следует умножить на 0,85. Если обрабатывается жаропрочная сталь, рекомендуемое значение подачи равно 1 мм/об.

Скорость резания

Под скоростью резания в токарной обработке понимают путь, который проходит точка резца в единицу времени, обычно в минуту. Длина пути зависит от диаметра заготовки и числа оборотов, которые она осуществляет за этот временной интервал.

При расчете режимов резания в токарной обработке используют формулу:

скорость резания
скорость резания

, где

V – скорость резания;

π – 3,14;

D – диаметр заготовки;

n – число оборотов заготовки.

На практике этот параметр обычно определяют исходя из стойкости используемого режущего инструмента. К примеру, стойкость твердосплавных резцов находится в диапазоне 60…90 минут. Для удобства определения V можно использовать справочные таблицы.

Соответствие режима резания мощности главного двигателя станка

После того как определены все основные параметры режима обработки на токарном станке, необходимо проверить их соответствие мощности оборудования.

Сначала рассчитают силу резания по формуле:

требуемая мощность станка
требуемая мощность станка

, где

P – сила резания, кГ;

Ср – коэффициент, зависящий от качества материала обработки;

t – глубина резания;

S – подача.

Значения величин, участвующих в формуле, подбирают по таблице.

Режимы резания при токарной обработке
Режимы резания при токарной обработке

Далее подставляем найденное значение силы резания в формулу:

Сила резания при точении
Сила резания при точении

, где

Nст – мощность станка, кВт;

Р – сила резания;

V – скорость резания;

ƞ – КПД станка.

В паспорте станка есть готовые таблицы для определения мощности резания при разных значениях режима обработки. Необходимо сравнить нормированные показатели с теми, которые определены расчетным путем. Рассчитанные значения не могут быть больше допустимых, иначе оборудование может не выдержать нагрузку и даже выйти из строя. Если полученные значения больше, их необходимо скорректировать.

Преимуществом использования токарных станков именно с числовым программным управлением (ЧПУ) является возможность быстрого просчета оптимального режима резания для любых токарных операций с помощью специального ПО, а также простое и быстрое проведение любых корректировок без необходимости производить расчеты вручную.

Автор статьи Лохно Антон (продакт-менеджер Промойл)