Добавить в корзинуПозвонить
Найти в Дзене
Изучаю с НОЛЯ.

ПРЕОБРАЗОВАТЕЛЬ НАПРЯЖЕНИЯ 12 В 220

На специализированных ШИМ-контроллерах можно реализовать ряд простых и
вполне рабочих схем преобразователей напряжения. Хотим поделится двумя
вариантами схем инверторов 12-220 Вольт с простой обвязкой и минимальным
количеством комплектующих компонентов. Схема реализована на
высокоточном одноканальном ШИМ контроллере UC3845. Это достаточно мощный контроллер, номинал выходного сигнала которого хватит для раскачки
достаточно мощных полевых ключей без использования дополнительного
драйвера. Диапазон входных напряжений 9-18 Вольт, больше подавать крайне
рискованно, в номинале 12 Вольт. Генератор преобразователя состоит из
самой микросхемы, одного конденсатора и резистора - это компоненты
времязадающей цепи, их подбором можно настроить нужную рабочую частоту
генератора. В качестве силового компонента применен мощный N-канальный полевой
транзистор серии IRF3205, который с успехом можно заменить на логический
IRL3705 или IRFZ44, IRFZ48, последние работают чуть хуже. Вся основная на

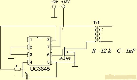
На специализированных ШИМ-контроллерах можно реализовать ряд простых и
вполне рабочих схем преобразователей напряжения. Хотим поделится двумя
вариантами схем инверторов 12-220 Вольт с простой обвязкой и минимальным
количеством комплектующих компонентов. Схема реализована на
высокоточном одноканальном ШИМ контроллере UC3845. Это достаточно мощный контроллер, номинал выходного сигнала которого хватит для раскачки
достаточно мощных полевых ключей без использования дополнительного
драйвера.

Диапазон входных напряжений 9-18 Вольт, больше подавать крайне
рискованно, в номинале 12 Вольт. Генератор преобразователя состоит из
самой микросхемы, одного конденсатора и резистора - это компоненты
времязадающей цепи, их подбором можно настроить нужную рабочую частоту
генератора.

-2

В качестве силового компонента применен мощный N-канальный полевой
транзистор серии IRF3205, который с успехом можно заменить на логический
IRL3705 или IRFZ44, IRFZ48, последние работают чуть хуже.

-3

Вся основная нагрузка лежит на полевом транзисторе, поэтому последний
будет перегреваться, следовательно, ему нужно интенсивно охлаждать. Для
этого транзистор устанавливают на теплоотвод, возможно понадобится и
кулер - зависит от мощности выходной нагрузки.

Такая компактная схема преобразователя может развивать совсем недурную мощность 70 ватт, в пике выходная мощность может доходить до 100 ватт.

Количество витков обмоток напрямую зависит от рабочей частоты преобразователя, приведу параметры для частоты 45-50 кГц.

В моем случае был использован готовый трансформатор от китайского
электронного трансформатора для питания 12-Вольтовых галогенных ламп.
Никаких перемоток не нужно сделать, просто обмотку на 12 вольт (состоит
из 8-и витков, намотана двумя жилами провода 0,8-1 мм) подключают в
качестве первичной, а сетевая обмотка (состоит из 85 витков провода
0,4-0,6 мм) служит вторичкой.

-4

На выходе такого преобразователя образуется напряжение 200-260 Вольт, но
частота отклоняется от сетевой, поэтому желательно питать таким
преобразователем только пассивные нагрузки (паяльники, лампы накаливания
и т.п.).

🔥 Привет! Добро пожаловать на канал! 🔥

Здесь влоги о жизни, ремонте электроники, кулинарных экспериментах и многом другом. Если ты любишь узнавать новые полезные лайфхаки или просто
интересуешься, как я провожу свой день, тебе точно понравится! 😊

🔔 Поделитесь мнением после просмотра!👍
Поставьте лайк и поделитесь видео с друзьями – это будет огромной
поддержкой! Ваша активность помогает каналу развиваться. Это несложно
для вас, но приятно для меня! 💪

💌 По вопросам сотрудничества и рекламы: fetch22091989@gmail.com

🎥 Не забывайте подписаться на канал: @Gerich174 – тут много интересного! 📲

💰 Если хотите поддержать развитие канала:

💳 Донат: https://yoomoney.ru/to/4100117056657007
🔧 Ваш вклад помогает улучшать контент!

👨‍👧‍👦 Канал для своих и для тех, кто в теме!

Подписывайтесь и становитесь частью моей маленькой, но дружной аудитории! 😎