Добавить в корзинуПозвонить
Найти в Дзене
Кастон

Как подключить и настроить преобразователь частоты

Для успешного ввода в эксплуатацию преобразователя частоты (ПЧ) необходимо произвести правильное подключение и настройку. Ниже рассмотрим этот процесс по шагам. Шаг 1. Проверяем номинальное напряжение ПЧ Прежде чем подключать ПЧ необходимо проверить его заводскую наклейку (рисунок 1). В строке «INPUT» (или «Вход») будет указано номинальное напряжение ПЧ. Подключаемое напряжение не должно превышать указанные значения. Шаг 2. Подключаем питание В документации на ПЧ будет представлена схема подключения силовой части (рисунок 2). Из шага 1 мы узнали номинальное значение напряжения питания ПЧ, далее в соответствии с документацией подключаем питание ПЧ. Маркировка силовых клемм может отличаться у разных моделей, на рисунке выше представлена наиболее распространенная маркировка клемм. Шаг 3. Подаем питание и вводим базовые параметры После проверки того, что шаг и 1 два выполнены корректно подаем питание на преобразователь частоты. При включении на дисплее должна отобразиться заданная частота

Для успешного ввода в эксплуатацию преобразователя частоты (ПЧ) необходимо произвести правильное подключение и настройку. Ниже рассмотрим этот процесс по шагам.

Шаг 1. Проверяем номинальное напряжение ПЧ

Прежде чем подключать ПЧ необходимо проверить его заводскую наклейку (рисунок 1).

Рисунок 1. Заводская наклейка ПЧ
Рисунок 1. Заводская наклейка ПЧ

В строке «INPUT» (или «Вход») будет указано номинальное напряжение ПЧ. Подключаемое напряжение не должно превышать указанные значения.

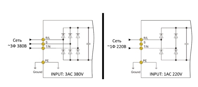
Шаг 2. Подключаем питание

В документации на ПЧ будет представлена схема подключения силовой части (рисунок 2).

Рисунок 2. Пример схемы подключения
Рисунок 2. Пример схемы подключения

Из шага 1 мы узнали номинальное значение напряжения питания ПЧ, далее в соответствии с документацией подключаем питание ПЧ. Маркировка силовых клемм может отличаться у разных моделей, на рисунке выше представлена наиболее распространенная маркировка клемм.

Шаг 3. Подаем питание и вводим базовые параметры

После проверки того, что шаг и 1 два выполнены корректно подаем питание на преобразователь частоты. При включении на дисплее должна отобразиться заданная частота (стандартно 50.00Гц). У некоторых ПЧ (например, Schnieder AVT610) может запуститься мастер быстрой настройки. Далее необходимо ввести параметры двигателя, выставить время разгона и торможения, задать верхний и нижний пределы регулировки скорости (рисунок 3).

Рисунок 3. Базовые настройки ПЧ
Рисунок 3. Базовые настройки ПЧ

Шаг 4. Подключаем электродвигатель к преобразователю частоты

Проверяем что номинальное выходное напряжение преобразователя частоты соответствует схеме подключения электродвигателя (рисунок 4).

Рисунок 4. Проверка подключения электродвигателя
Рисунок 4. Проверка подключения электродвигателя

Подключаем электродвигатель к ПЧ, кабель должен быть рассчитан на напряжение ~0.6кВ или =1кВ (рисунок 5). При подключении к бюджетному ПЧ максимальная длина кабель не должна превышать 50 метров или иное должно быть указано в документации. Стандартно электродвигатель подключается на клеммы U/V/W, если клемм с такой маркировкой нет, то следует обратиться к документации.

Рисунок 5. Подключение электродвигателя к ПЧ
Рисунок 5. Подключение электродвигателя к ПЧ

Шаг 5. Пробный пуск электродвигателя

Устанавливается небольшое задание скорости (5-10Гц) и подается команда на пуск.

Проверяется:

- Направление вращения электродвигателя

- Потребление электродвигателем тока (можно посмотреть в параметрах)

- Общая работа электродвигателя (отсутствие дыма, биения, тарахтения)

После 5 шагов рассмотренных выше производится ввод в эксплуатацию частотно-регулируемого привода, настраиваются дополнительные функции в зависимости от приложения.