Мы проанализировали статистику и рейтинг всех тормозных дисков для Volkswagen Polo 5 на сайте AutoIWC: https://autoiwc.ru/partsrev/auto/volkswagen/volkswagen-polo-5/tormoznie-diski/ + посмотрели свой опыт замены тормозных дисков в собственном автосервисе . И готовы предоставить рейтинг 10-ти лучших тормозных дисков для Volkswagen Polo 5 с артикулами и подробностями о каждом производителе.
Обратите внимание, рейтинг разделен по моторам, ведь в зависимости от двигателя Volkswagen Polo 5 тормозные диски отличаются.
Переходим к рейтингу! Кстати, если у тормозных дисков нулевой рейтинг, мы поставили ее сюда на основе собственного опыта!
Моторы 1.6
10-ка лучших тормозных дисков для моторов 1.6
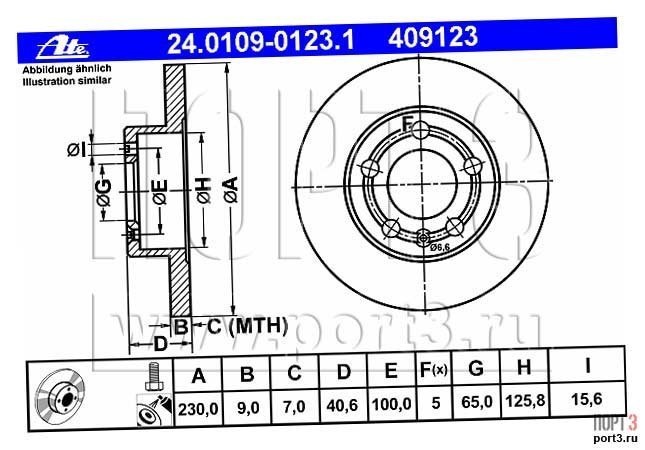
ATE 24010901231
ATE — это компания из Германии, основанная в 1900 году.Фирма производитель занимается выпуском следующих делатей: ступичный подшипник; тормозные диски; тормозные колодки; главный тормозной цилиндр; главный цилиндр сцепления; датчик abs; передний суппорт; и т.д. Если забыть про Volkswagen Polo 5 и изучить рейтинг тормозных дисков ATE от владельцев всех автомобилей, то ему оставили 108 отзывов со средним рейтингом в 4.3, а в общем рейтинге всех тормозных дисков компания занимает 31 место. Если изучить отдельно всю продукцию производителя, ему оставили 437 отзывов со средним рейтингом 4.3 звезды из 5-ти.
- ✅ Производитель: ATE
- ✅ Артикул: 24010901231
- ✅ Рейтинг: 5
- ✅ Положительных отзывов: 4
- ✅ Негативных отзывов: 0
Где возможно купить:
- 💸 Яндекс Маркет - https://market.yandex.ru/search?text=ATE+24010901231
- 💸 Автопитер - https://autopiter.ru/goods/24010901231
- 💸 Aliexpress - https://aliexpress.ru/wholesale?SearchText=24010901231+ATE
SWAG 30918488
SWAG — это компания из Германии, основанная в 1954 году.Фирма производитель занимается выпуском следующих делатей: бензонасос; воздушный фильтр; масляный фильтр; ремень грм; рулевые наконечники; салонный фильтр; стойки амортизатора; и т.д. Если забыть про Volkswagen Polo 5 и изучить рейтинг тормозных дисков SWAG от владельцев всех автомобилей, то ему оставили 19 отзывов со средним рейтингом в 4.2, а в общем рейтинге всех тормозных дисков компания занимает 35 место. Если изучить отдельно всю продукцию производителя, ему оставили 323 отзывов со средним рейтингом 3.5 звезды из 5-ти.
- ✅ Производитель: SWAG
- ✅ Артикул: 30918488
- ✅ Рейтинг: 5
- ✅ Положительных отзывов: 2
- ✅ Негативных отзывов: 0
Где возможно купить:
- 💸 Яндекс Маркет - https://market.yandex.ru/search?text=SWAG+30918488
- 💸 Автопитер - https://autopiter.ru/goods/30918488
- 💸 Aliexpress - https://aliexpress.ru/wholesale?SearchText=30918488+SWAG
Brembo 0970111X
Brembo — это компания из Италии, основанная в 1961 году.Фирма производитель занимается выпуском следующих делатей: ступичный подшипник; тормозные диски; тормозные колодки; главный тормозной цилиндр; главный цилиндр сцепления; передний суппорт; задний тормозной барабан; и т.д. Если забыть про Volkswagen Polo 5 и изучить рейтинг тормозных дисков Brembo от владельцев всех автомобилей, то ему оставили 148 отзывов со средним рейтингом в 4, а в общем рейтинге всех тормозных дисков компания занимает 39 место. Если изучить отдельно всю продукцию производителя, ему оставили 480 отзывов со средним рейтингом 3.9 звезды из 5-ти.
- ✅ Производитель: Brembo
- ✅ Артикул: 0970111X
- ✅ Рейтинг: 5
- ✅ Положительных отзывов: 2
- ✅ Негативных отзывов: 0
Где возможно купить:
- 💸 Яндекс Маркет - https://market.yandex.ru/search?text=Brembo+0970111X
- 💸 Автопитер - https://autopiter.ru/goods/0970111X
- 💸 Aliexpress - https://aliexpress.ru/wholesale?SearchText=0970111X+Brembo
Textar 92082205
Textar — это компания из Германии, основанная в 1913 году.Фирма производитель занимается выпуском следующих делатей: ступичный подшипник; тормозные диски; тормозные колодки; главный тормозной цилиндр; главный цилиндр сцепления; датчик abs; фильтр акпп; и т.д. Если забыть про Volkswagen Polo 5 и изучить рейтинг тормозных дисков Textar от владельцев всех автомобилей, то ему оставили 38 отзывов со средним рейтингом в 4.2, а в общем рейтинге всех тормозных дисков компания занимает 34 место. Если изучить отдельно всю продукцию производителя, ему оставили 122 отзывов со средним рейтингом 3.9 звезды из 5-ти.
- ✅ Производитель: Textar
- ✅ Артикул: 92082205
- ✅ Рейтинг: 5
- ✅ Положительных отзывов: 2
- ✅ Негативных отзывов: 0
Где возможно купить:
- 💸 Яндекс Маркет - https://market.yandex.ru/search?text=Textar+92082205
- 💸 Автопитер - https://autopiter.ru/goods/92082205
- 💸 Aliexpress - https://aliexpress.ru/wholesale?SearchText=92082205+Textar
Bosch 0986478853
Bosch — это компания из Германии, основанная в 1921 году.Фирма производитель занимается выпуском следующих делатей: аккумулятор; бензонасос; воздушный фильтр; дворники; масляный фильтр; ремень грм; салонный фильтр; и т.д. Если забыть про Volkswagen Polo 5 и изучить рейтинг тормозных дисков Bosch от владельцев всех автомобилей, то ему оставили 76 отзывов со средним рейтингом в 3.9, а в общем рейтинге всех тормозных дисков компания занимает 43 место. Если изучить отдельно всю продукцию производителя, ему оставили 2843 отзывов со средним рейтингом 4 звезды из 5-ти.
- ✅ Производитель: Bosch
- ✅ Артикул: 0986478853
- ✅ Рейтинг: 5
- ✅ Положительных отзывов: 1
- ✅ Негативных отзывов: 0
Где возможно купить:
- 💸 Яндекс Маркет - https://market.yandex.ru/search?text=Bosch+0986478853
- 💸 Автопитер - https://autopiter.ru/goods/0986478853
- 💸 Aliexpress - https://aliexpress.ru/wholesale?SearchText=0986478853+Bosch
TRW DF2803
TRW — это компания из США, основанная в 1901 году.Фирма производитель занимается выпуском следующих делатей: аккумулятор; бензонасос; дворники; масляный фильтр; ремень грм; рулевые наконечники; стойки амортизатора; и т.д. Если забыть про Volkswagen Polo 5 и изучить рейтинг тормозных дисков TRW от владельцев всех автомобилей, то ему оставили 223 отзывов со средним рейтингом в 3.9, а в общем рейтинге всех тормозных дисков компания занимает 44 место. Если изучить отдельно всю продукцию производителя, ему оставили 1294 отзывов со средним рейтингом 3.8 звезды из 5-ти.
- ✅ Производитель: TRW
- ✅ Артикул: DF2803
- ✅ Рейтинг: 3.9
- ✅ Положительных отзывов: 6
- ✅ Негативных отзывов: 3
Где возможно купить:
- 💸 Яндекс Маркет - https://market.yandex.ru/search?text=TRW+DF2803
- 💸 Автопитер - https://autopiter.ru/goods/DF2803
- 💸 Aliexpress - https://aliexpress.ru/wholesale?SearchText=DF2803+TRW
MEYLE 1155211018
MEYLE — это компания из Германии, основанная в 1958 году.Фирма производитель занимается выпуском следующих делатей: бензонасос; воздушный фильтр; дворники; масляный фильтр; ремень грм; рулевые наконечники; салонный фильтр; и т.д. Если забыть про Volkswagen Polo 5 и изучить рейтинг тормозных дисков MEYLE от владельцев всех автомобилей, то ему оставили 31 отзывов со средним рейтингом в 3.3, а в общем рейтинге всех тормозных дисков компания занимает 59 место. Если изучить отдельно всю продукцию производителя, ему оставили 598 отзывов со средним рейтингом 3.7 звезды из 5-ти.
- ✅ Производитель: MEYLE
- ✅ Артикул: 1155211018
- ✅ Рейтинг: 3.8
- ✅ Положительных отзывов: 3
- ✅ Негативных отзывов: 1
Где возможно купить:
- 💸 Яндекс Маркет - https://market.yandex.ru/search?text=MEYLE+1155211018
- 💸 Автопитер - https://autopiter.ru/goods/1155211018
- 💸 Aliexpress - https://aliexpress.ru/wholesale?SearchText=1155211018+MEYLE
NK 314760
NK — это компания из Дании, основанная в 1934 году.Фирма производитель занимается выпуском следующих делатей: воздушный фильтр; ремень грм; рулевые наконечники; стойки амортизатора; стойки стабилизатора; ступица; ступичный подшипник; и т.д. Если забыть про Volkswagen Polo 5 и изучить рейтинг тормозных дисков NK от владельцев всех автомобилей, то ему оставили 93 отзывов со средним рейтингом в 4.2, а в общем рейтинге всех тормозных дисков компания занимает 33 место. Если изучить отдельно всю продукцию производителя, ему оставили 619 отзывов со средним рейтингом 3.7 звезды из 5-ти.
- ✅ Производитель: NK
- ✅ Артикул: 314760
- ✅ Рейтинг: 3.7
- ✅ Положительных отзывов: 2
- ✅ Негативных отзывов: 1
Где возможно купить:
- 💸 Яндекс Маркет - https://market.yandex.ru/search?text=NK+314760
- 💸 Автопитер - https://autopiter.ru/goods/314760
- 💸 Aliexpress - https://aliexpress.ru/wholesale?SearchText=314760+NK
NK 314758
NK — это компания из Дании, основанная в 1934 году.Фирма производитель занимается выпуском следующих делатей: воздушный фильтр; ремень грм; рулевые наконечники; стойки амортизатора; стойки стабилизатора; ступица; ступичный подшипник; и т.д. Если забыть про Volkswagen Polo 5 и изучить рейтинг тормозных дисков NK от владельцев всех автомобилей, то ему оставили 93 отзывов со средним рейтингом в 4.2, а в общем рейтинге всех тормозных дисков компания занимает 33 место. Если изучить отдельно всю продукцию производителя, ему оставили 619 отзывов со средним рейтингом 3.7 звезды из 5-ти.
- ✅ Производитель: NK
- ✅ Артикул: 314758
- ✅ Рейтинг: 3.7
- ✅ Положительных отзывов: 2
- ✅ Негативных отзывов: 1
Где возможно купить:
- 💸 Яндекс Маркет - https://market.yandex.ru/search?text=NK+314758
- 💸 Автопитер - https://autopiter.ru/goods/314758
- 💸 Aliexpress - https://aliexpress.ru/wholesale?SearchText=314758+NK
NK 204758
NK — это компания из Дании, основанная в 1934 году.Фирма производитель занимается выпуском следующих делатей: воздушный фильтр; ремень грм; рулевые наконечники; стойки амортизатора; стойки стабилизатора; ступица; ступичный подшипник; и т.д. Если забыть про Volkswagen Polo 5 и изучить рейтинг тормозных дисков NK от владельцев всех автомобилей, то ему оставили 93 отзывов со средним рейтингом в 4.2, а в общем рейтинге всех тормозных дисков компания занимает 33 место. Если изучить отдельно всю продукцию производителя, ему оставили 619 отзывов со средним рейтингом 3.7 звезды из 5-ти.
- ✅ Производитель: NK
- ✅ Артикул: 204758
- ✅ Рейтинг: 3.7
- ✅ Положительных отзывов: 2
- ✅ Негативных отзывов: 1
Где возможно купить:
- 💸 Яндекс Маркет - https://market.yandex.ru/search?text=NK+204758
- 💸 Автопитер - https://autopiter.ru/goods/204758
- 💸 Aliexpress - https://aliexpress.ru/wholesale?SearchText=204758+NK
Моторы 1.4 TSi
10-ка лучших тормозных дисков для моторов 1.4 TSi
ATE 24012501231
ATE — это компания из Германии, основанная в 1900 году.Фирма производитель занимается выпуском следующих делатей: ступичный подшипник; тормозные диски; тормозные колодки; главный тормозной цилиндр; главный цилиндр сцепления; датчик abs; передний суппорт; и т.д. Если забыть про Volkswagen Polo 5 и изучить рейтинг тормозных дисков ATE от владельцев всех автомобилей, то ему оставили 108 отзывов со средним рейтингом в 4.3, а в общем рейтинге всех тормозных дисков компания занимает 31 место. Если изучить отдельно всю продукцию производителя, ему оставили 437 отзывов со средним рейтингом 4.3 звезды из 5-ти.
- ✅ Производитель: ATE
- ✅ Артикул: 24012501231
- ✅ Рейтинг: 5
- ✅ Положительных отзывов: 2
- ✅ Негативных отзывов: 0
Где возможно купить:
- 💸 Яндекс Маркет - https://market.yandex.ru/search?text=ATE+24012501231
- 💸 Автопитер - https://autopiter.ru/goods/24012501231
- 💸 Aliexpress - https://aliexpress.ru/wholesale?SearchText=24012501231+ATE
SWAG 30918488
SWAG — это компания из Германии, основанная в 1954 году.Фирма производитель занимается выпуском следующих делатей: бензонасос; воздушный фильтр; масляный фильтр; ремень грм; рулевые наконечники; салонный фильтр; стойки амортизатора; и т.д. Если забыть про Volkswagen Polo 5 и изучить рейтинг тормозных дисков SWAG от владельцев всех автомобилей, то ему оставили 19 отзывов со средним рейтингом в 4.2, а в общем рейтинге всех тормозных дисков компания занимает 35 место. Если изучить отдельно всю продукцию производителя, ему оставили 323 отзывов со средним рейтингом 3.5 звезды из 5-ти.
- ✅ Производитель: SWAG
- ✅ Артикул: 30918488
- ✅ Рейтинг: 5
- ✅ Положительных отзывов: 2
- ✅ Негативных отзывов: 0
Где возможно купить:
- 💸 Яндекс Маркет - https://market.yandex.ru/search?text=SWAG+30918488
- 💸 Автопитер - https://autopiter.ru/goods/30918488
- 💸 Aliexpress - https://aliexpress.ru/wholesale?SearchText=30918488+SWAG
TRW DF2805
TRW — это компания из США, основанная в 1901 году.Фирма производитель занимается выпуском следующих делатей: аккумулятор; бензонасос; дворники; масляный фильтр; ремень грм; рулевые наконечники; стойки амортизатора; и т.д. Если забыть про Volkswagen Polo 5 и изучить рейтинг тормозных дисков TRW от владельцев всех автомобилей, то ему оставили 223 отзывов со средним рейтингом в 3.9, а в общем рейтинге всех тормозных дисков компания занимает 44 место. Если изучить отдельно всю продукцию производителя, ему оставили 1294 отзывов со средним рейтингом 3.8 звезды из 5-ти.
- ✅ Производитель: TRW
- ✅ Артикул: DF2805
- ✅ Рейтинг: 4.3
- ✅ Положительных отзывов: 6
- ✅ Негативных отзывов: 2
Где возможно купить:
- 💸 Яндекс Маркет - https://market.yandex.ru/search?text=TRW+DF2805
- 💸 Автопитер - https://autopiter.ru/goods/DF2805
- 💸 Aliexpress - https://aliexpress.ru/wholesale?SearchText=DF2805+TRW
NK 314758
NK — это компания из Дании, основанная в 1934 году.Фирма производитель занимается выпуском следующих делатей: воздушный фильтр; ремень грм; рулевые наконечники; стойки амортизатора; стойки стабилизатора; ступица; ступичный подшипник; и т.д. Если забыть про Volkswagen Polo 5 и изучить рейтинг тормозных дисков NK от владельцев всех автомобилей, то ему оставили 93 отзывов со средним рейтингом в 4.2, а в общем рейтинге всех тормозных дисков компания занимает 33 место. Если изучить отдельно всю продукцию производителя, ему оставили 619 отзывов со средним рейтингом 3.7 звезды из 5-ти.
- ✅ Производитель: NK
- ✅ Артикул: 314758
- ✅ Рейтинг: 3.7
- ✅ Положительных отзывов: 2
- ✅ Негативных отзывов: 1
Где возможно купить:
- 💸 Яндекс Маркет - https://market.yandex.ru/search?text=NK+314758
- 💸 Автопитер - https://autopiter.ru/goods/314758
- 💸 Aliexpress - https://aliexpress.ru/wholesale?SearchText=314758+NK
MEYLE 1155230037PD
MEYLE — это компания из Германии, основанная в 1958 году.Фирма производитель занимается выпуском следующих делатей: бензонасос; воздушный фильтр; дворники; масляный фильтр; ремень грм; рулевые наконечники; салонный фильтр; и т.д. Если забыть про Volkswagen Polo 5 и изучить рейтинг тормозных дисков MEYLE от владельцев всех автомобилей, то ему оставили 31 отзывов со средним рейтингом в 3.3, а в общем рейтинге всех тормозных дисков компания занимает 59 место. Если изучить отдельно всю продукцию производителя, ему оставили 598 отзывов со средним рейтингом 3.7 звезды из 5-ти.
- ✅ Производитель: MEYLE
- ✅ Артикул: 1155230037PD
- ✅ Рейтинг: 3.3
- ✅ Положительных отзывов: 2
- ✅ Негативных отзывов: 1
Где возможно купить:
- 💸 Яндекс Маркет - https://market.yandex.ru/search?text=MEYLE+1155230037PD
- 💸 Автопитер - https://autopiter.ru/goods/1155230037PD
DELPHI BG3208C
DELPHI — это компания из США, основанная в 1999 году.Фирма производитель занимается выпуском следующих делатей: аккумулятор; бензонасос; воздушный фильтр; масляный фильтр; ремень грм; рулевые наконечники; салонный фильтр; и т.д. Если забыть про Volkswagen Polo 5 и изучить рейтинг тормозных дисков DELPHI от владельцев всех автомобилей, то ему оставили 29 отзывов со средним рейтингом в 4.4, а в общем рейтинге всех тормозных дисков компания занимает 29 место. Если изучить отдельно всю продукцию производителя, ему оставили 367 отзывов со средним рейтингом 3.8 звезды из 5-ти.
- ✅ Производитель: DELPHI
- ✅ Артикул: BG3208C
- ✅ Рейтинг: 3
- ✅ Положительных отзывов: 1
- ✅ Негативных отзывов: 1
Где возможно купить:
- 💸 Яндекс Маркет - https://market.yandex.ru/search?text=DELPHI+BG3208C
- 💸 Автопитер - https://autopiter.ru/goods/BG3208C
- 💸 Aliexpress - https://aliexpress.ru/wholesale?SearchText=BG3208C+DELPHI
Ferodo DDF1221C
Ferodo — это компания из Великобритании, основанная в 1897 году.Фирма производитель занимается выпуском следующих делатей: ступичный подшипник; сцепление; тормозные диски; тормозные колодки; главный тормозной цилиндр; главный цилиндр сцепления; передний суппорт; и т.д. Если забыть про Volkswagen Polo 5 и изучить рейтинг тормозных дисков Ferodo от владельцев всех автомобилей, то ему оставили 67 отзывов со средним рейтингом в 3.6, а в общем рейтинге всех тормозных дисков компания занимает 54 место. Если изучить отдельно всю продукцию производителя, ему оставили 281 отзывов со средним рейтингом 3.5 звезды из 5-ти.
- ✅ Производитель: Ferodo
- ✅ Артикул: DDF1221C
- ✅ Рейтинг: 3
- ✅ Положительных отзывов: 0
- ✅ Негативных отзывов: 2
Где возможно купить:
- 💸 Яндекс Маркет - https://market.yandex.ru/search?text=Ferodo+DDF1221C
- 💸 Автопитер - https://autopiter.ru/goods/DDF1221C
- 💸 Aliexpress - https://aliexpress.ru/wholesale?SearchText=DDF1221C+Ferodo
FEBI 18488
FEBI — это компания из ГерманииФирма производитель занимается выпуском следующих делатей: бензонасос; воздушный фильтр; дворники; масляный фильтр; ремень грм; рулевые наконечники; салонный фильтр; и т.д. Если забыть про Volkswagen Polo 5 и изучить рейтинг тормозных дисков FEBI от владельцев всех автомобилей, то ему оставили 20 отзывов со средним рейтингом в 3.6, а в общем рейтинге всех тормозных дисков компания занимает 53 место. Если изучить отдельно всю продукцию производителя, ему оставили 742 отзывов со средним рейтингом 3.8 звезды из 5-ти.
- ✅ Производитель: FEBI
- ✅ Артикул: 18488
- ✅ Рейтинг: 0
- ✅ Положительных отзывов: 0
- ✅ Негативных отзывов: 0
Где возможно купить:
- 💸 Яндекс Маркет - https://market.yandex.ru/search?text=FEBI+18488
- 💸 Автопитер - https://autopiter.ru/goods/18488
- 💸 Aliexpress - https://aliexpress.ru/wholesale?SearchText=18488+FEBI
HERTH+BUSS JAKOPARTS J3300806
HERTH+BUSS JAKOPARTS — это компания из Германии, основанная в 1981 году.Фирма производитель занимается выпуском следующих делатей: бензонасос; воздушный фильтр; масляный фильтр; ремень грм; салонный фильтр; стойки амортизатора; стойки стабилизатора; и т.д. Если забыть про Volkswagen Polo 5 и изучить рейтинг тормозных дисков HERTH+BUSS JAKOPARTS от владельцев всех автомобилей, то ему оставили 1 отзывов со средним рейтингом в 1, а в общем рейтинге всех тормозных дисков компания занимает 70 место. Если изучить отдельно всю продукцию производителя, ему оставили 15 отзывов со средним рейтингом 3.5 звезды из 5-ти.
- ✅ Производитель: HERTH+BUSS JAKOPARTS
- ✅ Артикул: J3300806
- ✅ Рейтинг: 0
- ✅ Положительных отзывов: 0
- ✅ Негативных отзывов: 0
Где возможно купить:
- 💸 Яндекс Маркет - https://market.yandex.ru/search?text=HERTH+BUSS JAKOPARTS+J3300806
- 💸 Автопитер - https://autopiter.ru/goods/J3300806
Bendix 520806
Bendix — это компания из Франции, основанная в 1924 году.Фирма производитель занимается выпуском следующих делатей: рулевые наконечники; стойки амортизатора; стойки стабилизатора; ступица; ступичный подшипник; тормозные диски; тормозные колодки; и т.д. Если забыть про Volkswagen Polo 5 и изучить рейтинг тормозных дисков Bendix от владельцев всех автомобилей, то ему оставили 0 отзывов со средним рейтингом в 0, а в общем рейтинге всех тормозных дисков компания занимает 96 место. Если изучить отдельно всю продукцию производителя, ему оставили 0 отзывов со средним рейтингом 0 звезды из 5-ти.
- ✅ Производитель: Bendix
- ✅ Артикул: 520806
- ✅ Рейтинг: 0
- ✅ Положительных отзывов: 0
- ✅ Негативных отзывов: 0
Где возможно купить:
- 💸 Яндекс Маркет - https://market.yandex.ru/search?text=Bendix+520806
- 💸 Автопитер - https://autopiter.ru/goods/520806
- 💸 Aliexpress - https://aliexpress.ru/wholesale?SearchText=520806+Bendix