Добавить в корзинуПозвонить
Найти в Дзене

Регулировка клапанов Д-245

Регулировка клапанов Д-243-245 Проверка зазора между клапанами и коромыслами. Зазоры между клапанами и коромыслами проверяйте и, при необходимости, регулируйте через каждые 500 часов работы, а также после снятия головки цилиндров, подтяжки болтов крепления головки цилиндров и при появлении стука клапанов. Зазор между бойком коромысла и торцом стержня клапана при проверке на непрогретом дизеле ( температура воды и масла должна быть не более 60 ºС) должен быть: а) для дизеля Д-243 и его модификаций: впускные и выпускные клапаны - 0,25+0,10 мм; -0,05 б) для дизеля Д-245 и его модификаций:
1) впускные клапаны - 0,25+0,05 мм;-0,10
2) выпускные клапаны - 0,45+0,05 мм.-0,10 При регулировке зазор между торцом стержня клапана и бойком коромысла
на непрогретом дизеле устанавливайте: а) для дизеля Д-243 и его модификаций: впускные и выпускные клапаны – 0,25 -0,05 мм; б) для дизеля Д-245 и его модификаций:
1) впускные клапаны - 0,25 -0,05 мм;
2) выпускные клапаны – 0,45 -0,05 мм; Рег

Регулировка клапанов Д-243-245

Проверка зазора между клапанами и коромыслами.

Зазоры между клапанами и коромыслами проверяйте и, при необходимости, регулируйте через каждые 500 часов работы, а также после снятия головки цилиндров, подтяжки болтов крепления головки цилиндров и при появлении стука клапанов.

Зазор между бойком коромысла и торцом стержня клапана при проверке на непрогретом дизеле ( температура воды и масла должна быть не более 60 ºС) должен быть:

а) для дизеля Д-243 и его модификаций:

впускные и выпускные клапаны - 0,25+0,10 мм; -0,05

б) для дизеля Д-245 и его модификаций:

1) впускные клапаны - 0,25+0,05 мм;-0,10
2) выпускные клапаны - 0,45+0,05 мм.-0,10

При регулировке зазор между торцом стержня клапана и бойком коромысла
на непрогретом дизеле устанавливайте:

а) для дизеля Д-243 и его модификаций:

впускные и выпускные клапаны – 0,25 -0,05 мм;

б) для дизеля Д-245 и его модификаций:

1) впускные клапаны - 0,25 -0,05 мм;
2) выпускные клапаны – 0,45 -0,05 мм;

Регулировку производите в следующей последовательности:

Снимите колпак крышки головки цилиндров и проверьте крепление стоек
оси коромысел;

Проверните коленчатый вал до момента перекрытия клапанов в первом цилиндре (впускной клапан первого цилиндра начинает открываться, а выпускной заканчивает закрываться) и отрегулируйте зазоры в четвертом, шестом, седьмом и восьмом клапанах (считая от вентилятора), затем поверните коленчатый вал на один оборот, установив перекрытие в четвертом цилиндре, и отрегулируйте зазоры в первом, втором, третьем и пятом клапанах.

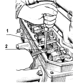
Для регулировки зазора отпустите контргайку винта на коромысле регулируемого клапана в соответствии с рисунком 16 и, поворачивая винт, установите необходимый зазор по щупу между бойком коромысла и торцом стержня клапана. После установки зазора затяните контргайку. По окончании регулировки зазора в клапанах поставьте на место колпак крышки головки цилиндров.

1 - контргайка; 2 - винт.
1 - контргайка; 2 - винт.