Добавить в корзинуПозвонить
Найти в Дзене
УЧИМСЯ САМИ

Блок питания - 2. Выпрямительная часть.

Вы даже не представляете, насколько часто и для насколько разных надобностей вы будете постоянно тягать туда-сюда готовый блок питания! Поэтому его схема и конструкция даже в мелочах должна обеспечивать ему максимальный универсализм. Вплоть до сетевого шнура, который должен быть достаточно длинным, чтобы и с этим не было хлопот. Вот, например, вы можете вывести на заднюю стенку блока вторую сетевую розетку XS2, включаемую тем же выключателем. Ведь при многих работах вам придется включать не только этот блок питания, но и какие-то другие приборы. Разумеется, она тоже должна быть защищена предохранителем и тщательно изолирована, чтобы случайное касание внутри блока не привело к поражению электрическим током. Как разобраться с первичными обмотками трансформатора, мы уже писали. Вторичные обмотки соединяются последовательно так, чтобы при каждом шаге от нижнего вывода к более верхним у вас переменное напряжение непрерывно нарастало. Понятно, что если у вас в трансформаторе нет 10-12 В обмо

Вы даже не представляете, насколько часто и для насколько разных надобностей вы будете постоянно тягать туда-сюда готовый блок питания! Поэтому его схема и конструкция даже в мелочах должна обеспечивать ему максимальный универсализм. Вплоть до сетевого шнура, который должен быть достаточно длинным, чтобы и с этим не было хлопот.

Вот, например, вы можете вывести на заднюю стенку блока вторую сетевую розетку XS2, включаемую тем же выключателем. Ведь при многих работах вам придется включать не только этот блок питания, но и какие-то другие приборы. Разумеется, она тоже должна быть защищена предохранителем и тщательно изолирована, чтобы случайное касание внутри блока не привело к поражению электрическим током.

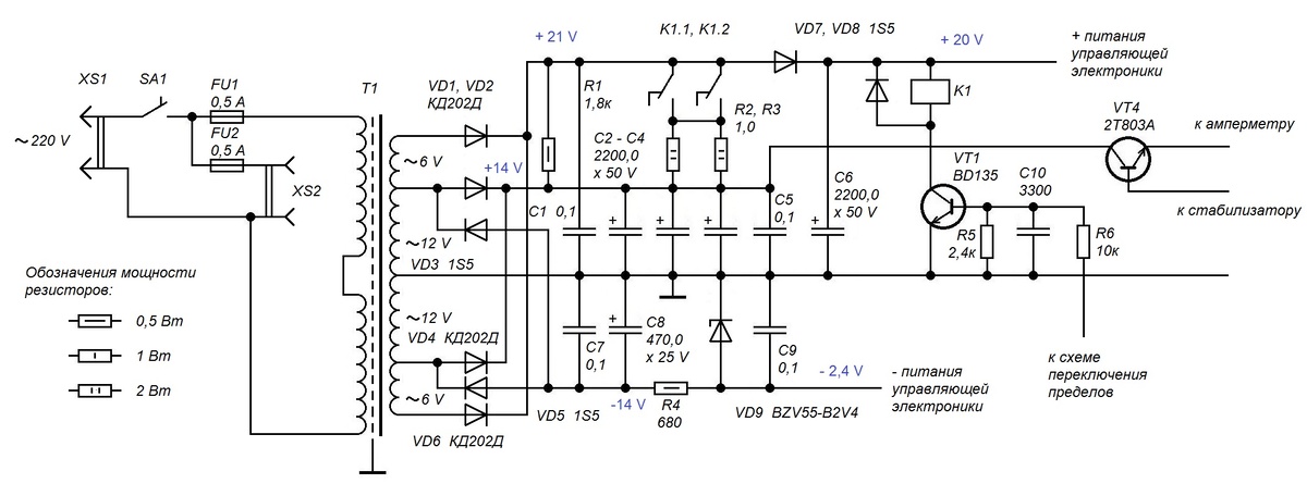
Схема выпрямительной части. Обратите внимание на обозначения мощностей резисторов. Синим цветом подписаны примерные значения потенциалов относительно общего провода (зависит от примененного вами трансформатора).
Схема выпрямительной части. Обратите внимание на обозначения мощностей резисторов. Синим цветом подписаны примерные значения потенциалов относительно общего провода (зависит от примененного вами трансформатора).

Как разобраться с первичными обмотками трансформатора, мы уже писали. Вторичные обмотки соединяются последовательно так, чтобы при каждом шаге от нижнего вывода к более верхним у вас переменное напряжение непрерывно нарастало. Понятно, что если у вас в трансформаторе нет 10-12 В обмоток, то соответствующие секции получаются последовательным соединением двух 6-вольтовых.

А дальнейшее - ну просто какой-то фестиваль двухполупериодных выпрямителей. Силовая часть содержит положительные 12-вольтовый (VD2, VD4) и 18-вольтовый (VD1, VD6) выпрямители. Диоды ставятся на два радиатора - один для 12-вольтового, другой для 18-вольтового выпрямителя, чем обеспечивается электрическое соединение их катодов и выравнивание тепловых режимов. Главная сглаживающая батарея и коллектор регулирующего транзистора VT4 постоянно подключены к 12-вольтовому выпрямителю. Когда нам требуется выходное напряжение выше 7 вольт контакты реле соединяют их с 18-вольтовым выпрямителем.

- Эй, ты чего??! Соединять между собой мощные силовые цепи под потенциалом в вольт 14 и вольт 20 - это же короткое замыкание!

Да, если бы у нас были соединены последовательно выходы двух диодных мостов, то было бы КЗ. Однако посмотрите, как хитро устроена эта схема! При замыкании контактов на правых выводах диодов 12-вольтового выпрямителя оказывается более высокое напряжение. Оказавшись под обратным напряжением эти диоды просто-напросто запираются. К тому же в такой схеме еще и нет потерь выпрямленного напряжения на лишних диодах.

Однако резкий бросок тока при попытке быстро перезарядить главную батарею конденсаторов, действительно, подобен КЗ, хоть и кратковременному. Сборка из двух мощных двухваттных резисторов R2, R3 сопротивлением 1 - 1,3 Ома несколько ограничивает величину этого импульса тока. А R1 подравнивает возможные слаботочные забросы потенциала между этими точками схемы, чем обеспечиваются более комфортные условия работы для контактов реле.

Схема управления релюшкой никаких неожиданностей не содержит - диод защиты от самоиндукции и транзистор с базовыми резисторами.

Так что человеку, пользующемуся этим блоком питания, можно даже не знать о существовании этой автоматики. Его дело - установить ручкой регулировки нужное ему выходное напряжение. И только иногда при этом он будет слышать щелчок реле, переключающегося на более подходящий режим работы выпрямителя.

Управляющая блоком питания электроника, чтобы она могла адекватно рулить его работой во всем диапазоне напряжений, от максимального выходного до 0, должна иметь еще более размашистое питание. Поэтому со стороны плюса она постоянно питается через диод VD7 от 18-вольтового выпрямителя. А со стороны минуса - от вспомогательного выпрямителя VD3, VD5, дающего небольшое отрицательное напряжение для питания ОУ в управляющей части прибора. Это напряжение стабилизировано простейшим стабилизатором на хорошо уже знакомом вам стабилитроне BZV55-B2V4. Он может быть заменен советским КС133 или КС433 с любым буквенным индексом. При этом отрицательное напряжение достигнет 3,3 вольта, но для нашей схемы это не имеет значения, так как максимально допустимое напряжение питания микросхем ОУ достигает 30 В.

Кстати, закупите для основного стабилизатора два стабилитрона BZV55-B7V5 или иного типа, например, советские КС175 на 7,5 В.

Поскольку детали вам могут попасться самые разные, различной конфигурации, то автор не может дать готовую, подходящую для всех печатную плату. Так что читателям придется самим решить, что и как располагать на печатной плате этого блока, а что крепить на шасси прибора.

Решив этот вопрос, вы уже можете начать разработку корпуса и общей конструкции блока питания, благо что плата управляющей электроники будет не очень велика. Учтите, что большой радиатор регулирующего транзистора соединен с его коллектором, а значит - с плюсом силового выпрямителя. Поэтому недопустимо его замыкание с общим проводом. Так что корпус, наверное, будет лучше пластмассовый. Из металла имеет смысл делать только лицевую панель. Если ее соединить с общим проводом, то она будет экранировать электронику блока питания от наводок с его нагрузок (вам же, может быть, придется налаживать от него самодельную рацию). Также целесообразно сделать из металла крышку корпуса. От многих узлов блока питания могут идти вверх потоки изрядно нагретого воздуха, от которого пластмасса со временем станет хрупкой и даже может покоробиться.

Об охлаждении следует сказать особо. Радиатор регулирующего транзистора лучше поместить сзади в открытую. Не приближайте его к измерительным приборам - высокие температуры могут снизить силу их магнитов. Также не следует "отапливать" и электролитические конденсаторы. Резисторы R2 - R4 паяйте так, чтобы между ними и платой был зазор в 3 - 5 мм, и охлаждающий воздух свободно обдувал их со всех сторон. Охлаждение блока питания будет построено на конвекции - нагретый воздух должен уходить наверх, а на его место притекать снизу холодный. Поэтому радиатор следует располагать ребрами вертикально. Днище и крышка корпуса в районе его расположения должны быть сплошь покрыты большим количеством отверстий для прохода охлаждающего воздуха. Также некоторое количество отверстий для охлаждения должно иметься в районах расположения силового трансформатора и выпрямителей. Однако если прибор будет стоять на какой-то поверхности, то она перекроет нижние охлаждающие отверстия. Поэтому корпус должен иметь ножки высотой не менее 8 мм из резины или мягкой пластмассы, не царапающей полированную мебель.

В остальном же компоновка должна быть такой, чтобы по возможности не было необходимости в слишком длинных проводах силовых цепей. Их следует вести проводом площадью сечения никак не меньше 0,75 мм2.

Компоновка лицевой панели должна быть простой, ясной и лаконичной. Органы управления - справа, чтобы манипулируя ими правой рукой вы не закрывали расположенные слева приборы. Слева находится вольтметр, а на панели органов управления слева - ручка регулировки напряжения. Над ней - зеленый светодиод. индицирующий работу в режиме стабилизатора напряжения. Справа на панели приборов - амперметр, а на панели органов управления - ручка регулировки силы тока защиты и желтый светодиод, индицирующий работу в режиме стабилизации тока. Ручки регулировки напряжения и тока должны иметь если и не большие "клювики", то хотя бы метки своего положения. А на панели прибора под ними желательно несколько меток простейшей шкалы. Особенно под регулятором тока, хотя бы через 0,5 А, чтобы вам не приходилось каждый раз закорачивать выводы прибора для настройки тока защиты по амперметру. Кроме этого на лицевой панели находятся выходные клеммы и тумблер включения сети.

-2

Ручки по бокам лицевой панели, по типу показанного ниже болгарского блока питания серии ТЕС, также целесообразны. Они облегчают переноску блока питания, а в случае его падения - уберегут ручки управления и стекла приборов от повреждения.

-3