Добавить в корзинуПозвонить
Найти в Дзене
Везде по чуть-чуть!

Советы начинающему инженеру-конструктору.

Если бы я мог вернуться снова в молодость или кто-то подсказал, что я могу изучить данную профессию без учебных заведений, я бы пошёл по-другому пути и попробовал изучить всё сам.
Итак, я расскажу 5 моментов которые должен знать начинающий инженер-конструктор металлопроизводства в начале своей карьеры. 1) Научиться 3д-моделированию. К счастью на просторах интернета куча видеороликов и разных пошаговых заданий для создание 3д-модели. Пытаясь нарисовать разные геометрические фигуры, Вы быстро освоите любую программу 3д-моделирования. 2) Научитесь делать сборочный чертёж и чертёж детали. Если же открыть ЕСКД, Вы обнаружите там куча информаций, которая больше Вас запутает как начинающего инженера. Вам необходимо искать чертежи разных изделий и находить ответы в интернете с расположением знаков, обозначение и прочего, что придаст Вам возможность разобраться в исполнение чертежа. 3) Разберитесь какой станок может делать какую-либо операцию. Одна из главных задач инженера-конструктора выпол

Если бы я мог вернуться снова в молодость или кто-то подсказал, что я могу изучить данную профессию без учебных заведений, я бы пошёл по-другому пути и попробовал изучить всё сам.
Итак, я расскажу 5 моментов которые должен знать начинающий инженер-конструктор металлопроизводства в начале своей карьеры.

1) Научиться 3д-моделированию. К счастью на просторах интернета куча видеороликов и разных пошаговых заданий для создание 3д-модели. Пытаясь нарисовать разные геометрические фигуры, Вы быстро освоите любую программу 3д-моделирования.

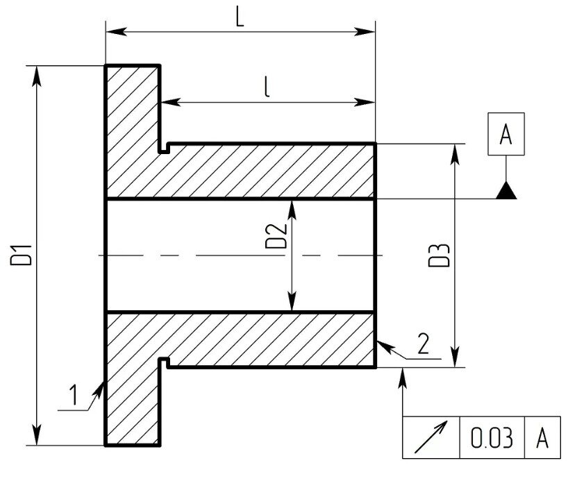
2) Научитесь делать сборочный чертёж и чертёж детали. Если же открыть ЕСКД, Вы обнаружите там куча информаций, которая больше Вас запутает как начинающего инженера. Вам необходимо искать чертежи разных изделий и находить ответы в интернете с расположением знаков, обозначение и прочего, что придаст Вам возможность разобраться в исполнение чертежа.

Чертёж
Чертёж

3) Разберитесь какой станок может делать какую-либо операцию. Одна из главных задач инженера-конструктора выполнить чертёж изделия, основываясь на производственных мощностях цеха и поэтому Вам нужно изучить возможность и работу токарного, фрезерного, гибочного и прочих станков для понимания как возможно дешевле и без ошибок выполнить какую-либо деталь

4) Научитесь знать инструменты для измерения. Очень часто в практике инженера присутствуют задачи выполнение чертежей с натуральных изделий. Вам придется потратить куча времени на выполнение чертежа снимая все необходимые размеры ( радиусы, габаритные размеры и т.д.).

3д-модель
3д-модель

5) Разберитесь в допусках и посадках. Одним из сложностей для студентов является изучение допусков и посадок. Разобравшись однажды, вы спокойно будете работать и пользоваться этими данными в своей карьере.

Ну а если это статья Вам принесла пользу, я напишу вторую часть что нужно изучить и какие программы нужно знать начинающему инженеру-конструктору.