Добавить в корзинуПозвонить
Найти в Дзене
ЭЛЕКТРИКА

Что такое ТРАНСФОРМАТОР ТОКА ? Для чего он нужен и чем опасен.

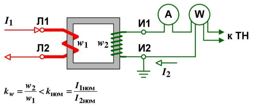
Трансформатор как электроприбор работающий в цепях переменного тока и напряжения решает ряд технических задач в электроцепях. Режим работы обычного трансформатора не позволяет контролировать изменение тока. Решает эту проблему трансформатор тока, у которого показатели вторичной цепи изменяются пропорционально величине тока первичной обмотки. ТРАНСФОРМАТОР предназначенный для преобразования тока до величины удобной и безопасной для измерения с помощью электроприборов, очень часто называют ТРАНСФОРМАТОРОМ ТОКА. Трансформаторы тока предназначены для применения в цепях учета электроэнергии для расчета с потребителями, для передачи сигналов в схемы или приборы контроля, учета и управления систем электропитания. Основная функция трансформатора тока используется именно для измерения величины сигналов, а не для активных нагрузок. Именно это и отличает обычные трансформаторы от трансформаторов тока. ВОТ ЧТО ВАЖНО ЗНАТЬ О ТРАНСФОРМАТОРАХ ТОКА Трансформатор тока, как повышающий трансформатор,

Трансформатор как электроприбор работающий в цепях переменного тока и напряжения решает ряд технических задач в электроцепях.

Режим работы обычного трансформатора не позволяет контролировать изменение тока. Решает эту проблему трансформатор тока, у которого показатели вторичной цепи изменяются пропорционально величине тока первичной обмотки.

ТРАНСФОРМАТОР предназначенный для преобразования тока до величины удобной и безопасной для измерения с помощью электроприборов, очень часто называют ТРАНСФОРМАТОРОМ ТОКА.

-2

Трансформаторы тока предназначены для применения в цепях учета электроэнергии для расчета с потребителями, для передачи сигналов в схемы или приборы контроля, учета и управления систем электропитания.

-3

Основная функция трансформатора тока используется именно для измерения величины сигналов, а не для активных нагрузок. Именно это и отличает обычные трансформаторы от трансформаторов тока.

-4

ВОТ ЧТО ВАЖНО ЗНАТЬ О ТРАНСФОРМАТОРАХ ТОКА

-5

Трансформатор тока, как повышающий трансформатор, на вторичной-измерительной обмотке может иметь весьма высокое напряжение. Измерительный трансформатор тока работает только в режиме короткого замыкания через него напрямую включают амперметр или ваттметр.

-6

Трансформаторы тока повсеместно используются для измерений в сети 220В, именно это напряжение и представляет определенную опасность при разомкнутой вторичной/измерительной обмотке.

*В это видео нет ничего о трансформаторах тока.