Добавить в корзинуПозвонить
Найти в Дзене
Старый радио любитель

Птица Обломинго прилетела ко мне на новый год.

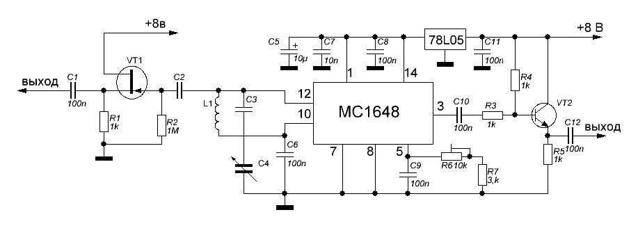
Еще до Нового года, в перерывах между украшением дома и нарезанием салатов я собрал на макетке генератор вот по этой схеме: На выходе микросхемы я поставил эмиттерный повторитель на VT2, а с контура генератора сигнал снимается через конденсатор малой емкости С2=2 пФ и истокового повторителя на VТ1. Мне интересно было посмотреть форму сигнала, в том числе и при изменении сопротивления подстроечного резистора R6. Цоколевка у микросхемы очень удобная, никаких пересекающихся проводков не недо. Подключил питание и осциллограф к выходу эмиттерного повторителя. Включил питание и ...... ничего. Я и так и эдак - на осциллографе - прямая линия. Решил упростить схему и под микросхему поставить панельку. К сожалению, ничего не изменилось, колебания не возникали ни при каком положении КПЕ. Взял катушку на керамике, намотанную посеребренным проводом. Перепробовал все имеющиеся микросхемы - ни одна не завелась .... : (( А ведь должна - вот к примеру схемка из сети с похожим генератором. А вот другая

Еще до Нового года, в перерывах между украшением дома и нарезанием салатов я собрал на макетке генератор вот по этой схеме:

Рис. 1.
Рис. 1.

На выходе микросхемы я поставил эмиттерный повторитель на VT2, а с контура генератора сигнал снимается через конденсатор малой емкости С2=2 пФ и истокового повторителя на VТ1. Мне интересно было посмотреть форму сигнала, в том числе и при изменении сопротивления подстроечного резистора R6.

Рис. 2.
Рис. 2.

Цоколевка у микросхемы очень удобная, никаких пересекающихся проводков не недо.

Подключил питание и осциллограф к выходу эмиттерного повторителя. Включил питание и ...... ничего. Я и так и эдак - на осциллографе - прямая линия. Решил упростить схему и под микросхему поставить панельку.

Рис. 3.
Рис. 3.
Рис. 4.
Рис. 4.

К сожалению, ничего не изменилось, колебания не возникали ни при каком положении КПЕ. Взял катушку на керамике, намотанную посеребренным проводом.

Рис. 5.
Рис. 5.

Перепробовал все имеющиеся микросхемы - ни одна не завелась .... : ((

А ведь должна - вот к примеру схемка из сети с похожим генератором.

Рис. 6.
Рис. 6.

А вот другая схема.

Рис. 7.
Рис. 7.

На этой схеме указано напряжение на выводе 10. Я померил на своей и получил всего от 0,45 до 0,62 на разных экземплярах микросхем. Видимо, это очередная шутка дядюшки Хо. Но выписал еще микросхему, может в повезет.

Всем здоровья и успехов!

Птицы
1138 интересуются