Найти в Дзене
Всякое

Переключатель световых эффектов

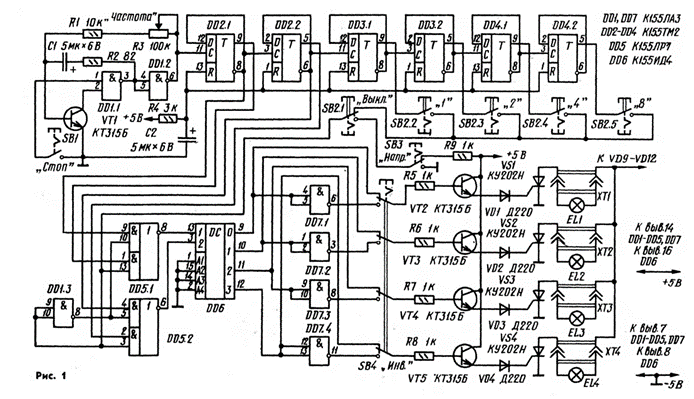
Автоматический переключатель световых эффектов (по материалам журнала Радио № 3 за 1986 год) Схема этого устройства была опубликована в журнале Радио в 1986 году. Устройство собрано на микросхемах К155ЛА3, К155ИД4, К155ЛР1, К155ТМ2, которые выпускались с начала 1970-х годов (даже с конца 60-х) до 1997 года, а некоторые, как говорят, выпускаются и сейчас. В схеме также используются транзисторы КТ315 и тиристоры КУ202. Схема не потеряла актуальность, т. к. все детали можно найти и сегодня, и стоят они недорого. Используя современный блок питания, переключатели и некоторые другие элементы, можно существенно уменьшить габариты устройства. Этот автомат световых эффектов имеет режимы бегущего огня и бегущей тени, позволяет переключать направление бегущего огня или бегущей тени вручную или автоматически через заданное число циклов (1, 2, 4, 8 циклов), позволяет регулировать скорость мигания. Также, с его помощью можно играть в игру "угадай цвет". Для этого выставляют максимальную частоту мига

Автоматический переключатель световых эффектов

(по материалам журнала Радио № 3 за 1986 год)

Схема этого устройства была опубликована в журнале Радио в 1986 году.

Устройство собрано на микросхемах К155ЛА3, К155ИД4, К155ЛР1, К155ТМ2, которые выпускались с начала 1970-х годов (даже с конца 60-х) до 1997 года, а некоторые, как говорят, выпускаются и сейчас.

Микросхемы серии К155
Микросхемы серии К155

В схеме также используются транзисторы КТ315 и тиристоры КУ202.

Тиристоры КУ202Н
Тиристоры КУ202Н

Схема не потеряла актуальность, т. к. все детали можно найти и сегодня, и стоят они недорого. Используя современный блок питания, переключатели и некоторые другие элементы, можно существенно уменьшить габариты устройства.

Общий вид устройства, собранного в 90-х годах
Общий вид устройства, собранного в 90-х годах

Этот автомат световых эффектов имеет режимы бегущего огня и бегущей тени, позволяет переключать направление бегущего огня или бегущей тени вручную или автоматически через заданное число циклов (1, 2, 4, 8 циклов), позволяет регулировать скорость мигания.

Также, с его помощью можно играть в игру "угадай цвет". Для этого выставляют максимальную частоту мигания, и нужно угадать, какой цвет останется гореть после нажатия кнопки «Стоп».

Автомат можно использовать для оформления фасадов, залов и новогодних елок. Он работает как с лампами накаливания, так и с современными светодиодными лампами (на видео работает с гирляндами из светодиодных ламп на 220 В).