Добавить в корзинуПозвонить
Найти в Дзене
3D CAD модели & Чертежи

Чертеж корпуса съемника цангового

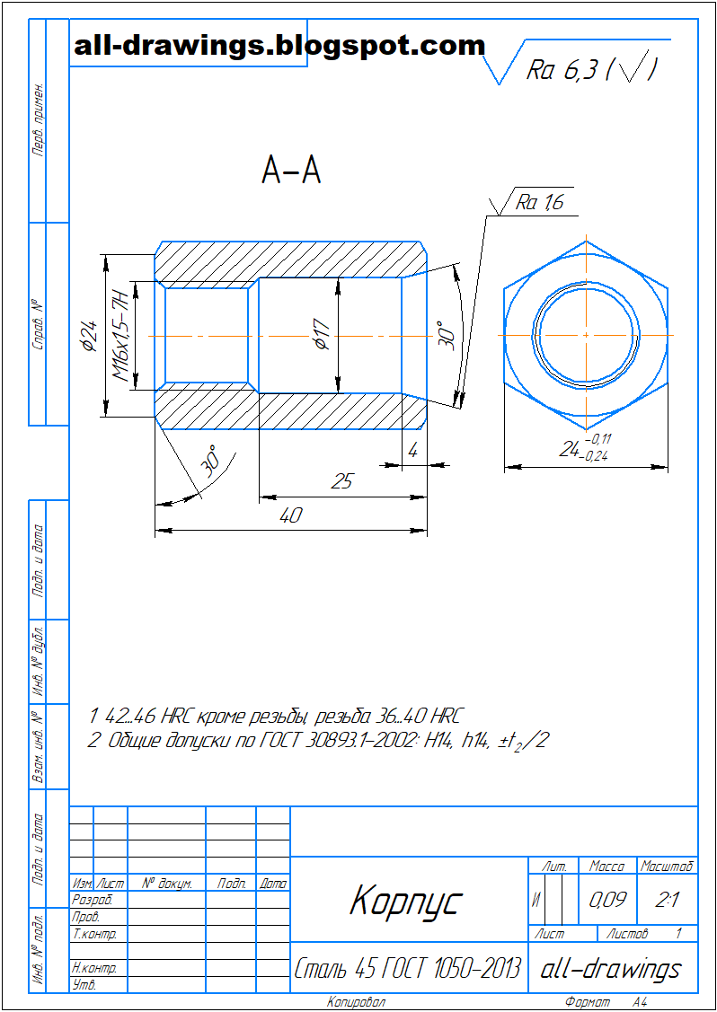
Корпус входит в состав конструкции цангового съемника предназначенного для съема тонких и хрупких деталей в стесненных условиях. Чертежи съемника цангового Чертеж цанги для съемника
Оглавление

Корпус входит в состав конструкции цангового съемника предназначенного для съема тонких и хрупких деталей в стесненных условиях.

Чертежи съемника цангового

Чертеж цанги для съемника

Чертеж корпуса съемника цангового
Чертеж корпуса съемника цангового
Чертеж корпуса съемника цангового