Найти в Дзене

Основы информационной электроники. Введение.

Итак, начнём! И первая тема, которую хотелось бы затронуть - электроника. Что это такое и какие функции она выполняет
Электроника – это область науки и техники, которая занимается изучением физических основ функционирования, исследованием, разработкой и применением приборов, принцип действия которых основан на протекании электрического тока в вакууме, газе, в твердом теле. Такими приборами являются: электронные приборы (ток в вакууме), ионные приборы (ток в газе), полупроводниковые приборы. В настоящее время наиболее распространены полупроводниковые приборы.
Часть электроники, занимающаяся вопросами применения различных приборов, называется промышленной электроникой. Она разделяется на два направления: 1. Информационная электроника – занимается вопросами управления различными процессами. К устройствам информационной электроники относятся: аналоговые усилители и преобразователи сигналов, генераторы сигналов, оптоэлектронные устройства, логические элементы, цифровые устройства, микропро

Итак, начнём! И первая тема, которую хотелось бы затронуть - электроника. Что это такое и какие функции она выполняет
Электроника – это область науки и техники, которая занимается изучением физических основ функционирования, исследованием, разработкой и применением приборов, принцип действия которых основан на протекании электрического тока в вакууме, газе, в твердом теле. Такими приборами являются: электронные приборы (ток в вакууме), ионные приборы (ток в газе), полупроводниковые приборы. В настоящее время наиболее распространены полупроводниковые приборы.

Часть электроники, занимающаяся вопросами применения различных приборов, называется промышленной электроникой. Она разделяется на два направления:

1. Информационная электроника – занимается вопросами управления различными процессами. К устройствам информационной электроники относятся: аналоговые усилители и преобразователи сигналов, генераторы сигналов, оптоэлектронные устройства, логические элементы, цифровые устройства, микропроцессорные системы. Они предназначены для измерения, обработки, передачи, хранения и отображения информации.

2. Энергетическая (силовая) электроника – занимается преобразованием параметров электроэнергии. К устройствам энергетической электроники относятся: выпрямители, инверторы, преобразователи частоты, регуляторы напряжения.

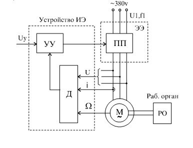
В качестве примера на рисунке представлена структура электропривода с асинхронным двигателем АД, где устройство управления УУ и система датчиков Д относятся к устройствам информационной электроники, а полупроводниковый преобразователь электроэнергии, именуемый частотным преобразователем, ПП - к устройствам силовой электроники.

Структура электропривода
Структура электропривода

Начало развития электроники можно отнести к началу 20 века, когда в 1904 г. англичанин Д.Флеминг создал первую электронную лампу (диод).

Диод и его УГО. Это классика. Это знать надо
Диод и его УГО. Это классика. Это знать надо

В 1906 г. американец Л.Форест, введя в диод управляющий электрод, получил триод, способный усиливать и генерировать электрические колебания.

Схема триода. Элемент допотопный, поэтому можно не запоминать
Схема триода. Элемент допотопный, поэтому можно не запоминать

В России первую электронную лампу создал в 1914 г. Н.Д.Папалекси.

В 30-х годах началось активное изучение полупроводниковых материалов с целью их использования в электронике. Большой вклад в решение этой проблемы внесли теоретические работы советских физиков, возглавляемых академиком А.Ф.Иоффе.

В 1948 г. американскими учеными был изобретен первый полупроводниковый усилительный прибор – биполярный транзистор. Аналогичные приборы несколько позже разработали советские ученые А.В.Красилов и С.Г. Мадоян.

-5

Обладая существенными преимуществами по сравнению с электронными лампами, транзисторы обусловили бурное развитие полупроводниковой электроники. Применение транзисторов в сочетании с печатным монтажом позволило получить малогабаритные электронные устройства с относительно малым потреблением электроэнергии.

В 1957 г. фирмой General Electric был создан тиристор.

В 1958 г. появился первый полевой транзистор.

Тиристор. тиристор = 2 диода, но с этим разберёмся чуть позже
Тиристор. тиристор = 2 диода, но с этим разберёмся чуть позже
Краеугольный камень развития силовой электроники - полевой транзистор
Краеугольный камень развития силовой электроники - полевой транзистор

Дальнейший скачок в развитии электроники стал возможен с появлением интегральных микроэлектроных схем. Первая интегральная микросхема была анонсирована в 1959 г. американцем Килби. Интегральная микросхема (ИС) – это электронное устройство, элементы которого изготовляются в едином технологическом цикле, т.е. одновременно, на едином основании - подложке.

Венец творения человека - интегральная микросхема
Венец творения человека - интегральная микросхема

Промышленный выпуск ИС был начат в начале 60-х годов. Первая цифровая интегральная микросхема ТТЛ-логики появилась в 1961 г., первый интегральный операционный усилитель mA709 был разработан в 1964 г. двадцатичетырехлетним американским ученым Р. Видларом (спустя два года после окончания университета, где он получил степень бакалавра). Все это способствовало бурному прогрессу в развитии информационной электроники и микроминиатюризации электронных устройств. Эти тенденции получили еще большее развитие с появлением больших (БИС – 1969 г.), а затем и сверхбольших (СБИС – 1975 г.) интегральных микросхем, которые позволили разработать и внедрить во все сферы деятельности человека микроЭВМ. Основным элементом в таких ЭВМ стал микропроцессор – СБИС, содержащая десятки и сотни тысяч элементов на одном кристалле. Первый четырехразрядный микропроцессор был изготовлен фирмой Intel в 1971 г., а на следующий год - восьмиразрядный.

В настоящее время интегральные микросхемы и дискретные полупроводниковые приборы стали основной элементной базой современных устройств промышленной электроники. Совместно с ними применяются резисторы, конденсаторы, дроссели.

И это далеко не все полупроводниковые элементы, которые существуют на нынешний день. Каждый из них мы разберём более детально в последующих, отдельно посвящённых статьях, со всеми характеристиками, схемами подключений и задачами, которые они выполняют. До скорых встреч!