Найти в Дзене
Паяльник

Активный щуп для осциллографа FNIRSI

Сразу начну с главного: это щуп для осциллографа FNIRSI и налаживался он именно на FNIRSI и я понятия не имею будет ли он работать с другими осциллографами. FNIRSI я купил не от хорошей жизни. С одной стороны у меня нет нужды в дорогом аппарате, с другой стороны, из за проблем со зрением, маленькие экраны мне не походят. То есть мне был нужен недорогой осциллограф с большим экраном. В эти условия укладывалась одна единственная модель - FNIRSI1013D Через некоторое время эксплуатации я обнаружил, что во первых - у этого осциллографа достаточно большая входная ёмкость, во вторых - невысокая чувствительность. При снижении входного сигнала ниже 30-ти милливольт картинка пропадала, заменяясь прямой линией. Естественно сразу же возникла мысль собрать активный щуп с малой входной ёмкостью и обеспечивающий усиление хотя бы раза в три ( в идеале - в 10 ). Так как мои интересы лежат в сфере коротких волн, мне был нужен щуп обеспечивающий более-менее линейную характеристику на частотах от 400 кГц

Сразу начну с главного: это щуп для осциллографа FNIRSI и налаживался он именно на FNIRSI и я понятия не имею будет ли он работать с другими осциллографами.

FNIRSI я купил не от хорошей жизни. С одной стороны у меня нет нужды в дорогом аппарате, с другой стороны, из за проблем со зрением, маленькие экраны мне не походят. То есть мне был нужен недорогой осциллограф с большим экраном. В эти условия укладывалась одна единственная модель - FNIRSI1013D

Через некоторое время эксплуатации я обнаружил, что во первых - у этого осциллографа достаточно большая входная ёмкость, во вторых - невысокая чувствительность. При снижении входного сигнала ниже 30-ти милливольт картинка пропадала, заменяясь прямой линией.

Естественно сразу же возникла мысль собрать активный щуп с малой входной ёмкостью и обеспечивающий усиление хотя бы раза в три ( в идеале - в 10 ). Так как мои интересы лежат в сфере коротких волн, мне был нужен щуп обеспечивающий более-менее линейную характеристику на частотах от 400 кГц до 30 МГц. Так же для меня являлось принципиальным условием, чтобы щуп питался от батарейки.

Я провёл активные поиски в интернете и собрал несколько схем на макетной плате. Фактически не подходящими для использования оказались все. У некоторых схем транзисторы загонялись в режим большого потребления тока. Например в самой известной схеме на BF998 транзистор потребляет 30 миллиампер, а это его предельная нагрузка. Некоторые схемы давали очень нелинейную АЧХ. У некоторых схем АЧХ была подходящая, но очень сильно менялась в зависимости от напряжения питания. Ну то есть вот очень сильно - 0.1 вольта туда, 0.1 вольта сюда и - всё уползло. А даже интегральные стабилизаторы слегка меняют выходное напряжение в зависимости от входного. Как раз в пределах нескольких десятых вольта. Параметрический стабилизатор на стабилитроне может "гулять" до полувольта. И почти все, представляемые в интернете, схемы активных щупов имеют коэффициент усиления в районе единицы, а то и отрицательный, о чем авторы честно предупреждают. Вызывала интерес схема на зарубежном широкополосном операционном усилителе, но цена этой микросхемы сопоставима с ценой осциллографа.

В итоге пришлось пытаться что-то изобрести самому. Результат экспериментов представлен на схеме.

От истокового или эмиттерного повторителя на входе пришлось отказаться, так как ВНЕЗАПНО выяснилось что у истоковых/эмиттерных повторителей существует завал по низким частотам и это - нормально.
Все схемы с истоковыми повторителями на входе давали изумительную, линейную АЧХ... с провалом ниже 1 МГц. Схемы с общим истоком, наоборот задирали низы и "падали" к верхам. Проблему удалось решить схемой с общим истоком и динамической нагрузкой. Динамическую нагрузку можно сделать и на NPN транзисторе ( коллектор на плюс ) и на PNP транзисторе ( эмиттер на плюс ). PNP даёт лучшие результаты.

Городить усилитель "на рассыпухе" не хотелось, поэтому я озаботился поиском широкополосной микросхемы, которая при этом бы не стоила дороже осциллографа. Я находил внутренние схемы микросхем-усилителей радио-частот и прикидывал можно ли их использовать для моей задачи - то есть широкополосный усилитель без колебательных контуров на входе и выходе. По итогам поиска я приобрёл несколько микросхем и прогнал их на макетке. Неожиданно, одна из них дала просто замечательный результат.

Здесь хотелось бы сделать лирическое отступление и рассказать об этой микросхеме, потому что в интернете о ней информации практически нет, только скан паспорта, и в том - ошибка ( неверно указан номер вывода питания ). Уже одно только то, что благодаря всей этой истории я "открыл для себя" эту микросхему окупило все труды. Итак к174УР10. Цена в разных магазинах от 40 до 100 рублей (на 2023-й год). Микросхема представляет собой компенсирующий усилитель промежуточной частоты. Предназначена для усиления сигналов промежуточных частот изображения и звука, компенсации ослабления сигнала в фильтрах сосредоточенной селекции. Внутри - дифференциальный усилитель, подпёртый токовым зеркалом и с эмиттерными повторителями на выходе. Заявленная полоса пропускания - до 60-ти мегагерц. Минимальная нагрузка - 200 Ом. Один вход, и два выхода - инвертирующий и неинвертирующий.

Типовое включение не требует дополнительных деталей, кроме входного конденсатора, всё - внутри. Очень жаль, что у этой микросхемы нет промежуточных выходов до эмиттерных повторителей, если б были, то эту микросхему смело можно было бы причислять к категории "вещи века". Микросхема идеальна в качестве буферного усилителя высокой частоты. То есть её можно использовать в любом месте приёмника - в УВЧ, в УПЧ, в АРУ, в ГПД и т. д. Конечно, из за эмиттерных повторителей, невозможно подключить колебательный контур с выходов на землю или на плюс питания. Но контур вполне можно включить между выходами, просто контур должен быть трансформаторного типа, то есть - двойной. Одинарный или автотрансформаторного типа, увы - никак. Ну а с пьезокерамическими фильтрами она вообще будет работать идеально, так как для них и создавалась. Возможно удастся построить на базе этой микросхемы генератор, еще не пробовал, но попробую обязательно. Фактически, можно сделать высокочастотный тракт приёмника на одних только к174ур10, ну кроме смесителя.

Я долго экспериментировал на макетке, контролируя результат на осциллографе и NanoVNA. Порой, когда теоретических знаний не хватало, делал изменения в режиме "а что будет, если ?"

По итогам получилась схема с АЧХ в виде дуги. На низах спад усиления из за эмиттерных повторителей микросхемы, на верхах - потери на кабеле. Тем не менее, на низах и верхах общий коэффициент усиления схемы около 4-х, а в середине - около 6-ти, что в принципе меня устраивает. Теперь я вполне вижу на экране моего FNIRSI сигналы амплитудой 5 милливольт, не внося, при этом, искажений в измеряемую схему, что уже неплохо.

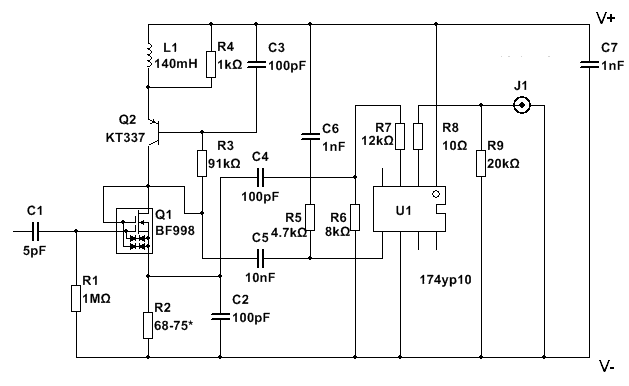
По схеме:
R1 - стандартное решение - сопротивление утечки затвора.
R2-С2 задают АЧХ первого каскада
Дроссель L1 препятствует "убеганию" токов высокой частоты через питание. Можно использовать готовый фабричный дроссель, пока я гонял схему на макетке я так и делал. Потом намотал 22 витка на ферритовом колечке. Индуктивность проверял с помощью LCR-тестера и NanoVNA. R4 снижает добротность дросселя, исключая резонанс на какой то одной конкретной частоте. Цепочка R5-C6 слегка ослабляет усиление на середине АЧХ. Если уменьшить R5 то усиление начинает падать на всей протяжённости АЧХ. Так как первый каскад инвертирует сигнал, полезный сигнал снимается с инвертирующего же выхода микросхемы ( минус на минус даёт плюс ). R9 подобран по лучшей АЧХ без искажения сигнала. Чем больше R9, тем ровнее АЧХ, но на высоких частотах сигнал начинает искажаться. R8 - страховка от самовозбуда эмиттерного повторителя. На неинвертирующий выход подключен делитель R6-R7 с которого , через конденсатор C5 снимается сигнал ООС, опять таки для предотвращения самовозбуда. Значения R6-R7 выбраны так, чтобы общее сопротивление было равно R9 для равномерной нагрузки обоих выходов. Соотношение выяснено экспериментально и равно 40% на 60% от общего сопротивления.

Особенно тщательно надо подбирать R2. У него пара ом туда, пара Ом сюда - меняют многое. У меня в процессе экспериментов с подстроечным резистором получилось 70 Ом. Я перебрал все свои запасы резисторов на 68 Ом и на 75 Ом, проверяя их мультиметром, пока не нашёл резистор 70.5 Ома.
Как вариант можно просто впаять подстроечник на 100 Ом.

Точно так же подбирался R6, хотя, подозреваю, что это уже - излишество и можно применить стандартный номинал 8.2 ком. Но я, на всякий случай, подобрал.

В качестве Q1 я пробовал КП306 КП350 J310 и BF998. Работают все, но лучший результат дал BF998. В качестве Q2 я пробовал КТ361 КТ337 КТ3126. Работают все, но лучший результат дал КТ337. Как показала практика КТ337 сильно различаются даже в пределах одной буквы, хорошо что купил десяток. Было из чего выбрать.

Схема питается от 9-ти вольт и сохраняет работоспособность при понижении напряжения питания до 7-ми вольт. Потребление - 25 миллиампер.

Разные кабели дают разные потери на высоких частотах. Предсказуемо лучшим оказался РК-50 производства СССР. На втором месте РК-50 российского производства. Китайский кабель не стоит потраченных на него денег и времени.

-2

Ещё раз отмечаю, что это щуп для осциллографа FNIRSI и налаживался он именно на FNIRSI и я понятия не имею будет ли он работать с другими осциллографами.

Lay6 платы прилагаю.

Прикрепленные файлы:

Автор: GSXR