Добавить в корзинуПозвонить
Найти в Дзене
Дачный СозонТ

Блок высокого напряжения для электростатической коптильни, схема, нюансы. Вариант с катушкой зажигания

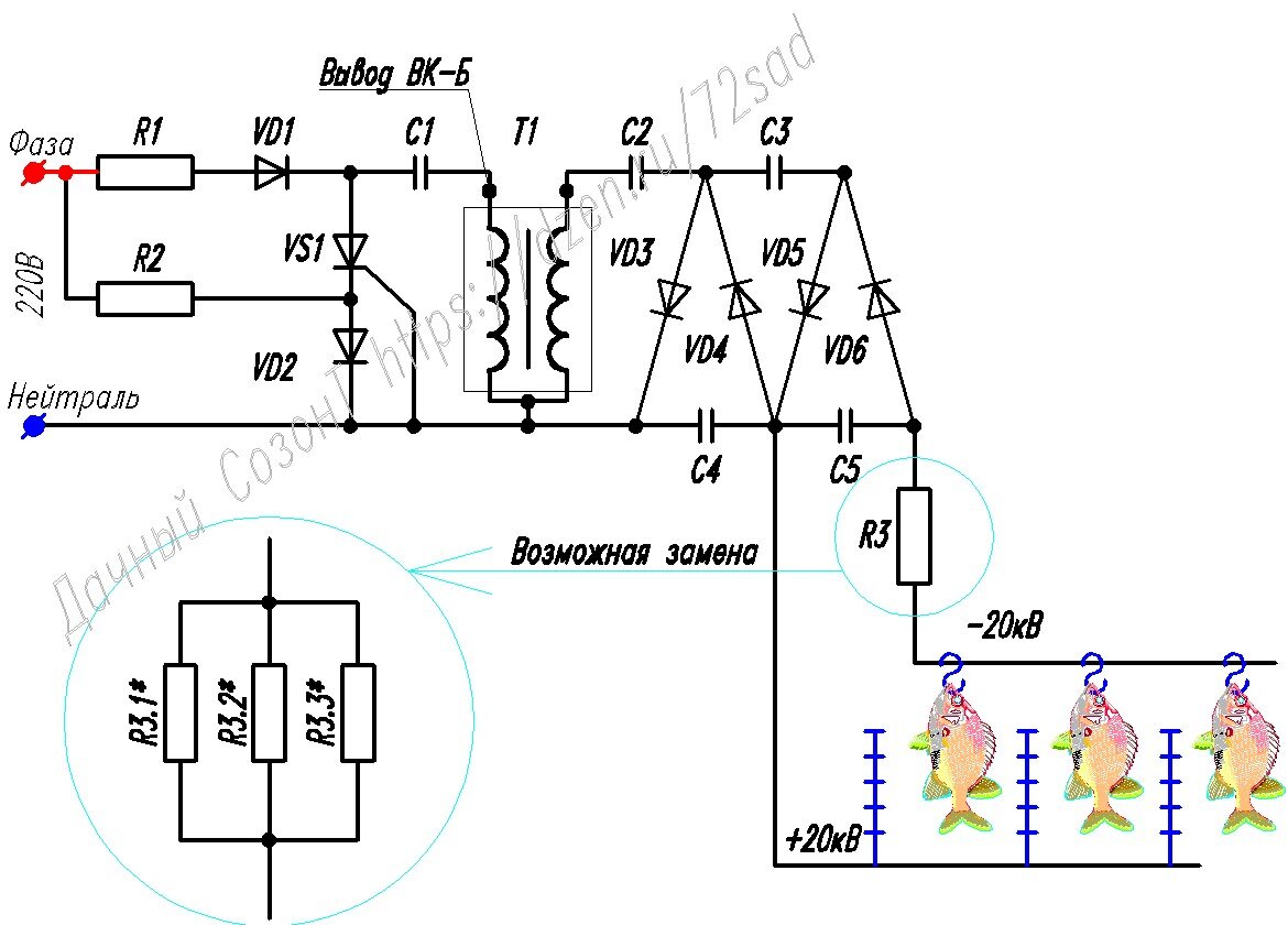
Снова предупреждаю, всё здесь написанное – мои собственные мысли, не претендующие на научно-техническую новизну, точность процессов и определений. Ну и товарищам секты ТБ напоминаю, соблюдайте осторожность, ВНИМАНИЕ! Высокое напряжение! Вся подборка по копчению тут. В этой подборке вы найдете материал с изменениями, испытаниями, измерениями. В этот сезон доделать коптилку не успел. Осталось совсем немного, но так и не успел «дать дымок». В планах, начать с вяленья креветок, а далее по нарастающей. Изначальная схема была взята с ресурса указанного на чертеже (схеме). Но почему-то в сети нет анализа работы этой сборки, а, как известно, дьявол кроется в деталях, а с деталями особо разбираться никто не хочет. Итак, изначально резистор R2 основательно перегревался, и был заменен на 10-ваттный следующего типа. Далее, чтобы подсоединится к катушке - нужен свечной колпак. Также были приобретены силиконовые провода на 20кВ. Схема собрана на куске пластика вырезанного из 20-литровой кан
-2
-3
-4

Снова предупреждаю, всё здесь написанное – мои собственные мысли, не претендующие на научно-техническую новизну, точность процессов и определений.

Ну и товарищам секты ТБ напоминаю, соблюдайте осторожность, ВНИМАНИЕ! Высокое напряжение!

Вся подборка по копчению тут.

В этой подборке вы найдете материал с изменениями, испытаниями, измерениями. В этот сезон доделать коптилку не успел. Осталось совсем немного, но так и не успел «дать дымок».

В планах, начать с вяленья креветок, а далее по нарастающей.

Изначальная схема была взята с ресурса указанного на чертеже (схеме).

Но почему-то в сети нет анализа работы этой сборки, а, как известно, дьявол кроется в деталях, а с деталями особо разбираться никто не хочет.

Итак, изначально резистор R2 основательно перегревался, и был заменен на 10-ваттный следующего типа.

-5

Далее, чтобы подсоединится к катушке - нужен свечной колпак.

Также были приобретены силиконовые провода на 20кВ.

-6

Схема собрана на куске пластика вырезанного из 20-литровой канистры.

После испытания все винтовые соединения протягиваются и герметизируются термоклеем.

Нагрузочный резистор (вариатор), который идет с катушкой был убран.

-7

Питание на схему будет подавать циклично, с помощью реле времени.

Схему в ПДФ можно скачать тут.

Продолжение следует…

Ссылки:

Группа по ТГВ в ВК тут.

Группа по огороду, постройкам и домоводству в ВК тут.

Телеграмм по ТГВ тут

Канал РУТУБА

Телеграмм по даче

Поддержать автора финансово

Спасибо за внимание!

#копчение

#коптильня электростатическая своими руками