Добавить в корзинуПозвонить
Найти в Дзене
ЖИЗНЬ НЕ ЗА ГОРАМИ

СВЧ фазовращатель

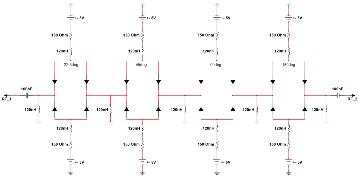
Захотелось разработать микрополосковый фазовращатель на диодах, производимых на предприятии (НПП ТЭЗ), на котором работаю. Прочитал статьи, узнал основную схемотехническую идею. В общем смысл таков: используя переключательные PIN-диоды "направлять" СВЧ сигнал по одному из двух направлений различной электрической длины и таким образом "накапливать" фазовый сдвиг. Таких узлов-ячеек, как на рисунке, обычно делается несколько, отличаются длины кратно, например на: 22.5°, 45°, 90°, 180°. Комбинируя эти сдвиги можно получить любой фазовый сдвиг в интервале 0..360 с шагом, равным минимальному сдвигу (в данном примере - 22.5°) В общем, я выбрал частоту 1 ГГц, "наши" бескорпусные PIN-диоды 2А553 (С = 0.02пФ и R = 2.5Ом) и стал моделировать в AWR. Ниже привожу электрическую схему в Multisim, поскольку там красивее рисуется. +- 5В означает, что если на верхнем +5В, то на нижнем -5В и наоборот. Это для того чтобы открыть/запереть нужную пару диодов. Резисторами ограничиваю ток (порядка 15мА через

Захотелось разработать микрополосковый фазовращатель на диодах, производимых на предприятии (НПП ТЭЗ), на котором работаю. Прочитал статьи, узнал основную схемотехническую идею.

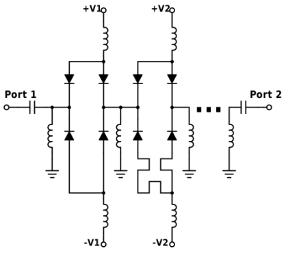
В общем смысл таков: используя переключательные PIN-диоды "направлять" СВЧ сигнал по одному из двух направлений различной электрической длины и таким образом "накапливать" фазовый сдвиг.

Таких узлов-ячеек, как на рисунке, обычно делается несколько, отличаются длины кратно, например на: 22.5°, 45°, 90°, 180°. Комбинируя эти сдвиги можно получить любой фазовый сдвиг в интервале 0..360 с шагом, равным минимальному сдвигу (в данном примере - 22.5°)

В общем, я выбрал частоту 1 ГГц, "наши" бескорпусные PIN-диоды 2А553 (С = 0.02пФ и R = 2.5Ом) и стал моделировать в AWR. Ниже привожу электрическую схему в Multisim, поскольку там красивее рисуется.

-2

+- 5В означает, что если на верхнем +5В, то на нижнем -5В и наоборот. Это для того чтобы открыть/запереть нужную пару диодов. Резисторами ограничиваю ток (порядка 15мА через открытый диод). Дальше рисую топологию с нужными электрическими длинами на частоте 1 ГГц. Материал выбрал обычный - FR-4 (Eps = 4.6).

-3

В качестве решателя я использовал 2.5D AXIEM, сетка средней точности.

-4

Изначально я моделировал кусками, чтобы идеально точно подогнать разницу длин полосков под требуемую электрическую длину, а потом объединил вместе. Результаты моделирования показывать не буду, они не сильно наглядны, просто смотрел на разницу фаз.

Заказал в Резоните платы (получились 64x41мм) - 5шт. за 3200р. Спаял, сделал тумблеры для переключения подачи напряжения. Получилось так.

-5

После сборки и калибровки векторного анализатора первым делом решил посмотреть потери (я за них не бился - просто интересно было). В итоге получилось 2 дБ, учитывая не очень СВЧовый материал FR4 и 8 последовательных диодов с сопротивлением 2-2.5Ом это не так плохо.

-6

Ну а затем самое главное - измеряем разницу фаз. Результат показываю в таблице и на графике ниже.

-7
-8

Наибольшее отклонение - 4.9°. Можно отследить, что участки 90° и 180° получились почти идеальными (отклонение < 0.2°). Соответственно, в следующей итерации можно подправить только 22.5° (1° отклонения) и 45° (1.65° отклонения).