Найти в Дзене
Старый радио любитель

Небольшой анализ первых смесителей приемников.

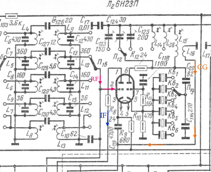
Если отбросить УВЧ, то такие основные характеристики приемного тракта, как чувствительность и динамический диапазон, зависят в основном от смесителя. Ведь смеситель не только должен осуществлять взаимодействие полезного сигнала и гетеродина, но и обладать свойством подавлять сигнал гетеродина на выходе и на входе, а также различные побочные продукты из взаимодействия. При этом потери полезного сигнала в процессе преобразования должны быть минимальны, также, как и собственные шумы смесителя. Давайте посмотрим на различные смесители и сравним их характеристики. Начнем с ламп. Там применялись односеточные (полезный сигнал и сигнал гетеродина подавались на одну управляющую сетку), двухсеточные (полезный сигнал и сигнал гетеродина подавались на разные сетки), а также, гораздо реже, смесители, у которых полезный сигнал подавался на управляющую сетку, а сигнал гетеродина - на катод. Примером двухсеточного смесителя может быть смеситель трансивера SWAN-350/ Здесь сигнал подается на третью сетк

Если отбросить УВЧ, то такие основные характеристики приемного тракта, как чувствительность и динамический диапазон, зависят в основном от смесителя. Ведь смеситель не только должен осуществлять взаимодействие полезного сигнала и гетеродина, но и обладать свойством подавлять сигнал гетеродина на выходе и на входе, а также различные побочные продукты из взаимодействия. При этом потери полезного сигнала в процессе преобразования должны быть минимальны, также, как и собственные шумы смесителя.

Давайте посмотрим на различные смесители и сравним их характеристики.

Начнем с ламп. Там применялись односеточные (полезный сигнал и сигнал гетеродина подавались на одну управляющую сетку), двухсеточные (полезный сигнал и сигнал гетеродина подавались на разные сетки), а также, гораздо реже, смесители, у которых полезный сигнал подавался на управляющую сетку, а сигнал гетеродина - на катод. Примером двухсеточного смесителя может быть смеситель трансивера SWAN-350/

Рис. 1.
Рис. 1.

Здесь сигнал подается на третью сетку гептода, а колебания гетеродина - на первую сетку. Ее входное сопротивление велико и, поэтому не требует высокой мощности гетеродина.

В легендарном UW3DI применен наиболее редкий вариант - с подачей колебаний гетеродина в цепь катода, а так как эта цепь относительно низкоомная, то и подача напряжения гетеродина производится от катушки связи гетеродина.

Рис. 2.
Рис. 2.

Если динамика SWAN-350 мне не известна, то для UW3DI данные есть. Она не поражает (ДД по блокированию 92 дБ, по ИМ3 (интермодуляция третьего порядка) - 85 дБ). Думаю, такого же порядка был ДД и у импортных Kenwood, YEASU и т.д. Ни разу в схемах 50-х - 70-х годов я не видел ламповый балансный смеситель.

Небалансные смесители использовались и с появлением и распространением полупроводников. Так, например, в тракте KENWOOD TS-520 использовались небалансные смесители на двухзатворных транзисторах. На один затвор подавался полезный сигнал. на другой затвор - сигнал гетеродина. Оба входа высокоомные.

Рис. 3.
Рис. 3.

Данных о динамике нет, чувствительность - 0,25 мкВ. Блок - схема этого аппарата напоминает UW3DI с переменной первой ПЧ и первым гетеродином с кварцевой стабилизацией частоты. Только первая ПЧ - от 8,895 до 8,295 МГц, вторая - 3,395 МГц.

Небалансный смеситель использовал в своем приемнике и трансивере Я.С. Лаповок (UA1FA). В трансивере на 160м он использует смеситель на КП303Б.

Рис. 4.
Рис. 4.

В приемнике и трансивере, описанных в его знаменитой книге "Я строю КВ - радиостанцию" (1992г) , он применяет похожие смесители на транзисторах КП307.

Рис. 5. Первый и второй смеситель.
Рис. 5. Первый и второй смеситель.

Все эти смесители - активные, т.е. кроме роли смесителя они выполняют роль усилителя. Это хорошо, но усиливается не только полезный сигнал, но и собственные шумы транзисторов. Поэтому в большинстве как промышленных, так и самодельных приемников и трансиверов используются балансные смесители.

Балансные смесители отличаются тем, что входной сигнал и шумы транзисторов приходят на нагрузку в противофазе и взаимно подавляют друг друга. Поэтому как вход смесителя, так и выход должны быть симметричными. Активные балансные смесители применялись в приемнике YEASU- FRG-100, который производился с 1993 по 2000 гг..

Рис. 6.
Рис. 6.

На входе фазовращающий трансформатор, на выходе - контур с отводом от середины. Следует отметить, что в этом приемнике и во всех, описанных выше конструкциях, колебания гетеродина имеют синусоидальную форму. В этом приемнике для получения чистой синусоиды на выходе усилителя ГПД установлен ФНЧ (синий пунктир), активно подавляющий гармоники. Чувствительность приемника - 0,25 мкВ.

Похожий активный балансный смеситель используется и в KENWOOD TS-430.

Рис. 7.
Рис. 7.

Но в отличии от предыдущего, здесь есть элемент балансировки - переменный резистор в цепях стока. ПЧ I - 48.055 МГц. И этот трансивер выпускался с 1983 - до начала 90-х. И был очень популярен.

Оригинальный балансный смеситель на 590КН8А использован в любительском трансивере DM2000.

Рис. 8.
Рис. 8.

Сборка 590КН8А содержит 4 полевых транзистора, в смесителе они включены по два параллельно.

Еще более интересна схема смесителя трансивера YES-98. Он выполнен на мощных полевых транзисторах КП903. Я в начале не мог понять, а зачем столько транзисторов вокруг смесителя? Оказывается это формирователь противофазных сигналов гетеродина, собраная на очень малошумящих транзисторах КТ368 и КП327.

Рис. 9.
Рис. 9.

А потом я увидел очень тонкую хитрость: КП327 включены в цепь АРУ, т.е. имеет место регулирование уровня сигнала гетеродина в зависимости от уровня сигнала в режиме RX.

А существуют балансные смесители на двухзатворных транзисторах? Да, есть и такие, например, в синтезаторе трансивера TS2000.

Рис. 10.
Рис. 10.

И входной сигнал, и сигнал гетеродина подаются через фазовращающие трансформаторы на первый и второй затворы, а вот нагрузка несимметричная.

Следующим шагом было использование двухбалансных активных смесителей на 4-х активных элементах. Такой применен в IC-718 фирмы ICOM. Приемный тракт с преобразованием "вверх":

Рис. 11.
Рис. 11.

Первая ПЧ очень высокая - 64,455 МГц, соответственно и в качестве гетеродина - синтезатор и на выходе у него не чистый синус.

Рис. 12.
Рис. 12.

Обратите внимание, что так как смеситель двубалансный, то и сигнал гетеродина подается на плечи смесителя в противофазе через симметрирующий трансформатор включенного в цепи истоков транзисторов. Таким образом, на нагрузке сигнал гетеродина будет подавлен.

Ну, и нельзя забыть о смесителях Владимира Владимировича Дроздова (RA3AO).

Рис. 13.
Рис. 13.

У него проблема получения противофазного напряжения гетеродина решена очень по современному: с помощью логического элемента К500ЛМ109. Сравните с рис. 9. Использование в качестве ключей транзисторов средней мощности при достаточно больших токах позволило получить динамический диапазон более 110 дБ.

Такой же динамический диапазон имеет и смеситель на полевых транзисторах средней мощности КП905.

Рис. 14.
Рис. 14.

В этом случае для усиления сигнала с выходов логического элемента используются транзисторы средней мощности КТ610

Теперь о пассивных смесителях, которые сейчас почти полностью. В своих книгах широко известный Э. Рэд даже не рассматривал активные смесители, о только пассивные диодные. В своем "Справочном пособии по высокочастотной технике" (1990) он пишет, что пассивные смесители обладают собственным затуханием и способны к развязке последующих каскадов. Это свойство особенно ценно для снижения интермодуляционных искажений.Чтобы получить высокие, качественные показатели, необходимо использовать балансные устройства; оптимальной с этой точки зрения является схема двойного балансного кольцевого смесителя.

Простой кольцевой балансный диодный смеситель применялся в трансивере ARGONAUT V model 516 фирмы Ten-Tec в yfxfkt в начале 2000-х.

Рис. 15.
Рис. 15.

В это же время появились модульные балансные кольцевые смесители, один из которых, TUF-1, был использован в знаменитом Elecraft K-2.

Рис. 16.
Рис. 16.

Эти модули состояли из двух трансформаторов и диодного кольца, могли работать в широком диапазоне частот.

Рис. 17.
Рис. 17.

Так TUF-1 имеет полосу рабочих частот 2 - 600 МГц (TUF-3 0,15-400 МГц) и развязку между входом гетеродина и входом сигнала, а также между входом гетеродина и выходом ПЧ более 40 дБ.

Кольцевые диодные смесители широко использовались и в любительской аппаратуре, вспомним тот же "Радио-76" и его клоны.

Такому широкому использованию кольцевых балансных смесителей способствовал тот факт, что они являются полностью обратимыми и не требуют наладки.

Двойной кольцевой балансный смеситель используется реже, хотя обладает теми же свойствами, но лучшей развязкой и бОльшим динамическим диапазоном. Примером использования таких смесителей может служить трансивер Ддужба-М (В. Абрамов (UX5PS), C. Тележников (RV3YF)).

Рис. 17.
Рис. 17.

В смесителе используются отечественные высокочастотные диоды с барьером Шоттки КД922. (Извините, на исходной схеме ошибка - вместо кольца двухполупериодный выпрямитель :))

Такой же смеситель использован в трансивере Урал-84.

Рис. 18. (D 'njq c[tvt - nj;t dsghzvbntkb dvtcnj rjkmwtds[ cvtcbntktq)
Рис. 18. (D 'njq c[tvt - nj;t dsghzvbntkb dvtcnj rjkmwtds[ cvtcbntktq)

Для кольцевых смесителей удобно использовать сборки диодов, такие, как HSMS-2829, я себе сегодня заказал пару (около 230 руб/пара).

Обычно с кольцевыми смесителями используется синусоидальное напряжение гетеродина, но они могут работать и в ключевом режиме, который, по моему мнению и является оптимальным. В этом случае диоды смесителя находятся только в двух состояниях - полностью открытом и полностью запертом. Здесь не сказывается нелинейность характеристик диодов, да и схему смесителя можно упростить, используя логические элементы.

Рис. 19.
Рис. 19.

С появлением высокочастотных ключей на полевых транзисторах они стали использоваться в ключевых смесителях, управляемых меандром. Одним из примеров является супер-пупер трансивер Elecraft K-3.

Рис. 20.
Рис. 20.

Микросхема СВТ3257 содержи не только собственно ключи, но и схему управления ими на логических элементах, так что не требуется подавать на вход гетеродина противофазные сигналы - они формируются внутри. Эта микросхема позволила получить практически рекордные результаты: уровень интермодуляционных искажений - -130 дБ, динамический диапазон IP3 - +25 дБм.

Похожие ключевые смесители широко применяются в SDR-приемниках и не только. Выходит дело, что они - чемпионы?

Это как считать, ведь, по словам Э. Рэда и кольцевой смеситель может быть очень и очень....

Рис. 21.
Рис. 21.

IP3 больше. чем у ключевого смесителя! Да, больше, но для этого этот смеситель нужно правильно приготовить :)).

-23

Это только главные условия, а есть еще симметрия монтажа, одинаковость длин выводов, качество сигнала гетеродина, ну и наличие соответствующих приборов для ее наладки. А схемотехника УВЧ, диплексера и УПЧ? У них тоже соответствующая динамика должна быть.

Поэтому, как мне кажется, первым делом нужно ответить на вопрос: "А нужен ли мне динамический диапазон +30 дБ?". Ведь сколько соревнований было выиграно и получено дипломов DXCC, работая на UW3DI, "Радио-76", не говоря уже o KENWOOD'ах и других YAESU :). И это в то время, когда эфир буквально кишел станциями.

Вот такие размышления об этой теме.

Всем здоровья и успехов!