Добавить в корзинуПозвонить
Найти в Дзене
3D CAD модели & Чертежи

Чертежи пуансонов и матриц штампа вырубки и наружной отбортовки

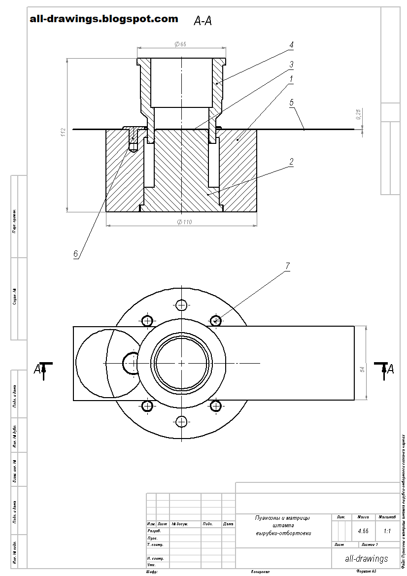
Пуансоны и матрицы применяются в штампе холодной листовой штамповки совмещенного действия для одновременной вырубки и отбортовки наружного контура детали за один ход пресса. Вырубка производится матрицей закрепленной на нижней части штампа. Пуансон-матрица, установленная в верхней части штампа, служит пуансоном для вырубки наружного контура и матрицей для отбортовки. Внутри вырубной матрицы установлен отбортовочный пуансон. 3D модель и чертежи пуансонов и матриц штампа вырубки и наружной отбортовки
Оглавление

Пуансоны и матрицы применяются в штампе холодной листовой штамповки совмещенного действия для одновременной вырубки и отбортовки наружного контура детали за один ход пресса. Вырубка производится матрицей закрепленной на нижней части штампа. Пуансон-матрица, установленная в верхней части штампа, служит пуансоном для вырубки наружного контура и матрицей для отбортовки. Внутри вырубной матрицы установлен отбортовочный пуансон.

3D модель и чертежи пуансонов и матриц штампа вырубки и наружной отбортовки

Чертежи пуансонов и матриц штампа вырубки и наружной отбортовки
Чертежи пуансонов и матриц штампа вырубки и наружной отбортовки
Чертежи пуансонов и матриц штампа вырубки и наружной отбортовки