Добавить в корзинуПозвонить
Найти в Дзене
Хобби

Усилитель FX502s PRO

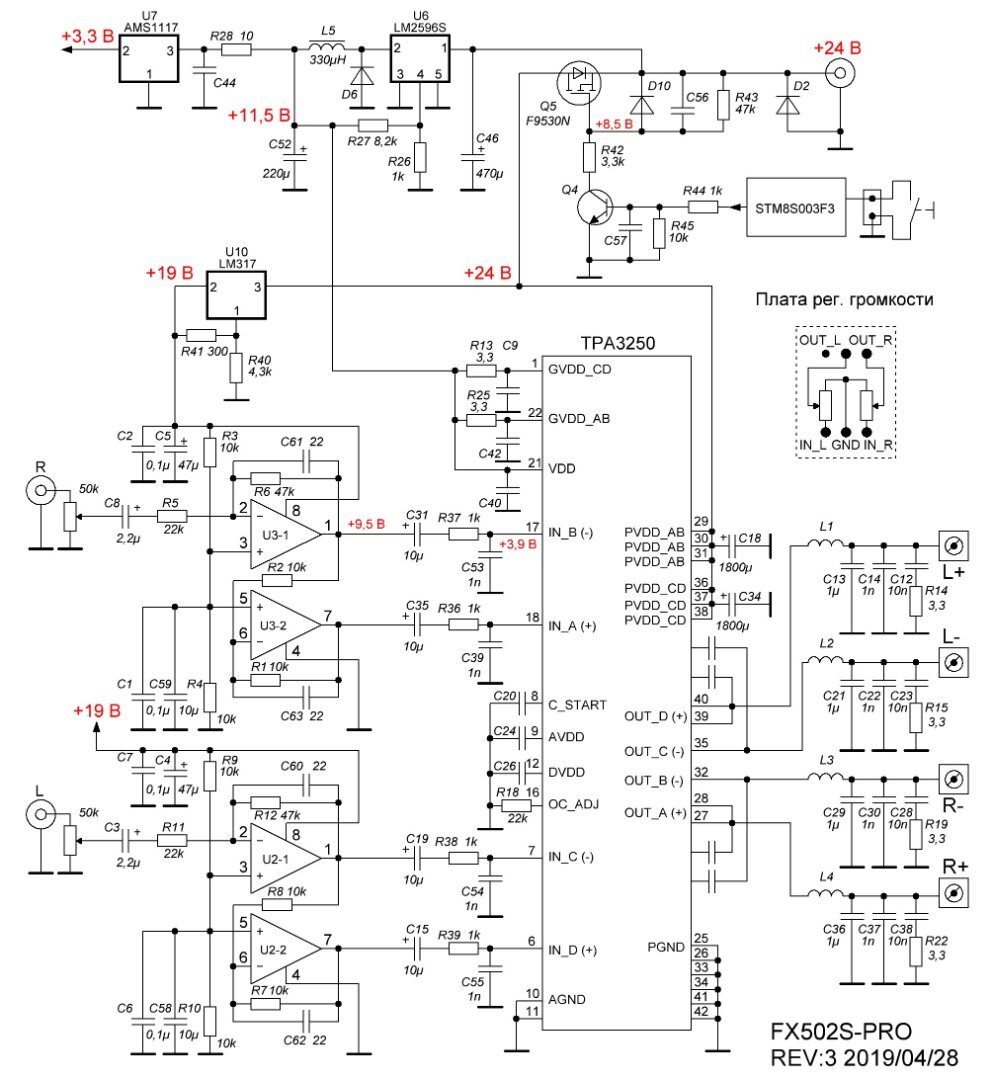
Хозяин усилителя пожаловался на Error при большой громкости, а так же попробуем слегка поднять планку качества звука. Первым делом сделаю то что никто не делает-заменю все резисторы и сравню по звуку что получилось. Сравнил звучание импульсника с линейным аудиофильским БП. Звук с линейником - прям не оторваться, детализация на очень высоком уровне. Не смотря на ощутимый срез в ВЧ области из-за проходных конденсаторов, чувствую четко пространство. Дискомфорта после усилителя класса А нет . Есть легкое шипение в тишине. 90% резисторов поменял на MELF, обидно , но разрешение поднялось настолько, что уделал мой усилитель класса А на АКБ. Это я еще не трогал ни одного конденсатора и не менял ОУ. 26.12.2023 Подсоединил свинцовые батарейки, звук намного лучше. Самое сильное влияние на звук - фильтры- конденсаторы на выходе. Сток слишком глушил ВЧ, теперь я слышу воздух на классе Д, мне никто конечно не поверит.
Дальше я вставил один SX52b в стоке и он работает в этой схеме, значит пот
Сток
Сток

Хозяин усилителя пожаловался на Error при большой громкости, а так же попробуем слегка поднять планку качества звука.

Первым делом сделаю то что никто не делает-заменю все резисторы и сравню по звуку что получилось.

-3

Сравнил звучание импульсника с линейным аудиофильским БП. Звук с линейником - прям не оторваться, детализация на очень высоком уровне. Не смотря на ощутимый срез в ВЧ области из-за проходных конденсаторов, чувствую четко пространство. Дискомфорта после усилителя класса А нет . Есть легкое шипение в тишине.

90% резисторов поменял на MELF, обидно , но разрешение поднялось настолько, что уделал мой усилитель класса А на АКБ. Это я еще не трогал ни одного конденсатора и не менял ОУ.

26.12.2023

-4

Подсоединил свинцовые батарейки, звук намного лучше.

Самое сильное влияние на звук - фильтры- конденсаторы на выходе. Сток слишком глушил ВЧ, теперь я слышу воздух на классе Д, мне никто конечно не поверит.
Дальше я вставил один
SX52b в стоке и он работает в этой схеме, значит потенциал усилителя будет еще на порядок выше. Мой китайский V6 тут играет хорошо и получше мьюзесов 8920, мягче и больше воздуха, а переделанный SX52b будет еще на голову выше.

Заказываю несколько SX52b и сам усилитель для себя любимого.

Может кому облегчит труд - список номиналов резисторов которые я поменял :
10ом-1шт, 10k -13шт, 100R-4Шт,1 кОм - 2шт, 47K- 2шт, 3.3 k-1шт, 2.2K-1шт,30 кОм-1шт, 22k-3шт, 3.3 Ом-6шт,4.3 k-1шт


А и совсем забыл , случайно посоветовали поменять резисторы указанные ниже, шум в тишине на порядок убавился.

-6

20.02.2024

-7

Окончательный вид .