Найти в Дзене

Перестройка приемника "Океан-214", на участок радиохулиганов (2,8 - 3,3Мгц).

Здравствуйте дорогие подписчики и гости канала! Так получилось, что забыл написать основную статью про перестройку Океана 214, на радиолюбительскую "тройку", выложив только видео с опытами и эксперементами. Радиоприемник валялся неисправный, а после ремонта и перестройки я отдал его коллеге по работе, и он его вечерами слушает, очень доволен. Был видеоролик про непосредственно работу на приём радиохулиганов. И мне написали в сообщении, как перестроить, каким способом пользовался, как настраивал. Пересмотрев полностью свой контент, понял.....забыл. Что ж. Пока ещё в голове свежи воспоминания, напишу статью о том, как я перестраивал совесткий радиоприемник Океан 214 Начнём с того, что радиоприемник должен быть исправен. Он должен принимать радиостанции на коротких волнах. А для перестройки, нам будет нужна планка диапазона 52 - 75м. Изо всех планок, только она имеет намоточные данные контуров, ближе всего расположенных, к нужному нам участку диапазон (90-100м). Нужно пояснить, что
Оглавление

Внешний вид Океан 214
Внешний вид Океан 214

Здравствуйте дорогие подписчики и гости канала!

Так получилось, что забыл написать основную статью про перестройку Океана 214, на радиолюбительскую "тройку", выложив только видео с опытами и эксперементами. Радиоприемник валялся неисправный, а после ремонта и перестройки я отдал его коллеге по работе, и он его вечерами слушает, очень доволен. Был видеоролик про непосредственно работу на приём радиохулиганов. И мне написали в сообщении, как перестроить, каким способом пользовался, как настраивал. Пересмотрев полностью свой контент, понял.....забыл. Что ж. Пока ещё в голове свежи воспоминания, напишу статью о том, как я перестраивал совесткий радиоприемник Океан 214

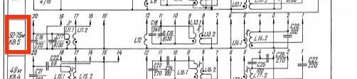
Начнём с того, что радиоприемник должен быть исправен. Он должен принимать радиостанции на коротких волнах. А для перестройки, нам будет нужна планка диапазона 52 - 75м.

Планка диапазона 52 -75м.
Планка диапазона 52 -75м.

Изо всех планок, только она имеет намоточные данные контуров, ближе всего расположенных, к нужному нам участку диапазон (90-100м).

Нужно пояснить, что свободное радиовещание, не ушло совсем, просто радиохулиганы, или как их ещё называют , свободные радиовещатели, перешли на другой участок с некогда популярного диапазона средних волн. Высокочастотный участок средних волн, (1300 - 1600 кГц), требует и длинных антенных диполей, или просто натянутой антенне-веревке". Кроме того , вечером, когда на средних волнах открывается дальнее прохождение, появляются много радиостанций, и места свободного практически нет. А участок 2,8-3,3мгц, 90-100м, не используется как радиовещательный в России, хотя в других странах станции здесь есть, хоть и немного. Прохождение здесь лучше, чем на средних волнах, а антенны требуются меньшего размера. И практически любой радиоприемник, можно легко перестроить на этот диапазон, имеющий диапазон 52м.

Я люблю слушать короткие волны, но диапазон 52 м, практически неинтересен. Здесь радиостанций всё меньше, и однажды я задумался о том, куда и как перестроить диапазонную планку.

Перестройка.

Самый простой способ - заменить конденсаторы, и настроить контура. Но есть одно но. Дело в том, что конденсаторы имеют определенный разброс параметров. Так же на конденсаторах, указывается и погрешность в процентах 5-10%. Существуют и высокопрецизионные конденсаторы, повышенной точности - 1%. Итак. Нам необходимо выпаять все конденсаторы на планке 52 - 300пф, 740 пф, и 220 пф. Вместо них, нужно впаять конденсаторы 1000пф. Причём конденсатор непосредственно идущий на гетеродин - нужен точно на 1000!! Это конденсатор С20, на 220 пф!

Я рекомендую обязательно проверить ёмкость конденсаторов, которые будут в цепи гетеродина , ёмкость должна быть в пределах 980-1100 пф.

Если же, поставить первый попавшийся конденсатор , то может получиться так, что диапазон будет занимать какую то крайнюю область на шкале, и весь любительский участок попросту не влезет. Насчёт остальных конденсаторов, их можно ставить не подбирая. Разброс ёмкости здесь не сыграет главной роли, в отличии от гетеродинного. Помимо гетеродина , у нас остаётся контур входной цепи, и усилитель радиочастоты. Здесь мы ставим 1000пф.

Контур гетеродина.
Контур гетеродина.

После установки конденсаторов, остаётся ждать вечера. Вечером открывается прохождение , и нам нужно настроить диапазон. В первую очередь , мы крутим катушку гетеродина, если она крутиться туго, внутрь желательно капнуть немного масла, типа силиконового или спрей WD-40. Насколько помню, я выкручивал сердечник изнутри. После того, как станции радиохулиганов , разместили на шкале - катушкой входного контура настраиваем максимальную громкость, а так же подкручиваем контур усилителя радиочастоты. Окончательная цель - равномерное распределение станций, и максимально возможная громкость приема . После этого, настройку приемника можно считать завершенной.

Этот способ доступен любому радиолюбителю, даже начинающим, имеющим паяльник, а так же мультиметр жля проверки ёмкости конденсаторов. Если же, не подбирать конденсатор , то будет настроено немного неправильно. Весь диапазон не будет доступен для прослушивания , и более того, можно услышать легальных радиолюбителей диапазона 80м, работающих в эфире в режиме SSB. Конечно можно слушать и их, но без второго гетеродина бессмысленно. Можно услышать "квак-квак-квак", и ничего более. Мне удалось добиться , что их нет, а именно участок 2,8-3.3мгц. Старайтесь и вы, настроить именно так. Это конечно не быстро. Но возможно .

На этом статья завершена. Если есть вопросы - спрашивайте .

Подписывайтесь на мой канал!! Не забывайте лайки!!