Найти в Дзене
Старый радио любитель

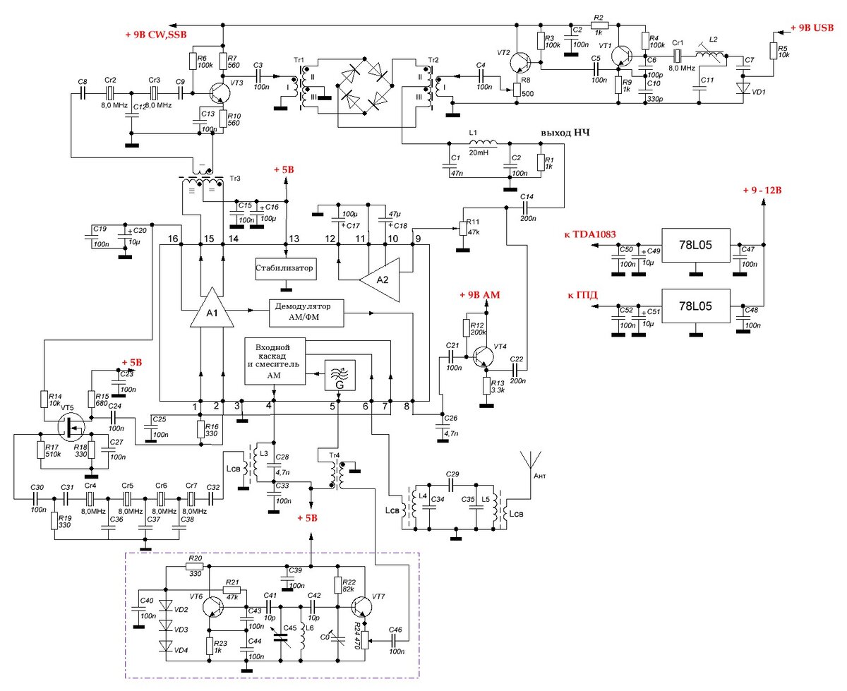
Схема приемника на TDA1083 с отдельным гетеродином.

Так как гетеродин микросхемы отказывался работать на частотах выше 4 МГц, то из этого положения есть два выхода: первый, самый простой, - взять частоту ПЧ ниже, например 6 МГц. Такие кварцы у дядюшки Ху есть и стОят копейки. Тогда диапазон перестройки составит от 2 до 3 МГц. На этих частотах гетеродин микросхемы работает отлично и стабильность его вполне достаточная. Другой выход несколько сложней - нужно сделать отдельный гетеродин, и это тоже не сложно. Тем более, что блок отдельного гетеродина может в дальнейшем пригодиться. У микросхемы есть еще один недостаток - она мал-мал шумит при максимальном усилении УПЧ. Эта проблема тоже решаемая - нужно перед УПЧ микросхемы добавить каскад на чем-нибудь малошумящем. Можно на КТ368 или зарубежном аналоге, но мне больше нравится малышка BF998, тем более, что на его второй затвор можно подать сигнал АРУ. От этих каскадов не требуется большое усиление - вполне достаточно 10 дБ, поэтому его можно сделать с резистивной нагрузкой. Вот все эти и

Так как гетеродин микросхемы отказывался работать на частотах выше 4 МГц, то из этого положения есть два выхода: первый, самый простой, - взять частоту ПЧ ниже, например 6 МГц. Такие кварцы у дядюшки Ху есть и стОят копейки. Тогда диапазон перестройки составит от 2 до 3 МГц. На этих частотах гетеродин микросхемы работает отлично и стабильность его вполне достаточная.

Другой выход несколько сложней - нужно сделать отдельный гетеродин, и это тоже не сложно. Тем более, что блок отдельного гетеродина может в дальнейшем пригодиться.

У микросхемы есть еще один недостаток - она мал-мал шумит при максимальном усилении УПЧ. Эта проблема тоже решаемая - нужно перед УПЧ микросхемы добавить каскад на чем-нибудь малошумящем. Можно на КТ368 или зарубежном аналоге, но мне больше нравится малышка BF998, тем более, что на его второй затвор можно подать сигнал АРУ. От этих каскадов не требуется большое усиление - вполне достаточно 10 дБ, поэтому его можно сделать с резистивной нагрузкой.

Вот все эти идеи я добавил в схему.

Рис. 1.
Рис. 1.

Так же следует добавить, что питание приемника предполагается от источника с напряжением 8 - 12 В, а питание микросхемы и гетеродина - от отдельных стабилизаторов 78L05.

Вот такая получилась схема.

Всем здоровья и успехов!