Найти в Дзене
Старый радио любитель

По вопросам читателей. Можно ли получить синусоидальный сигнал от блокинг-генератора.

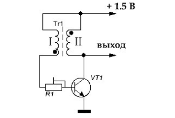
Читатель Олег Каждан выложил в своем комментарии к статье о генераторе звуковой частоты схему ну очень простого генератора. Увы, я в LTspicе не умею работать с трансформаторами, поэтому я быстренько намотал трансформатор на зеленом кольце от дядюшки Ху. Обмотка содержит 2х25 витком двумя слегка перекрученными проводниками ПЭЛ 0,15. Как потом оказалось, нужно было мотать 2х50 витков, чтобы получить частоту около 1 кГц. Схема эта представляет собой блокинг-генератор, т.е. генератор с сильной обратной положительной связью. Олег не указал величину питающего напряжения, но оно не должно быть больше 1,5 В, иначе транзистор может выйти из строя. Давайте рассмотрим работу этой схемы. Основой работы этого генератора является явление электромагнитной индукции, т.е. наведении ЭДС в катушке при изменении магнитного потока, пересекающего ее. Здесь ключевые слова - "изменение магнитного потока". Если потока нет или он постоянный, т.е. не меняется, то и ЭДС не возникает. Как видно из схемы рис. 2. ка

Читатель Олег Каждан выложил в своем комментарии к статье о генераторе звуковой частоты схему ну очень простого генератора.

Рис. 1.
Рис. 1.

Увы, я в LTspicе не умею работать с трансформаторами, поэтому я быстренько намотал трансформатор на зеленом кольце от дядюшки Ху. Обмотка содержит 2х25 витком двумя слегка перекрученными проводниками ПЭЛ 0,15. Как потом оказалось, нужно было мотать 2х50 витков, чтобы получить частоту около 1 кГц.

Схема эта представляет собой блокинг-генератор, т.е. генератор с сильной обратной положительной связью. Олег не указал величину питающего напряжения, но оно не должно быть больше 1,5 В, иначе транзистор может выйти из строя.

Давайте рассмотрим работу этой схемы.

Рис. 2.
Рис. 2.

Основой работы этого генератора является явление электромагнитной индукции, т.е. наведении ЭДС в катушке при изменении магнитного потока, пересекающего ее. Здесь ключевые слова - "изменение магнитного потока". Если потока нет или он постоянный, т.е. не меняется, то и ЭДС не возникает.

Как видно из схемы рис. 2. катушки трансформатора намотаны в разном направлении и фазы возникающих в них ЭДС будут сдвинуты на 180 град. И фаза напряжения на коллекторе транзистора тоже сдвинута по отношению напряжения на базе на 180 град. В результате сигнал проходя из цепи коллектора через трансформатор на базу транзистора имеет сдвиг 360 град., что приводит к образованию сильной положительной обратной связи.

В этой схеме транзистор бОльшую часть времени находится или в открытом или в закрытом состоянии, т.е. схема генерирует не синусоиду, а импульсы. Амплитуда этих импульсов в коллекторной катушки во много раз больше напряжения питания.

Я собрал на макетке эту схему из трех деталей. Так как я использую для питания Li-ion аккумулятор с напряжением 4 в, то резистор R1 я взял сопротивлением 100 кОм. Установил его в среднее положение и подключил питание. Работающий приемник ФМ начал затыкаться. Значит есть генерация! Подключаю осциллограф. Ого!

Рис. 3.
Рис. 3.

86 В - вот это импульсы! Но КТ315Ж выдерживает. Посмотрите, какие импульсы короткие - у таких гармоник полно, вплоть до ФМ. Беру анализатор спектра и кладу его рядом с генератором.

Рис. 4.
Рис. 4.

В полосе до 10 мГц - ровненький забор. Так что такой генератор с питанием 1,2 - 1,5 В можно использовать как пробник для наладки и ПЧ и ВЧ. Только витков нужно намотать побольше, чтобы частота была порядка 1 - 2 кГц, тогда и НЧ прозванивать можно.

Но в схеме Олега от коллектора на общий провод включен конденсатор. Я подпаял 100 нФ. Картина изменилась.

Рис. 5.
Рис. 5.

Это уже похоже на затупившуюся ножовку :). И размах всего 8 В, и антенна анализатора уже ничего не ловит, и частота всего 8,7 кГц. Вот что делает животворящий колебательный контур образованный коллекторной обмоткой и конденсатором! Увеличиваю емкость конденсатора до 1 мкФ (керамический).

Рис. 6.
Рис. 6.

Еще ближе к синусоиде. Как бы еще повысить синусоидальность? Попробую изменить режим транзистора, меняя сопротивление R1. Получилось!

Рис. 7.
Рис. 7.

Вот она, натуральная синусоида! И всего 4 детали! Так что, если постараться. то и з блокинг-генератора синус выжать можно. Ну а для повышения стабильности нужно его усложнить.

Рис. 8.
Рис. 8.

Как всегда стабилизируем напряжение на базе цепочкой кремниевых диодов, включенных в прямом направлении. Чтобы исключить влияние нагрузки на частоту добавим эмиттерный повторитель.

Спасибо Олегу за интересный вопрос!

Всем здоровья и успехов!