Найти в Дзене
Старый радио любитель

Для начинающих. Норовистый ГНЧ - практика.

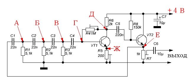
Потеплело и резко увеличилось количество дел в саду, а тут по вечерам показывают Кубок по волейболу - вот время и утекает :). Но добить генератор с фазосдвигающей цепочкой очень хотелось. Собрал я его вот по такой схеме: Решил не жалеть конденсатор и резистор для дополнительного звена фазосдвигающей цепочки и это оказалось правильны решением. Так как я предполагал использовать этот генератор в дальнейшем, то не поленился сделать печатную платку, а то надоело соединять проволочками детали на макетках :). Конденсаторы для фазосдвигающей цепочки (ФСЦ) я взял старые советские производства 1975 года. Хотя на них было написано 22н, но емкость на самом деле в среднем была около 18 нФ. Желтеньких китайских у меня не было, а самые дешевые коричневые имели разброс еще больше. Я решил, что генератор считает правильный номинал и заведется :). Транзисторы я взял типа 2SC1815, которые позиционируются как аудио с Кш = 1 дБ. Статический коэффициент передачи тока у мох транзисторов был около 400. Резис

Потеплело и резко увеличилось количество дел в саду, а тут по вечерам показывают Кубок по волейболу - вот время и утекает :). Но добить генератор с фазосдвигающей цепочкой очень хотелось.

Собрал я его вот по такой схеме:

Рис. 1.
Рис. 1.

Решил не жалеть конденсатор и резистор для дополнительного звена фазосдвигающей цепочки и это оказалось правильны решением. Так как я предполагал использовать этот генератор в дальнейшем, то не поленился сделать печатную платку, а то надоело соединять проволочками детали на макетках :).

Рис. 2.
Рис. 2.

Конденсаторы для фазосдвигающей цепочки (ФСЦ) я взял старые советские производства 1975 года. Хотя на них было написано 22н, но емкость на самом деле в среднем была около 18 нФ. Желтеньких китайских у меня не было, а самые дешевые коричневые имели разброс еще больше. Я решил, что генератор считает правильный номинал и заведется :). Транзисторы я взял типа 2SC1815, которые позиционируются как аудио с Кш = 1 дБ. Статический коэффициент передачи тока у мох транзисторов был около 400.

Резистор R5 я выставил в ноль, а остальные подстроечные - в среднем положении. Подключаю Li-ion аккумулятор с напряжением 4 В, проверяю режимы транзисторов по постоянному току при разомкнутой цепи ПОС. На коллекторе VT1 - 2,1 В (точка Д), на эмиттере VT2 - 2,2 В (точка Е). Замыкаю цепь ПОС (проводник от левого вывода С1 до эмиттера VT2) и подключаю к выходу осциллограф. Ура! Заработало!.

Рис. 3.
Рис. 3.

Размах колебаний почти соответствует напряжению питания, частота чуть ниже требуемой - 934 Гц, но форма далека от идеала. Это ничего, не даром я поставил столько подстроечников.

Резистором R4 устанавливаю оптимальную форму сигнала, а затем резистором R5 немного уменьшаю размах колебаний, примерно до 3 В. При этом напряжение в точке Д уменьшилось до 1,82 В. Можно еще уменьшить размах, но лучше установить его резистором R7 около 1 В. При этом, так как сигнал будет сниматься примерно с 1/3 R7, влияние нагрузки будет меньше. Если нужен сигнал бОльшей мощности, то следует дополнительно установить дополнительный эмиттерный повторитель на транзисторе средней мощности, например КТ815, но гораздо проще использовать интегральный УНЧ.

К сожалению, у меня только двухканальный осциллограф, поэтому, чтобы посмотреть фазовый сдвиг, пришлось делать монтаж.

Рис. 4.
Рис. 4.

Все здорово совпадает с моделью в LTspice, описанной в предыдущей статье..

Теперь о частоте.

Рис. 5.
Рис. 5.

Как видите, при изменении тока транзистора меняется и частота. По сравнению с рис. 3 частота увеличилась на 130 Гц. Чтобы привести ее к норме я подпаял параллельно С1 и С2 конденсаторы 3,3 нФ. Я установил размах колебаний в точке Е около 2,2 В.

Рис. 6.
Рис. 6.

Думаю, 2,5 Гц не опечалят "отца русской демократии" :). Но эта частота будет немного подплывать при разряде аккумулятора. Вот зависимость частоты моего генератора от напряжения питания:

Рис. 7.
Рис. 7.

Всего-то около 6,5% при изменении напряжения питания в два раза. Для меня это не важно, а если требуется иметь более стабильную частоту, то нужно стабилизировать ток базы VT1, например с помощью диодов, включенных в прямом направлении.

Рис. 8.
Рис. 8.

Диоды нужны любые кремниевые, например, 1N400х, где х - от 1 до 7. Падение напряжения на одном диоде около 0,7 В, на трех диодах - 2,1 В. Германиевые диоды и диоды Шоттки не подойдут, так падение напряжения на них в два раза меньше.

Думаю, вам легко удастся повторить эту конструкцию.

Всем успехов и здоровья!

P.S. после наладки значение сопротивления подстроечных R4 и R5 можно не выпаивая замерить, а затем заменить их постоянными резисторами такого-же сопротивления.