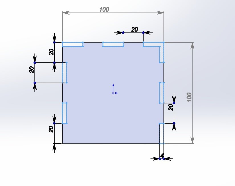
Здравствуйте, товарищи ученики! 😊 Продолжим работу в SketchUp. Сегодня мы будем выполнять инженерную задачу по созданию боковой части коробочки, созданной по принципу соединения шип-паз. 😄 У нас есть эскиз данной детали. 🙂 Создаем прямоугольник 100 на 100 из начала координат. На квадрате создаем сетку из пунктирных бесконечных линий с помощью функции "рулетка". Линии через каждые 20 мм. ВАЖНО: при создании бесконечной линии надо выбрать неопределенную точку на стороне квадрата (будет подсвечиваться красным квадратом). 😉 Теперь с трех сторон делаем бесконечные линии, отступая от края на 4 мм. В тех областях, которые нам надо удалить, чертим прямоугольники. 😃 С помощью ластика удаляем внешние линии прямоугольников. 🥳 Выдавливаем деталь на 4 мм. 😎 Ура, мы сделали первую инженерную деталь для реального мира. 🤓🙌👏👍🎉
