Добавить в корзинуПозвонить
Найти в Дзене
3D CAD модели & Чертежи

Чертеж корпуса ручного инструмента для формовки буртика на трубке

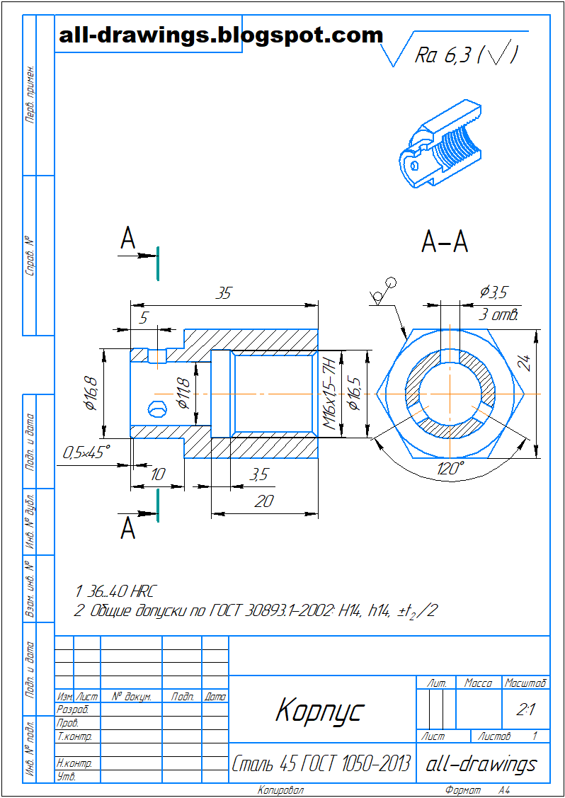
Корпус входит в состав конструкции ручного инструмента (приспособления) применяемого для формовки буртика на наружной поверхности алюминиевой или медной трубки на расстоянии 5 мм от ее торца, с целью закрепления на ней шланга, при помощи хомута. Приспособление состоит из корпуса, винта и трех шариков. При вывернутом винте и утопленных в корпусе шариках, приспособление вставляется в трубку. При закручивании, винт своей конической частью выдавливает шарики из корпуса, которые давят на стенку трубки, распирая ее наружу. Чередование закручивания винта и поворотов инструмента внутри трубки позволяет получить буртик на ее наружной поверхности. Чертежи ручного инструмента для формовки буртика на трубке 3D модель и чертеж корпуса ручного инструмента для формовки буртика на трубке
Оглавление

Корпус входит в состав конструкции ручного инструмента (приспособления) применяемого для формовки буртика на наружной поверхности алюминиевой или медной трубки на расстоянии 5 мм от ее торца, с целью закрепления на ней шланга, при помощи хомута. Приспособление состоит из корпуса, винта и трех шариков. При вывернутом винте и утопленных в корпусе шариках, приспособление вставляется в трубку. При закручивании, винт своей конической частью выдавливает шарики из корпуса, которые давят на стенку трубки, распирая ее наружу. Чередование закручивания винта и поворотов инструмента внутри трубки позволяет получить буртик на ее наружной поверхности.

Чертежи ручного инструмента для формовки буртика на трубке

3D модель и чертеж корпуса ручного инструмента для формовки буртика на трубке

Чертеж корпуса ручного инструмента для формовки буртика на трубке
Чертеж корпуса ручного инструмента для формовки буртика на трубке
Чертеж корпуса ручного инструмента для формовки буртика на трубке