Добавить в корзинуПозвонить
Найти в Дзене
Милованов Олег

Устройство и принцип работы сетевого фильтра импульсного блока питания.

Ни для кого не секрет, что импульсные блоки питания вошли в нашу жизнь надолго и прочно. Сфера их применения затрагивает многие области радиотехники, от бытовой и компьютерной до промышленной техники.
По сравнению с трансформаторными блоками питания импульсные блоки питания имеют ряд преимуществ. К таковым относятся меньшие габариты и вес за счет отсутствия силового трансформатора, более высокий КПД, который может достигать 95-98%, возможность работать в широком диапазоне входных напряжений в зависимости от типа используемой первичной сети. Несмотря на достоинства, импульсные блоки питания являются источниками кондуктивных электромагнитных помех, протекающих по электрическим проводникам. Так же сами источники довольно восприимчивы к влиянию внешних помех. Каким же образом возникает кондуктивная помеха? Тут надо отметить, что в схемотехнике импульсных блоков питания принято различать дифференциальную (симметричную) и синфазную (несим

Ни для кого не секрет, что импульсные блоки питания вошли в нашу жизнь надолго и прочно. Сфера их применения затрагивает многие области радиотехники, от бытовой и компьютерной до промышленной техники.
По сравнению с трансформаторными блоками питания импульсные блоки питания имеют ряд преимуществ. К таковым относятся меньшие габариты и вес за счет отсутствия силового трансформатора, более высокий КПД, который может достигать 95-98%, возможность работать в широком диапазоне входных напряжений в зависимости от типа используемой первичной сети. Несмотря на достоинства, импульсные блоки питания являются источниками кондуктивных электромагнитных помех, протекающих по электрическим проводникам. Так же сами источники довольно восприимчивы к влиянию внешних помех.

Каким же образом возникает кондуктивная помеха? Тут надо отметить, что в схемотехнике импульсных блоков питания принято различать дифференциальную (симметричную) и синфазную (несимметричную) составляющие помехи. Дифференциальная (симметричная) составляющая измеряется между фазовым L и нейтральным N проводами. Синфазная (несимметричная) составляющая измеряется между сетевым (фазным L или нейтральным N) и защитным заземлением PE.

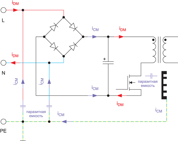
На схеме ниже показаны паразитные токи, протекающие в первичных цепях импульсного источника питания.

Токи помех в первичных цепях импульсного источника питания.
Токи помех в первичных цепях импульсного источника питания.

После включения устройства высокочастотный импульсный ток i_DM протекает по первичной цепи с рабочей частотой импульсного преобразователя, что вызывает дифференциальную помеху. Причиной его появления является быстрая коммутация полупроводниковых ключей, обычно силовых транзисторов. Ток дифференциальной помехи протекает от сети питания по цепи L через диодный мост, затем через первичную обмотку импульсного трансформатора, транзистор и по нейтральному проводнику N возвращается в сеть.
Силовой транзистор греется в процессе работы, поэтому его устанавливают на радиатор. В свою очередь, радиатор соединен с проводником защитного заземления РЕ. Возникшая паразитная емкость между радиатором и транзистором приводит к возникновению тока утечки, что создает синфазную помеху. Ток синфазной помехи i_CM протекает по цепи заземления РЕ к входу источника питания, где через паразитную емкостную связь между токоведущими проводниками возвращается по фазному L и нейтральному N проводникам. Далее ток синфазной помехи i_CM протекает через диодный мост и транзистор, откуда он снова через паразитную емкость с радиатором попадает на проводник заземления РЕ.

Как же побороть эти помехи? Тут необходимо отметить, что наилучшим средством снижения уровня помех считается устранение их в местах возникновения, то есть на входе импульсного блока питания.

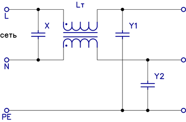
Для подавления помех используются специальные фильтры. Они называются СЕТЕВЫМИ. Их устанавливают между внешней сетью и импульсным блоком питания. Сетевой фильтр может быть в составе импульсного блока питания или отдельным устройством. Простой однозвенный фильтр состоит из одного Х-конденсатора, дросселя и двух Y-конденсаторов.

Схема простого однозвенного фильтра.
Схема простого однозвенного фильтра.
Фото однозвенного фильтра компьютерного блока питания.
Фото однозвенного фильтра компьютерного блока питания.

Х-конденсатор подключаются между фазовым L и нейтральным N проводами. Служит для снижения уровня дифференциальных (симметричных) помех. К этим конденсаторам предъявляются особо высокие требования - выдерживать сильные всплески напряжения в сети, устойчивость к воспламеняемости. Емкость Х-конденсаторов в сетевых фильтрах выбирается в пределах от 0,1 до 2 мкФ, в зависимости от мощности блока питания, частоты и уровня помех.

Фото Х-конденсаторов.
Фото Х-конденсаторов.

Y-конденсаторы подключаются между сетевым (фазным L или нейтральным N) и защитным заземлением PE сети питания. Они предназначены, в первую очередь, для подавления синфазных (несимметричных) помех.
К
Y-конденсаторам предъявляются высокие требованиям по электрической и механической прочности, они должны выдерживать большие пиковые напряжения. Через Y-конденсаторы происходит утечка тока в защитный проводник PE. Поэтому емкость выбирают небольшую, от 470 пФ до 10 нФ,
в зависимости от мощности блока питания.

Фото  Y-конденсаторов.
Фото Y-конденсаторов.

Дроссель - один из наиболее часто применяемых элементов в помехоподавляющих сетевых фильтрах. Конструктивно он состоит из сердечника с двумя обмотками с одинаковым числом витков, намотанных компенсирующе (бифилярно). Предназначен для снижения уровня синфазных (несимметричных) помех. Диапазон возможных значений индуктивности дросселей составляет от 1,0 мГн до 22 мГн, в зависимости от мощности блока питания.

Фото дросселей.
Фото дросселей.

Так как же работает сетевой фильт?
Если со стороны сети действует симметричная помеха, то основное ограничивающие действие на нее оказывает
Х-конденсатор. Ток сети и помеха, проходя через дроссель, создают одинаковые, но противоположные по направлению магнитные потоки в нем. Это приводит к уменьшению индуктивности дросселя, благодаря чему он практически не оказывает сопротивления симметричной помехе. Со стороны выхода происходит дальнейшее подавление помехи благодаря наличию Y-конденсаторов. Однако вследствие их относительно малой емкости их ограничивающие действие оказывается не столь существенным.

Если со стороны сети действует несимметричная помеха, то она эффективно подавляется, в первую очередь, за счет дросселя. При воздействии такой помехи на дроссель его индуктивность возрастает и оказывает большое сопротивление помехе. Эффективность подавления несимметричных помех повышается благодаря Y-конденсаторам.

Еще один немаловажный вопрос, как увеличить эффективность сетевого фильтра?

Одним из способов является увеличение емкости Х-конденсатора или использование добавочного Х-конденсатора. Но таким образом увеличится эффективность подавления только симметричной помехи. Поэтому наилучшим способом является увеличение количества звеньев фильтра.

Схема двухзвенного сетевого фильтра.
Схема двухзвенного сетевого фильтра.
Фото  двухзвенного сетевого фильтра компьютерного блока питания.
Фото двухзвенного сетевого фильтра компьютерного блока питания.

На моем канале есть видео, где наглядно показано, как работают сетевые фильтры - https://dzen.ru/video/watch/653e506e2c8d9743387862f6.

Также рекомендую посмотреть видео про имитаторы помех - https://dzen.ru/video/watch/653e5338ddf49d7b28cc44fb.

Если статья была полезной, поставьте лайк и подпишитесь на канал.