Найти в Дзене
Старый радио любитель

Для начинающих. Фильтр основной селекции.

Если вы читали мои статьи о добротности контуров и методах их повышения, то понимаете, что получить полосу пропускания 3 кГц для приема SSB-станций, а тем более 200 Гц для приема CW на частотах КВ-диапазонов практически невозможно. Если невозможно с одним контуром, может быть возможно с двумя, или с тремя, или ....... Увы, даже на диапазоне 1,8 МГц с таким фильтром получить нужную полосу невозможно, тем более, что с переходом на более высокочастотный диапазон полоса будет расширяться. Ну и трехсекционный КПЕ - это по нынешним временам дефицит. Это подтверждает и формулы: Если взять два контура с добротностью 100, один из которых настроен на частоту 1 МГц, а другой - на частоту 10 МГц, то их полосы пропускания по уровню -6 дБ составят соответственно 5 и 50 кГц. А вот на частоте 100 кГц можно получить полосу 0,5 кГц. Есть у фильтров одна очень важная характеристика - коэффициент прямоугольности. Он показывает, насколько АЧХ реального фильтра близка к АЧХ идеального фильтра, а численно о

Если вы читали мои статьи о добротности контуров и методах их повышения, то понимаете, что получить полосу пропускания 3 кГц для приема SSB-станций, а тем более 200 Гц для приема CW на частотах КВ-диапазонов практически невозможно.

Если невозможно с одним контуром, может быть возможно с двумя, или с тремя, или .......

Рис. 1.
Рис. 1.

Увы, даже на диапазоне 1,8 МГц с таким фильтром получить нужную полосу невозможно, тем более, что с переходом на более высокочастотный диапазон полоса будет расширяться. Ну и трехсекционный КПЕ - это по нынешним временам дефицит. Это подтверждает и формулы:

Рис. 2.
Рис. 2.

Если взять два контура с добротностью 100, один из которых настроен на частоту 1 МГц, а другой - на частоту 10 МГц, то их полосы пропускания по уровню -6 дБ составят соответственно 5 и 50 кГц. А вот на частоте 100 кГц можно получить полосу 0,5 кГц.

Есть у фильтров одна очень важная характеристика - коэффициент прямоугольности. Он показывает, насколько АЧХ реального фильтра близка к АЧХ идеального фильтра, а численно он равен отношению величины полосы пропускания фильтра по уровню 0,7 (-3 дБ) к величине полосы пропускания на уровне 0,1 (-20 дБ). ( источник: стр.21)

Рис. 3.
Рис. 3.

Рис. 4.
Рис. 4.

В некоторых источниках коэффициент прямоугольности имеет обратную величину, т.е. :

Рис. 5.
Рис. 5.

Теперь смоделируем контуры и фильтры в LTspice. Частоту фильтра выбрал 500 кГц (+/-).

Рис. 6.
Рис. 6.

Кп одиночного контура даже на такой низкой частоте, как 500 кГц, весьма мал. Ну что же, добавим еще один контур.

Рис. 7.
Рис. 7.

В этом случае Кп выше. Попробую увеличить емкость конденсатора связи С4 до 10 пФ.

Рис. 8.
Рис. 8.

Полоса по уровню -3 дБ увеличилась, на вершине АЧХ появилась впадина и она стала двугорбой, а Кп еще немного увеличился. Добавим еще один контур.

Рис. 9.
Рис. 9.

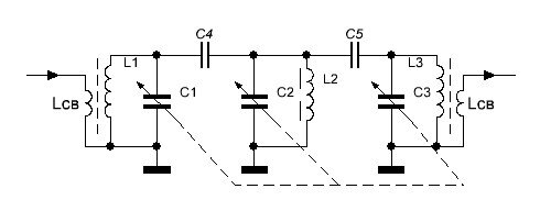
Кп еще увеличился, а само главное, что и по уровню -40 дБ полоса стала гораздо уже. Добавим еще контур.

Рис. 10.
Рис. 10.

Вот такой фильтр уже весьма не плох для АМ-приемника. Только условие его корректной работы- это работа на одной постоянной частоте. Т.е. для приемника прямого усиления такой фильтр не пойдет, а вот в качестве фильтра промежуточной частоты - самое оно. Причем, чем ниже промежуточная частота, тем более узкополосный фильтр можно сделать. А по количеству контуров ..... В своей статье о приемнике РВП-60 я рассказывал о восьмиконтурном фильтре сосредоточенной селекции (ФСС), но, оказывается, не только в нем одном такие навороты. ФСС с таким же количеством контуров я обнаружил в крутом немецком УКВ-тюнере "Revox B 260", который производился фирмой Studer Revox GmbH в 1988 - 1991 годах.

Рис. 11.
Рис. 11.

Интересна схемотехника этого фильтра: так как он рассчитан на частоту ПЧ 10,7 МГц, то емкость переходных конденсаторов должна была бы быть очень малой, что конструктивно неудобно. Поэтому переходные конденсаторы подключаются к отводам контурных катушек, и тогда их емкость от 6,8 до 18 пФ.

Обычно же в бытовых приемниках использовались 3-х - 4-х контурные ФСС. Вот, например в "ВЭФ 201":

Рис. 12.
Рис. 12.

В карманных приемниках ФСС были попроще, как в Селге 404:

Рис. 13.
Рис. 13.

Самый сложный ФОС в бытовых приемниках был, по-моему, в УКВ тракте "Ленинград 001" - аж целых шесть контуров:

Рис. 14.
Рис. 14.

Сравните со схемой на рис. 11 - все то же самое, только вместо отвода от части витков контурной катушки - катушка связи.

Есть еще один способ упростить ФСС и повысить его избирательность - ввести положительную обратную связь, тем более, что в УПЧ это гораздо легче - частота-то не меняется. Вот один из примеров:

Рис. 15.
Рис. 15.

Этот приемник в рекламе позиционировался из-за своей высокой чувствительности "три лампы как шесть". Цепь ПОС из анодной цепи триода в сеточную цепь этого же триода показана красными стрелочками. Глубина ПОС регулировалась путем изменения расстояния между контурной катушкой и катушкой связи. После установки необходимой глубины ПОС в процессе настройки приемника на предприятии положение катушек фиксировалось.

Но широкого распространения такой способ увеличения избирательности и чувствительности не получил - уж слишком все не надежно. А получать высокую избирательность, а еще лучше с возможностью изменять полосу пропускания в условиях увеличивающегося количества радиостанций требовалось. И тогда перешли от чистой электроники к электромеханике - начали использовать пьезоэлектрический эффект кварца. Начиная с 1926 года, кварцевые резонаторы на радиостанциях стали использоваться в качестве элементов в задающих генераторах, обеспечивавших большую стабильность частоты, но затем кварцы переселились в фильтры. Сначала очень робко, с единственным резонатором уже в 30-х годах прошлого века.

Кварцевые резонаторы обладают намного бОльшей добротностью, чем самые лучшие колебательные контуры: порядка 1 млн. против 200 - 300. Одними из первых кварцевые фильтры, да еще и переменной полосой пропускания, начали использовать американские компании. Примером может служить приемник HQ-120 фирмы Hammarlund Mfg. Co. Inc. с однокристальным фильтром.

Рис. 16.
Рис. 16.

Кварц (красная стрелка) включен в дифференциальную систему. В одно плечо моста включен кварцевый резонатор, в другое — нейтра­лизующий конденсатор (пунктирный прямоугольник), ось которого обычно выводится на переднюю панель радиоприемника. Когда его емкость равна статической емкости кварцевого резонатора (плюс емкость монтажа), мост сбалансирован, и форма АЧХ фильтра симметрична. Переключатель (зеленая стрелка) может замыкать кварцевый резонатор, а другой переключатель (синяя стрелка) подключает последовательно катушке, которая является нагрузкой фильтра, резисторы. При этом изменяется ширина полосы пропускания фильтра. Все хорошо, но избирательность такого фильтра не велика.

Если вместо нейтрализующего конденсатора подключить второй кварцевый резонатор, частота которого будет отличаться от частоты первого на величину полосы пропускания, то получиться двухкристальный дифференциальный фильтр.

Рис. 17.
Рис. 17.

Контуры (рис. 17 А) настраиваются на среднюю частоту фильтра. Трудности вызывала катушка L2, которую нужно было мотать на ферритовом кольце с проницаемостью порядка 100, а лучше 50.

Еще более высокие параметры имеет 4-х кристальный фильтр, но трудности с кольцом все те-же. Я в начале 90-х сделал не один такой фильтр, но катушку мотал на обычном цилиндрическом каркасе от телевизора с сердечником СЦР.

Из четырех кварцев с одинаковой частотой можно собрать лестничный фильтр.

Рис. 18.
Рис. 18.

В этом случае не нужны ферритовые кольца и вообще катушек. Вот как это выглядит в натуре.

Рис. 19.
Рис. 19.

А - 4-х кристальный лестничный фильтр фирмы "Десна" на частоту 9,0 МГц (покупал на Буженинова в "Кварце"), Б - 4-х кристальный дифференциальный фильтр на частоту 9,0 МГц, В - 4-х кристальный лестничный фильтр на частоту 8,0 МГц. А вот их АЧХ:

Рис. 20.  Фильтр "Десна".
Рис. 20. Фильтр "Десна".
Рис. 21. Дифференциальный фильтр.
Рис. 21. Дифференциальный фильтр.
Рис. 22. Лестничный на 8МГц из кварцев в корпусе "лодочка".
Рис. 22. Лестничный на 8МГц из кварцев в корпусе "лодочка".

Но в 50-х кварцевые фильтры сложной конструкции были еще дороги и шли поиски других более дешевых материалов для резонаторов. Видимо, идея пришла при виде камертона: если возбудить в нем колебания, то их частота будет вполне определенной, зависящей от формы, размера и материала камертона. Ведь колебания в нем практически моночастотные, и характеристики камертона мало меняются от времени, а вот кварцы "стареют".

Рис. 23.
Рис. 23.

Вот камертонный электромеханический фильтр (ЭМФ), которые применялись в железнодорожных радиостанциях для выделения тонального сигнала частотой 1343 Гц. Точность настройки не хуже 1 Гц полоса пропускания - не шире 15 Гц.

Для более высоких частот (100 - 500 кГц) применялись дисковые ЭМФ или другие многоэлементные конструкции. Были и весьма оригинальные :

Рис. 24
Рис. 24
Рис. 25.
Рис. 25.

Идея очень простая, частота этого фильтра определяется резонансной частотой подвесной системы.

Но у радиолюбителей в ходу были вот такие ЭМФ.

Рис. 26.
Рис. 26.

Кстати, малышка ФЭМ4-031 и сейчас есть в "Кварце" на Буженинова, стоит около 3000 руб.

Вот их АЧХ (я не подбирал конденсаторы, чтобы настроить обмотки в резонанс).

Рис. 27. ФЭМ2
Рис. 27. ФЭМ2
Рис. 28.  ФЭМ4-031.
Рис. 28. ФЭМ4-031.

Коэффициент прямоугольности впечатляет!

Кроме перечисленных есть еще и другие разновидности фильтров, например: монолитные кварцевые, пьезокерамические, на поверхностных акустических волнах (ПАВ) и т.д. Но для начала - хватит.

Всем здоровья, успехов и удачного выбора ФСС!