Добавить в корзинуПозвонить
Найти в Дзене
Тесты, КОМПАС 3D

Практическая работа№3. Принципиальная электрическая схема (малая)

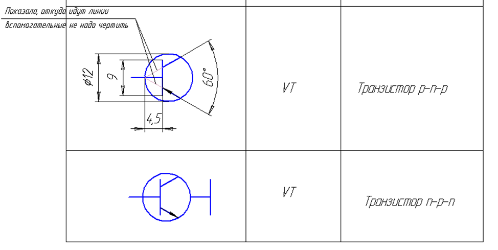
Выполнить чертеж схемы электрической принципиальной. Формат А4, задание выполняется по вариантам. 1. Вычертить условные обозначения, проставить размеры, буквенные обозначения. Выучить. Запомнить. 2. На формате А4, над основной надписью вычертить позиционный перечень. Заполнить его. Смотрите на образец выполнения. На свободном поле вычертить принципиальную схему. Все элементы схемы по размерам по ГОСТ 2.747-68, 2.730-73. Расстояние между элементами 15-20мм. Все элементы имеют обозначение латинскими буквами. В таблице представлены некоторые элементы электрических схем и их обозначение Последовательность выполнения задания. На основании задания определяем элементы схемы и их количество. Выполняем перечень элементов над основной надписью на расстоянии 12мм. В графу позиционное обозначение заполняют в алфавитном порядке, если элементов 2 номеруют через запятую С1,С2, если больше 3 через дефис R1-R4. Над элементами схем проставить буквенно-цифровое обозначение, которое наносят над элементо

Выполнить чертеж схемы электрической принципиальной.

Формат А4, задание выполняется по вариантам.

1. Вычертить условные обозначения, проставить размеры, буквенные обозначения. Выучить. Запомнить.

2. На формате А4, над основной надписью вычертить позиционный перечень. Заполнить его. Смотрите на образец выполнения.

На свободном поле вычертить принципиальную схему. Все элементы схемы по размерам по ГОСТ 2.747-68, 2.730-73. Расстояние между элементами 15-20мм. Все элементы имеют обозначение латинскими буквами.

В таблице представлены некоторые элементы электрических схем и их обозначение

-2
-3
-4

Последовательность выполнения задания.

На основании задания определяем элементы схемы и их количество.

Выполняем перечень элементов над основной надписью на расстоянии 12мм.

В графу позиционное обозначение заполняют в алфавитном порядке, если элементов 2 номеруют через запятую С1,С2, если больше 3 через дефис

R1-R4.

-5

Над элементами схем проставить буквенно-цифровое обозначение, которое наносят над элементом справа.

Пример задания

-6
Чтобы создать перечень элементов, надо сделать следующее:

1. Инструменты - Ввод таблицы

-7

2. Щелкнуть на свободное место и в открывшемся окне указать необходимое количество строк и столбцов, нажать ОК.

-8

3. Чтобы изменить размеры строк и столбцов, надо навести мышку на линию между ними, зажать левую кнопку и передвинуть на необходимое расстояние.

По ширине
По ширине
По высоте
По высоте

4. Двойным щелчком активировать таблицу, поставить курсор в нужную ячейку и написать текст.

-11

ВАРИАНТЫ ЗАДАНИЙ.

1 и 13 вариант

-12

2 и 14 вариант

-13

3 и 15 вариант

-14

4 и 16 вариант

-15

5 и 17 вариант

-16

6 и 18 вариант

-17

7 и 19 вариант

-18

8 и 20 вариант

-19

9 и 21 вариант

-20

10 и 22 вариант

-21

11 и 23 вариант

-22

12 и 24 вариант

-23