Добавить в корзинуПозвонить
Найти в Дзене

Простые и дешевые блоки питания для светодиодов. Типы и их возможности. Как починить лампу и как работают.

Для обеспечения долгой и счастливой жизни светодиода на его вход необходимо подать постоянный ток, не превышающий биновочный и желательно без пульсаций. Сетевое напряжение ~230В не годится без специальных преобразователей – драйверов или блоков питания. Блоки питания бывают разные, имеют различные характеристики и их стоимость зависит от количества примененных в них компонентов. В эпоху, когда большинство покупателей любят золото по цене меди большинство приобретаемых ламп, имеет самую простую топологию. Самый простой блок - драйвер «RC» состоят из диодного моста и конденсатора. Основной принцип построения RC преобразователя – подбор выходного напряжения под потребляемое суммарное напряжение светодиодами, при этом лишнее напряжение гасится на греющемся резисторе. Наличие снижающего скачки резистора снижает КПД схемы и уменьшает светоотдачу, но в то же время обеспечивает постоянный ток светодиодов. Большинство дешевых светодиодных ламп имеют чуть более сложную схему: Наличие данного
Оглавление

Для обеспечения долгой и счастливой жизни светодиода на его вход необходимо подать постоянный ток, не превышающий биновочный и желательно без пульсаций. Сетевое напряжение ~230В не годится без специальных преобразователей – драйверов или блоков питания.

Рис 1.  Осцилограмма напряжения сети 230В и осцилограмма потребления светодиода xpg3 CREE
Рис 1. Осцилограмма напряжения сети 230В и осцилограмма потребления светодиода xpg3 CREE

Блоки питания бывают разные, имеют различные характеристики и их стоимость зависит от количества примененных в них компонентов.

В эпоху, когда большинство покупателей любят золото по цене меди большинство приобретаемых ламп, имеет самую простую топологию.

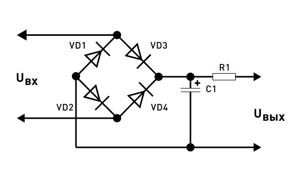
Самый простой блок - драйвер «RC» состоят из диодного моста и конденсатора.

Рис 2. Драйвер RC, стабильно может работать на токах до 20-30 мА, и мощности до 3 Вт.  Пульсации более 100%, Pf <0,1.
Рис 2. Драйвер RC, стабильно может работать на токах до 20-30 мА, и мощности до 3 Вт. Пульсации более 100%, Pf <0,1.

Данные блоки гарантируют пульсации светового потока, и создают импульсные помехи в сеть.   Данная схема имеет низкий коэффициент мощности, и для улучшения качества отбора электроэнергии применяют схемы активных и пассивных корректоров мощности.  Низкий коэффициент мощности получается в связи с тем, что ток из сети забирается только в период заряда конденсатора этой схемы время забора тока обозначено штриховкой, в остальные периоды времени ток из сети не потребляется.
Данные блоки гарантируют пульсации светового потока, и создают импульсные помехи в сеть. Данная схема имеет низкий коэффициент мощности, и для улучшения качества отбора электроэнергии применяют схемы активных и пассивных корректоров мощности. Низкий коэффициент мощности получается в связи с тем, что ток из сети забирается только в период заряда конденсатора этой схемы время забора тока обозначено штриховкой, в остальные периоды времени ток из сети не потребляется.
Низкий коэффициент мощности получается в связи с тем, что ток из сети забирается только в период заряда конденсатора этой схемы время забора тока обозначено штриховкой, в остальные периоды времени ток из сети не потребляется.
Низкий коэффициент мощности получается в связи с тем, что ток из сети забирается только в период заряда конденсатора этой схемы время забора тока обозначено штриховкой, в остальные периоды времени ток из сети не потребляется.

Более подробно о коэффициенте пульсаций. Международный стандарт IEEE 1789-2015 рекомендует максимальный уровень пульсаций яркости для частоты 100 Гц - 8% (гарантированно безопасный уровень - 3%). Для частоты 50 Гц - это будут 1.25% и 0.5% соответственно. Но это для перфекционистов. На самом деле, для того, чтобы пульсации яркости светодиода перестали хоть как-то досаждать, достаточно, чтобы…
Алиса в стране чудес10 октября 2023
Коэффициент мощности или PF или cos(ϕ) для чайников. Для обеспечения PF=1 идеальная кривая тока потребления должна совпадать с кривой напряжения и не отставать от нее. Для дешевых светодиодных драйверов есть сдвиг тока от напряжения на пол периода и соответствующий pf 0,5. Для сетей переменного напряжения понятие cos ϕ и коэффициент мощности, pf – cовпадают и являются одинаковыми числовыми…
Алиса в стране чудес10 октября 2023

Основной принцип построения RC преобразователя – подбор выходного напряжения под потребляемое суммарное напряжение светодиодами, при этом лишнее напряжение гасится на греющемся резисторе. Наличие снижающего скачки резистора снижает КПД схемы и уменьшает светоотдачу, но в то же время обеспечивает постоянный ток светодиодов.

Большинство дешевых светодиодных ламп имеют чуть более сложную схему:

Рис 3. Схема RC драйвера с линейным стабилизатором тока.
Рис 3. Схема RC драйвера с линейным стабилизатором тока.

Наличие данного стабилизатора тока обеспечивает отсутствие пульсации на выходе, так же на входе установлен предохранитель, чтобы лампа не взорвалась при прилете на вход импульсной помехи или повышенного напряжения.

Проблемой эксплуатации такого ряда драйверов является тепловая нагрузка микросхемы линейного стабилизатора тока (показан красным). Так как вся лишняя для светодиодов энергия просто гасится на данном компоненте срок жизни всего устройства в большинстве случаев ограничен температурой эксплуатации этой микросхемы. Нагреваясь сам, данный элемент нагревает и конденсатор. Обеспечить мало мальки долгий режим работы таких устройств можно применяя высоковольтные конденсаторы (400- 600V) с повышенной температурой эксплуатации.

/Разобраться в конденсаторах поможет этот пост о конденсаторах/

Какой конденсатор выбрать для светодиодного светильника или как обычно самый дешевый…. Основная проблема жизни светодиодных светильников как ни странно не светодиоды, а блоки питания, а конкретно конденсаторы и микросхемы обеспечивающие стабильный ток на светодиодов. Основная проблема - это перегрев конденсаторов, именно он ограничивает срок жизни. Каждый из типов конденсаторов имеет свои…
Алиса в стране чудес10 октября 2023

В качестве самого дельного совета при покупке простых ламп будет – не покупать мощные лампы в миниатюрном корпусе. Например, в колбе А60 нормально рассеивается не более 8,5 Вт потребляемой мощности. При этом при таких мощностях важна именно площадь корпуса лампы, а не материалы их которых данный корпус сделан.

Если Вы хотите починить такую лампу необходимо выпаять стабилизатор и на какое-то время лампа продолжит работать.

Согласно стандартам РФ RC блоки нельзя эксплуатировать для мощности более 5 Вт. см постановление от 24 декабря 2020 года N 2255 ПРАВИТЕЛЬСТВА РОССИЙСКОЙ ФЕДЕРАЦИИ.

Требования постановления Об утверждении требований к осветительным устройствам и электрическим лампам, используемым в цепях переменного тока в целях освещения.
Требования постановления Об утверждении требований к осветительным устройствам и электрическим лампам, используемым в цепях переменного тока в целях освещения.

Более продвинутыми и более дорогими являются решения с импульсными преобразователями напряжения, которые не рассеивают пиковую мощность на себе, а способны ее накапливать и отдавать.

Для реализации активного корректора мощности применяют ШИМ контроллеры.

ШИМ или PWM (широтно-импульсная модуляция, по-английски pulse-width modulation) – это способ управления подачей мощности к нагрузке. Управление заключается в изменении длительности импульса при постоянной частоте следования импульсов.

Применяют как один контроллер в схеме для коррекции мощности, так и два – второй стабилизирует ток или один контроллер с линейным стабилизатором тока, который убирает помеху в 100 Гц. Применение только одного ШИМ контроллера без линейного преобразователя или второго ШИМ приводит к пульсациям.

Рис  4. Структурная блок схема силовой части драйвера с ККМ ( корректором коэффициента мощности).
Рис 4. Структурная блок схема силовой части драйвера с ККМ ( корректором коэффициента мощности).

Остается большой вопрос как это сделать надежно и дешево.

Структурно разные типы дешевых драйверов можно представить в виде таблицы.

Рассмотрим несколько типов драйверов которые можно встретить в описании товара.

-8

Выбирая более дорогие продукты Вы как правило приобретаете лампы с IC драйверами. Использование более дорогих блоков питания увеличивает время жизни светильника, а соответственно делает Вас более богатым)). Инвестируйте в свое будующее стоя у полки с лампами правильно.