Добавить в корзинуПозвонить
Найти в Дзене
Техноинжиниринг

Системы распыления густой смазки на открытые передачи.

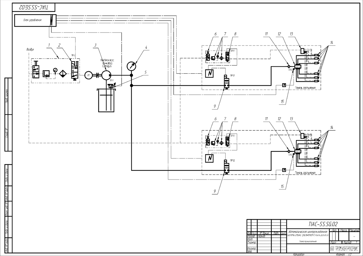
Часть 2. Часть 1. Практика установки ситемы распыления АЦСС предназначена для автоматической подачи и распыления смазочного
материала на открытую зубчатую передачу. Подача смазки осуществляется в
процессе работы оборудования централизованно в автоматическом режиме, от
пневматического насоса на бочку 200 литров к панелям распыления,
установленным на приводных зубчатых передачах, точно дозированными порциями
и с необходимыми интервалами времени, что обеспечивает увеличение срока
эксплуатации приводной шестерни и венца при экономии смазочного материала. Условия эксплуатации АЦСС:
Температура окружающей среды, ºС От +5 до +40
Относительная влажность, при +25 ºС, % До 90
Атмосферное давление, мм рт ст 700...800
Режим эксплуатации оборудования - Круглосуточный Описание основных составных частей. Шкаф питания и управления АЦСС на базе контроллера Siemens LOGO!
Шкаф питания и управления АЦСС оснащен Блоком питания 24 вольта
постоянного тока, релейной развязкой внутренних цепей контроллера и вн
Оглавление

Часть 2.

Часть 1.

Практика установки ситемы распыления

АЦСС предназначена для автоматической подачи и распыления смазочного
материала на открытую зубчатую передачу. Подача смазки осуществляется в
процессе работы оборудования централизованно в автоматическом режиме, от
пневматического насоса на бочку 200 литров к панелям распыления,
установленным на приводных зубчатых передачах, точно дозированными порциями
и с необходимыми интервалами времени, что обеспечивает увеличение срока
эксплуатации приводной шестерни и венца при экономии смазочного материала.

Условия эксплуатации АЦСС:
Температура окружающей среды, ºС От +5 до +40
Относительная влажность, при +25 ºС, % До 90
Атмосферное давление, мм рт ст 700...800
Режим эксплуатации оборудования - Круглосуточный

Описание основных составных частей.

Шкаф питания и управления АЦСС на базе контроллера Siemens LOGO!
Шкаф питания и управления АЦСС оснащен Блоком питания 24 вольта
постоянного тока, релейной развязкой внутренних цепей контроллера и внешних сигналов. Процесс работы управляется контроллером Siemens LOGO!, на передней дверце размещены лампы индикации работы АЦСС и текстовая панель оператора, на которой отображены параметры работы АЦСС для их контроля и изменения, переключатель работы системы в автоматическом или ручном режиме.
Насосная станция с пневматическим насосом на бочку 200 литров
Пневматический насос Lincoln Lubrigun с коэффициентом усиления 1:50, оснащен ультразвуковым датчиком уровня смазки, фильтром смазки 250 мкм.
Панель управления насосом
Панель управления насосом оснащена блоком подготовки воздуха с
электромагнитным клапаном для подачи воздуха на насос, манометром для
контроля давления смазки.
Магистральные трубопроводы в комплекте с креплением и фитингами
Магистральные трубопроводы выполнены из бесшовных прецизионных труб
диаметром 15 мм, соединительные фитинги с врезными кольцами для сборки
магистрали.
Панель распыления
Панель распыления оснащена форсунками распыления смазки Lincoln SD,
распределителем смазки Lincoln SSV, для равномерного дозирования смазки между форсунками, с датчиком контроля подачи смазки, фильтром с тонкостью
фильтрации 240 мкм.

Схема принципиальная АЦСС
Схема принципиальная АЦСС