Найти в Дзене
ЭЛЕКТРИКА

Генератор звука и прямоугольных импульсов. Делаем очень просто!

Приветствую любителей электроники всех цветов, полов, и возраста!
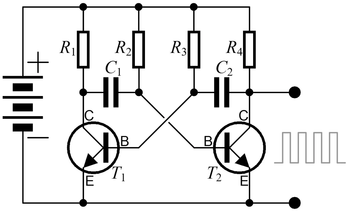
Схемы электронные бывают иногда сложны к пониманию, но эту универсальную схему Вы сможете собрать самостоятельно "на раз-два". Базой этой схемы является не симметричный мультивибратор - классическая схема для получения меандров, а триггер
МЕАНДРЫ - это импульсы П образной формы, часто используемые в схемах управления мощностью подаваемой в нагрузку. Если внимательно рассмотреть классическую схему мультивибратора, то мы можем заметить, что в предлагаемой мною схеме нет емкостей - конденсаторы "С" отсутствуют.
Это упрощение не только экономит время на подбор нужных деталей, а еще и экономит расходы на их приобретение. ИСПОЛЬЗОВАНИЕ ТРИГГЕРА ЭКОНОМИЧНЕЕ но возникает вопрос - А как такая схема может работать генератором звука или П импульсов - меандров? Все радиолюбители и инженеры прекрасно знают, что Триггеры используются именно за основное свойство быть триггером - переключателем и сохранять своё состояние столь бесконеч
Генератор звука и прямоугольных импульсов
Генератор звука и прямоугольных импульсов

Приветствую любителей электроники всех цветов, полов, и возраста!
Схемы электронные бывают иногда сложны к пониманию, но эту универсальную схему Вы сможете собрать самостоятельно "на раз-два".

Базой этой схемы является не симметричный мультивибратор - классическая схема для получения меандров, а триггер
МЕАНДРЫ - это импульсы П образной формы, часто используемые в схемах управления мощностью подаваемой в нагрузку.

-2

Если внимательно рассмотреть классическую схему мультивибратора, то мы можем заметить, что в предлагаемой мною схеме нет емкостей - конденсаторы "С" отсутствуют.
Это упрощение не только экономит время на подбор нужных деталей, а еще и экономит расходы на их приобретение.

ИСПОЛЬЗОВАНИЕ ТРИГГЕРА ЭКОНОМИЧНЕЕ

но возникает вопрос - А как такая схема может работать генератором звука или П импульсов - меандров?

Все радиолюбители и инженеры прекрасно знают, что Триггеры используются именно за основное свойство быть триггером - переключателем и сохранять своё состояние столь бесконечно долго пока подано питание на схему.

Вот пример схемы триггера обеспечивающего включение и выключение электромотора путем нажатия то клавиши "старт", то клавиши "стоп".

-3

Никакими меандрами и звуковыми колебаниями в этой схеме и не пахнет, да и все схемы триггеров предназначены именно для подобных целей - хранение заданного состояния. Ячейки памяти это триггеры.

Ячейки памяти это триггеры
Ячейки памяти это триггеры

ВСЁ СТАНОВИТСЯ ИНАЧЕ И ТРИГГЕР СТАНОВИТСЯ ГЕНЕРАТОРОМ
если вместо резисторов в нагрузке коллекторов мы будем использовать катушки индуктивности с магнитной связью (трансформатор)

трансформатор
трансформатор

Теперь входные и выходные точки триггера получают магнитную обратную связь и, как это происходит с усилительными каскадами, переходят в режим генерации "П" импульсов.

Тем кто знаком с ШИМ методом управления мощностью преобразователей легко будет понять как происходит изменение частоты генерации в зависимости от нагрузке на средней "рабочей" обмотке этой схемы.

-6

Чем больше нагрузка на выходе трансформатора, тем больше энергии тока требуется для перехода триггера-генератора из одного состояния в другое, тем выше становится частота генерации и чаще происходит отбор энергии от источника тока - батареи.

Не смотря на то, что на выходе коллекторов транзисторных ключей напряжение изменяется скачком (П импульс), на выходе трансформатора мы получаем самый чистый синус.
Тут схема работает как классический преобразователь, к примеру такой, как в бесперебойных источниках питания (ИБП).

Управлять в некоторых пределах частотой генерации этой схемы можно с помощью сдвоенного резистора большой мощности номиналом 2х500 Ом.

-7

Для скептиков сомневающихся в том, что данная схема хорошо работает могу предложить , специально снятое, видео практического опыта

Могу посоветовать посмотреть и этот урок простой электроники

==================================

"Урок 1" Знакомство с Мультиметром DT Электроликбез

"Урок 2" Мультиметр для чего он нужен и как работает

"Урок 3" Измерение емкости конденсатора Мультиметром

"Урок 4" Мультиметр из СССР на что он годится

"Урок 5" Вольтметр из СССР что и как он измеряет

"Урок 6" Компьютерный Мультиметр как работает

"Урок 7" Вечная Батарейка для Мультиметра не покупаю кроны

Урок - "Секретная информация" о ПАВЕРБАНКАХ USB 1/2.

Урок "Даже НЕ ВЗДУМАЙ ВЫБРОСИТЬ" литий-ионный аккумулятор

Как зачем и почему Измеряют Энергию в Вольтах ?