Добавить в корзинуПозвонить
Найти в Дзене
ОВиК project

Вентиляция ИТП. Продолжение

В продолжение темы про вентиляцию ИТП. Разберем пару схем вентиляции ИТП. Примечание: На представленных ниже схемах не указаны противопожарные клапаны и пределы огнестойкости воздуховодов. Вариант 1 ИТП оборудуется приточной установкой с рециркуляцией воздуха без воздухонагревателя. Вытяжная система с естественным побуждением (Рис. 1, Табл. 1). Плюсы: Нет необходимости в вытяжном вентиляторе. Минусы: Достаточно большое сечение воздуховода вытяжной системы. Систему ВЕ1 нужно спроектировать таким образом, чтобы потери давления по сети не превышали 150 Па. Лучше - не более 50 Па (взято по аналогии с требованием п. 7.3.1 СП 60.13330.2020 [1]). В противном случае могут быть проблемы с открытием двери. Вариант 2 Иногда встречается следующее решение: ИТП оборудуется приточной установкой с рециркуляцией воздуха без воздухонагревателя. Проектом предусматривается переток воздуха из помещения ИТП в объем техподполья с дальнейшим удалением системой В1 (Рис. 2, Табл. 2). Казалось бы, очень интер
Оглавление

В продолжение темы про вентиляцию ИТП.

Разберем пару схем вентиляции ИТП.

Примечание:

На представленных ниже схемах не указаны противопожарные клапаны и пределы огнестойкости воздуховодов.

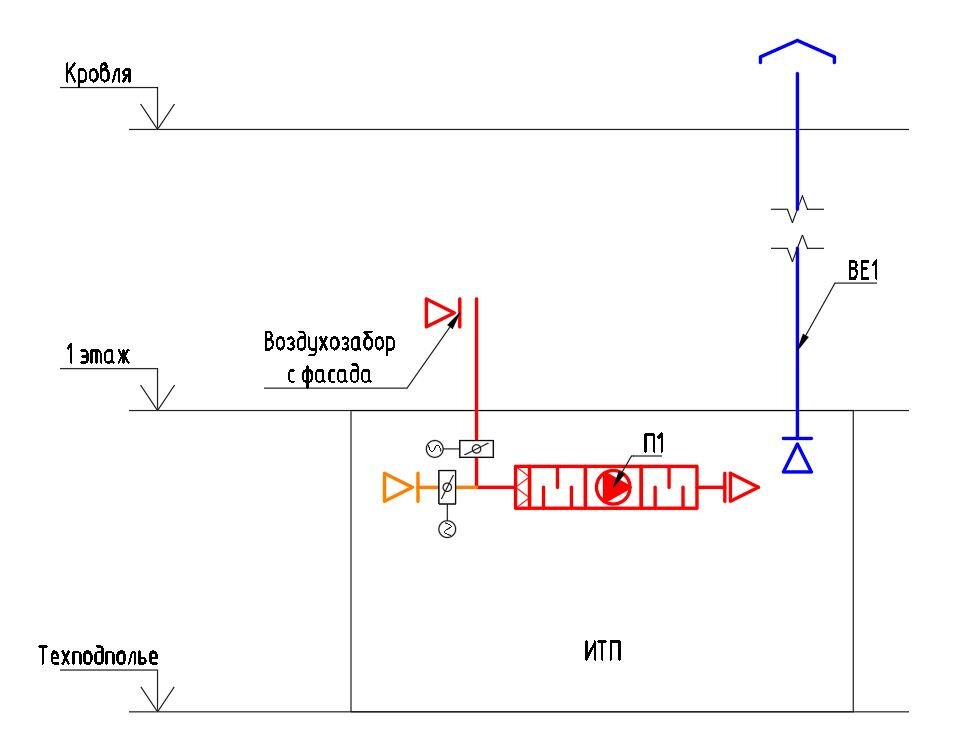
Вариант 1

ИТП оборудуется приточной установкой с рециркуляцией воздуха без воздухонагревателя. Вытяжная система с естественным побуждением (Рис. 1, Табл. 1).

Рис. 1 - Вариант 1. Вентиляция ИТП с вытяжной системой с естественным побуждением
Рис. 1 - Вариант 1. Вентиляция ИТП с вытяжной системой с естественным побуждением
Табл. 1 - Таблица воздухообмена для Варианта 1
Табл. 1 - Таблица воздухообмена для Варианта 1

Плюсы:

Нет необходимости в вытяжном вентиляторе.

Минусы:

Достаточно большое сечение воздуховода вытяжной системы. Систему ВЕ1 нужно спроектировать таким образом, чтобы потери давления по сети не превышали 150 Па. Лучше - не более 50 Па (взято по аналогии с требованием п. 7.3.1 СП 60.13330.2020 [1]). В противном случае могут быть проблемы с открытием двери.

Вариант 2

Иногда встречается следующее решение:

ИТП оборудуется приточной установкой с рециркуляцией воздуха без воздухонагревателя. Проектом предусматривается переток воздуха из помещения ИТП в объем техподполья с дальнейшим удалением системой В1 (Рис. 2, Табл. 2).

Рис. 2 - Вариант 2. Вентиляция ИТП с перетоком в техподполье
Рис. 2 - Вариант 2. Вентиляция ИТП с перетоком в техподполье
Табл. 2 - Таблица воздухообмена для Варианта 2
Табл. 2 - Таблица воздухообмена для Варианта 2

Казалось бы, очень интересная схема. Энергосберегающая. Но есть нюанс....

Итак, производительность вентустановок (без учета подсосов и потерь через неплотности):

П1 - 1225 м3/ч;

П2 - 1775 м3/ч;

В2 - 3000 м3/ч.

Внимание!
Установки необходимо подбирать с запасом на подсосы/утечки (п. 7.9.1 СП 60.13330.2020 [1]). Об этом писали здесь. В данном примере для наглядности не учитываем подсосы/утечки.

В соответствии со схемой:

П1 + П2 = В2

3000 м3/ч = 3000 м3/ч

На первый взгляд все нормально - баланс соблюдается.

Но! Система П1 работает в режиме рециркуляции. А это значит, что в зависимости от температуры наружного воздуха расход воздуха, перетекаемый из ИТП в техподполье, будет меняться: летом будет проектный расход - 1225 м3/ч, а зимой, другой, к примеру - 370 м3/ч.

Получается, что зимой баланс будет нарушен.

Можно предусмотреть автоматическое изменение производительности установки В1, но в таком случае не будет обеспечена необходимая кратность воздухообмена в техподполье.

Как исправить ситуацию?

Один из вариантов - предусмотреть самостоятельную систему вытяжной вентиляции для ИТП и увеличить производительность системы П2 (см. Рис. 3, Табл. 3).

Рис. 3 - Исправленный Вариант 2
Рис. 3 - Исправленный Вариант 2
Табл. 3 - Таблица воздухообмена для Исправленного Варианта 2
Табл. 3 - Таблица воздухообмена для Исправленного Варианта 2

Библиография

[1] СП 60.13330.2020 "Отопление, вентиляция и кондиционирование воздуха СНиП 41-01-2003 (с Поправкой, с Изменением №1)"

Благодарим за внимание!

Подписывайтесь на нас в Telegram!

Чат Telegram-канала доступен по ссылке.

QR-код для перехода в Telegram-канал
QR-код для перехода в Telegram-канал

Отправить пожелания, замечания, Ваши технические решения, справочную литературу и другую полезную информацию Вы можете на электронный адрес: ovik-projekt@yandex.ru