Добавить в корзинуПозвонить
Найти в Дзене
Немного электроники

Лампа 6Н23П и низкое анодное напряжение. Все плохо?

Всем привет! В статье: хороша ли лампа 6Н23П с низким анодным напряжением, честно ли играет и какие искажений вносит. А так же об отличном способе снизить ее искажения. Примечание: эта статья - переделка моей же статьи с другого ресурса. Героиня статьи: лампа 6Н23П. Для усиления звука не предназначена, но применяется на этом поприще часто. Чем так хороша? Не знаю. Отзывы противоречивые: одни лампу рьяно ругают, призывают бросить ее об пол, растоптать в порошок, смести веником в совок и захоронить в дремучем лесу. Другие, столь же самоотверженно нахваливают и клеят бирку лучшей из лучших... Кто прав? Скорее всего ни те ни другие. Крайности редко бывают верны. Впрочем сам я не фанат 6Н23П в звуке. На этот счет мой скромный опыт говорит: "не бери 6Н23П, возьми 6Н1П". Но это речь о высоковольтных каскадах. Может в низковольтных все иначе? Давайте посмотрим. А вы с 6Н23П не сталкивались? Как она вам? Обновление: померял спектры (и не только) для 6Н1П в высоковольтном каскаде с анодным
Оглавление
Лампы это красиво :). На фото: ламповый предусилитель на лампе 6Н23П
Лампы это красиво :). На фото: ламповый предусилитель на лампе 6Н23П

Всем привет!

В статье: хороша ли лампа 6Н23П с низким анодным напряжением, честно ли играет и какие искажений вносит. А так же об отличном способе снизить ее искажения.

Примечание: эта статья - переделка моей же статьи с другого ресурса.

Героиня статьи: лампа 6Н23П.

Для усиления звука не предназначена, но применяется на этом поприще часто. Чем так хороша? Не знаю. Отзывы противоречивые: одни лампу рьяно ругают, призывают бросить ее об пол, растоптать в порошок, смести веником в совок и захоронить в дремучем лесу. Другие, столь же самоотверженно нахваливают и клеят бирку лучшей из лучших... Кто прав? Скорее всего ни те ни другие. Крайности редко бывают верны.

Впрочем сам я не фанат 6Н23П в звуке. На этот счет мой скромный опыт говорит: "не бери 6Н23П, возьми 6Н1П". Но это речь о высоковольтных каскадах. Может в низковольтных все иначе? Давайте посмотрим.

А вы с 6Н23П не сталкивались? Как она вам?

Обновление: померял спектры (и не только) для 6Н1П в высоковольтном каскаде с анодным источником тока. Результаты, на мой взгляд, стоят небольшого усложнения каскада. Подробнее в статье:

В резистивном каскаде все плохо?

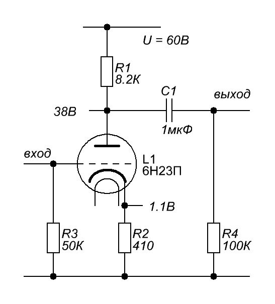
Для начала выдернем сюда схему и измерения из моей старой статьи (опубликованной на другой платформе). Каскад простой, с анодным резистором и напряжением питания 60В.

Схема:

Резистивный каскад на лампе 6Н23П с низким напряжением питания.
Резистивный каскад на лампе 6Н23П с низким напряжением питания.

Для него измерял спектры искажений при разных уровнях выходного сигнала (1В, 2В, 5В, 9В). Результаты объединил в один график:

Спектры искажений для низковольтного резистивного каскада на лампе 6Н23П. Очень посредственный результат на мой взгляд.
Спектры искажений для низковольтного резистивного каскада на лампе 6Н23П. Очень посредственный результат на мой взгляд.

Результат одним словом: плохо. Стоит поднять амплитуду выходного сигнала выше 2В (белые столбцы), и гармоники начинают расползаться во все стороны: спектр стремительно удлиняется, а суммарный уровень искажений перескакивает отметку в 1%, недвусмысленно намекая: забудь о точном звуке....

Уже при 5 вольтах амплитуды выходного сигнала уровень искажений подбирается к 5%.... а при 9 вольтах - спектр еще и удлиняется до 7-ой гармоники. Это кошмар.

Нам такое не подходит.

Линейность каскада сильно зависит от сопротивления анодного резистора (R1) и тока анода лампы. С их повышением уменьшаются искажения и растет коэффициент усиления. Вот только беда: эти величины связаны. Увеличивая одну мы будет вынуждены пропорционально уменьшить вторую. Почему? Потому что товарищ Ом выдумал свой закон :)

Примечание: а еще потому что статическое и динамическое сопротивления резистора - это одна и та же величина.

Итог: в резистивном каскаде с низким напряжением питания, уровень искажений неприемлемо высок, и способов побороть это не видно.

Что делать?

Звать на помощь источник тока. Пусть займет место анодного резистора:

Каскад на 6Н23П с источником тока в анодной нагрузке
Каскад на 6Н23П с источником тока в анодной нагрузке

Читерство источника тока в том что его статическое и динамическое сопротивления почти не связаны между собой. Говоря проще: анодный ток и сопротивление анодной нагрузки по полезному сигналу больше не связаны между собой законом Ома, их можно увеличивать одновременно.

Чудеса будут позже

Сперва хочу заметить, что если источник тока включить в тех же режимах что и резистивный каскад, то есть выбрать тот же ток и то же сопротивление по полезному сигналу, то каскад получится такой же плохой.

Вот пример: установим ток анода = 2-2.5 мА, сопротивление анодной нагрузки сигналу (R4) = 7-8.2 кОм, напряжение на аноде = 40-45 В.

Примечание: По сигналу источник тока и R4 включены параллельно. Сопротивление источника тока очень высокое. Пока можно считать его бесконечным. Поэтому сопротивление по сигналу определяется резистором R4 единолично. Параллельно ему так же включено входного сопротивление следующего каскада. Это нужно учитывать.

Новые спектры:

Спектры гармоник для схемы с источником тока в аноде, при имитации режимов резистивного каскада (не стоит так делать)
Спектры гармоник для схемы с источником тока в аноде, при имитации режимов резистивного каскада (не стоит так делать)

Стало хуже чем было с резистором? Да. Сравним на графиках спектры каскада с источником тока и с резистором при выходном сигнале 2 В и 5 В:

Сравнение спектров гармоник для каскадов с резистором в аноде и с источником тока имитирующим режим резистивного каскада (не стоит так делать)
Сравнение спектров гармоник для каскадов с резистором в аноде и с источником тока имитирующим режим резистивного каскада (не стоит так делать)

Черные спектры - с резистором, оранжевые - с источником тока. С резистором лучше. Пусть у них уровень на второй гармонике чуть повыше, зато все остальные ниже. Для звука это хорошо.

Так и запишем:

Вывод первый: если желаемый режим лампы может быть реализован с использованием анодного резистора, то источник тока не нужен.

Примечание: стоит обратить внимание на то что результаты сильно зависят от параметров примененных транзисторов.

А вот теперь чудеса

Источник тока мы поставили чтобы получить режимы недоступные схеме с анодным резистором. Вот их-то и стоит мерить. Теперь можно поднимать анодный ток, не уменьшая сопротивление анодной нагрузки по сигналу.

Например, выставим ток анода 5 мА. В резистивном каскаде для этого пришлось бы понизить сопротивление анодного резистора до 4 КОм. А в схеме с источником тока ничего понижать не надо. Можно даже наоборот повысить.

Проведем цикл измерений для разных сопротивлений нагрузки: 60 кОм, 30 кОм, 10 кОм, 7 кОм. Все эти режимы нельзя получить в каскаде с анодным резистором при напряжении питания 65 В.

Результаты:

Спектры искажений для лампы 6Н23П с источником тока в аноде, при разных значениях сопротивления нагрузки. Каждый отдельный график - для одного сопротивления.
Спектры искажений для лампы 6Н23П с источником тока в аноде, при разных значениях сопротивления нагрузки. Каждый отдельный график - для одного сопротивления.

Вот это уже неплохо. Каждый сам сделает для себя выводы, а я лишь хочу обратить внимание на то, что мне показалось интересным:

Первое, что привлекло внимание - график с сопротивлением нагрузки 60 КОм. Вот он отдельно:

График гармоник для лампы 6Н23П с источником тока в аноде, при сопротивлении нагрузки 60КОм. Для низковольтной схемы спектры хороши.
График гармоник для лампы 6Н23П с источником тока в аноде, при сопротивлении нагрузки 60КОм. Для низковольтной схемы спектры хороши.

Даже при 15 В на выходе (а это почти полное использование напряжения на источнике тока!) уровень искажений не превышает 0.5 %. Каскад с анодным резистором таким похвастаться не может: уже при 2 В на выходе он имеет более высокий уровень искажений (около 1 %)!

А при тех же 2 В схема с источником тока имеет нелинейность не выше 0.1 % . Улучшение на порядок. Еще и спектр совсем короткий, лишь 2-ая и 3-я гармоники. Точно стало лучше чем было.

Примечание: измерения для сопротивления нагрузки 60КОм имеют наибольшую практическую ценность, так как в обсуждаемых схемах, сопротивление нагрузки - это входное сопротивление следующего каскада. А оно и для ламповых, и для полупроводниковых схем легко может быть равным или превышать 60 кОм. Ниже - бывает редко.

Второе. Спектры искажений, полученные для нагрузки 7 кОм, тоже интересны:

График гармоник для лампы 6Н23П с источником тока в аноде, при сопротивлении нагрузки 7КОм. Они явно лучше чем спектры для резистивного каскада с анодным резистором 8,2 КОма
График гармоник для лампы 6Н23П с источником тока в аноде, при сопротивлении нагрузки 7КОм. Они явно лучше чем спектры для резистивного каскада с анодным резистором 8,2 КОма

Результаты уже не так хороши: низкое сопротивление нагрузки свело к нулю преимущества от высокого динамического сопротивления источника тока. Но повышенный анодный ток в 5 мА (недостижимый в обычном резистивном каскаде, без уменьшения анодного сопротивления) делает свое дело: спектры для сигналов с небольшими амплитудами (до 5 В) невысокие, около 0.5% Даже этот режим годится.

Вывод второй: при низком напряжении питания источник тока в анодной цепи - отличный способ повысить анодный ток, динамическое сопротивление нагрузки и, в результате, линейность схемы.

Дополнительная "плюшка"

Прежде чем поставить последнюю жирную точку в записи, хочу показать еще один график:

Зависимость коэффициента усиления каскада на лампе 6Н23П с источником тока в аноде от сопротивления нагрузки.
Зависимость коэффициента усиления каскада на лампе 6Н23П с источником тока в аноде от сопротивления нагрузки.

Это зависимость коэффициента усиления каскада с источником тока в аноде от нагрузки на его выходе. Усиление, как и должно, растет с ростом сопротивления нагрузки и приближается к своему теоретическому пределу, к параметру "µ". Чем ближе к нему тем выше линейность лампы. И это при любом анодном токе.

Что бы в резистивный каскаде приблизится к "µ", придется очень сильно увеличить анодное сопротивление и одновременно уменьшить анодный ток. Например при выборе анодного резистора в 60 КОм, ток анода составит 0,3 мА. Результат: выходное сопротивление каскада будет очень высоким, а согласование с последующими каскадами плохим. Искажения сильно вырастут, а верхняя граница АЧХ снизится. Это все не хорошо.

Вывод третий: источник тока хорош для достижения максимального коэффициента усиления лампы, с одновременным повышением ее линейности и без потери нагрузочной способности каскада и его согласования с последующей схемой.

Вот как-то так.

На этом завершаю рассказ. А ниже о дальнейших планах:

Думаю в ближайшем будущем опубликовать немного измерений в разных режимах и каскадах для ламп 6Н1П, 6Н2П, 6Н6П. А после пару схем гибридных усилителей для наушников и, может быть одного лампового. Если вам что-то из этого хотелось бы увидеть в первую очередь - сообщите.

И подписывайтесь что бы не пропустить :)

Классическое болгарское: если статья понравилась - поставьте "нравится" - я буду знать что иду верным путем)

Хорошего Вам дня!

С уважением, Константин.

P.S. Буду рад обсудить с Вами тему поднятую в статье. Пишите в комментариях :)

Может быть вам будут интересны эти статьи:

- о лампе 6Н1П в схеме с параллельно включенными триодами. Хороший вариант предварительного усилителя для гибридного ушника (и не только).

- начал строить ламповый усилитель на паре 6Ф6С. Вот об этом в статье и рассказываю :)