Добавить в корзинуПозвонить
Найти в Дзене

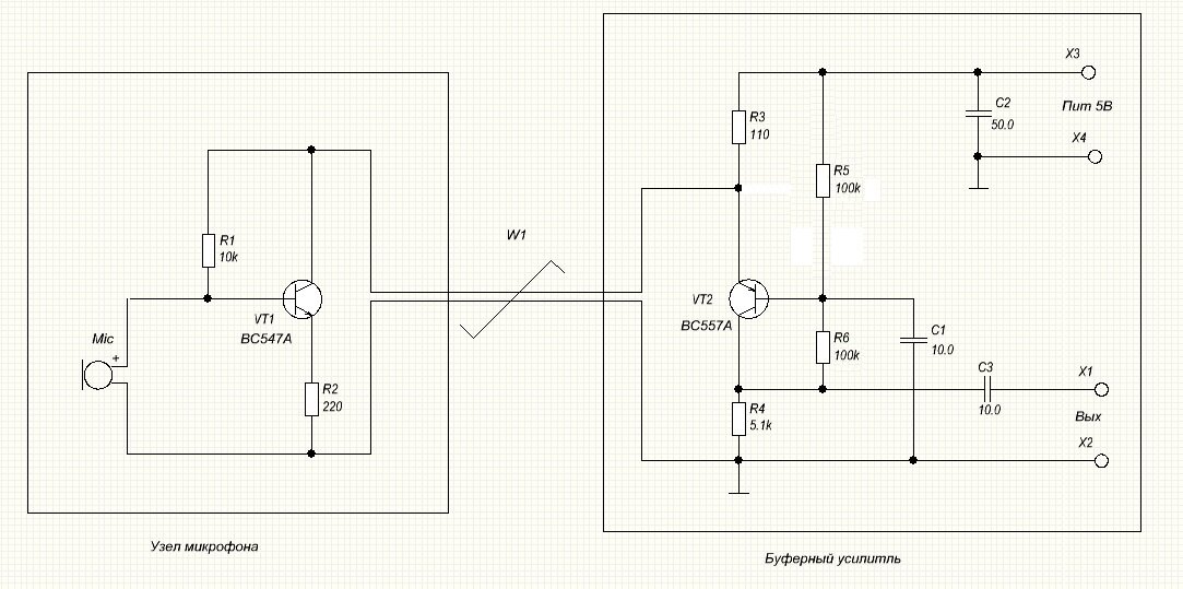
Микрофонный усилитель для микрофона на длинном шнуре

Простые микрофоны, вынесенные на шнуре на расстояние порядка метра и более, подвержены помехам в виде электрических наводок от руки оператора и других узлов. Для борьбы с помехами применяются различные методы. Один из них - "вынесенный усилитель": усилитель, размещаемый непосредственно у микрофона. Вариант схемы приведен на рис.1. Схема состоит из микрофона Mic, узла микрофона на транзисторе VT1, двухпроводного шнура W1 и буферного усилителя на транзисторе VT2. Рис.1.Схема электрическая. Отличительные особенности. Транзисторы устройства включены по схеме единого каскодного усилителя с непосредственной связью и параллельным питанием. Каскодный усилитель разделен на два узла: узел микрофона и буферный усилитель. Шнур W1, соединяющий узлы, передающий сигнал и подающий питание на узел микрофона, выполнен в виде "витой пары", зашунтированной низким входным сопротивлением буферного усилителя, что обеспечивает существенное подавление наведенных помех. Длина шнура может быть много больше

Простые микрофоны, вынесенные на шнуре на расстояние порядка метра и более, подвержены помехам в виде электрических наводок от руки оператора и других узлов.

Для борьбы с помехами применяются различные методы. Один из них - "вынесенный усилитель": усилитель, размещаемый непосредственно у микрофона.

Вариант схемы приведен на рис.1. Схема состоит из микрофона Mic, узла микрофона на транзисторе VT1, двухпроводного шнура W1 и буферного усилителя на транзисторе VT2.

Рис.1.Схема электрическая.

Отличительные особенности.

Транзисторы устройства включены по схеме единого каскодного усилителя с непосредственной связью и параллельным питанием.

Каскодный усилитель разделен на два узла: узел микрофона и буферный усилитель.

Шнур W1, соединяющий узлы, передающий сигнал и подающий питание на узел микрофона, выполнен в виде "витой пары", зашунтированной низким входным сопротивлением буферного усилителя, что обеспечивает существенное подавление наведенных помех. Длина шнура может быть много больше, чем при простой микрофонной головке.

Корпус микрофона соединен с общей шиной, что так же уменьшает уровень наводок от внешних помех.

Общее усиление усилителя по напряжению около 22 дБ (12 раз). Полоса частот от 10 Гц до 2.6 МГц. THD от 0.07% (при Uвх 1 мВ) до 3.8% (при Uвх 50 мВ). Диапазон входных напряжений от 0 до 150 мВ. Питание от 5В. Потребляемый ток не более 7 мА.

Упрощенный узел микрофона может размещаться в ограниченном объеме микрофонной балки, тангенты, гарнитуры и пр. , рис.2.

-2

Рис.2. Микрофонные узлы устройств.

В последующих узлах выполняется формирование частотных, амплитудных и прочих характеристик речевого сигнала.

Далее рассмотрим такие узлы и их характеристики.

Микрофонные усилители, выполненные по приведенному принципу, применяются в аппаратуре связи ИЦ НЕВСКИЙ, описание которой приведено в предыдущих статьях.

Есть вопросы - задавайте.