Добавить в корзинуПозвонить
Найти в Дзене

Полный аналог FMM5061VF (Sumitomo) с более высокой мощностью от NEDITEK

CETC55 (торговая марка Neditek, КНР) выпустила копию пользующейся популярностью GaAs позиции FMM5061VF от Sumitomo (Япония) – NDAC01093-JC. NDAC01093-JC – это усилитель X-диапазона, имеющий коэффициент усиления 33 дБ и обеспечивающий максимальную выходную мощность до 37 дБм (5 Вт). Усилитель NDAC01093-JC, имеющий 3 усилительных каскада, выполнен в герметичном металлокерамическом корпусе. Внутри корпуса по входу и выходу усилителя установлены изолирующие DC (постоянный ток) конденсаторы. NDAC01093-JC допускает работу в непрерывном режиме. Характеристики NDAC01093-JC: Габаритные размеры NDAC01093-JC: Компания Макро Групп является официальным дистрибьютором Neditek в России.

CETC55 (торговая марка Neditek, КНР) выпустила копию пользующейся популярностью GaAs позиции FMM5061VF от Sumitomo (Япония) – NDAC01093-JC. NDAC01093-JC – это усилитель X-диапазона, имеющий коэффициент усиления 33 дБ и обеспечивающий максимальную выходную мощность до 37 дБм (5 Вт).

Усилитель NDAC01093-JC, имеющий 3 усилительных каскада, выполнен в герметичном металлокерамическом корпусе. Внутри корпуса по входу и выходу усилителя установлены изолирующие DC (постоянный ток) конденсаторы. NDAC01093-JC допускает работу в непрерывном режиме.

Полный аналог FMM5061VF (Sumitomo) с более высокой мощностью от NEDITEK
Полный аналог FMM5061VF (Sumitomo) с более высокой мощностью от NEDITEK

Характеристики NDAC01093-JC:

  • частотный диапазон: 8-12 ГГц
  • максимальная выходная можность: 37 дБм
  • коэффициент усиления: 33 дБ
  • напряжение питания/смещения: +8/-0,5 В

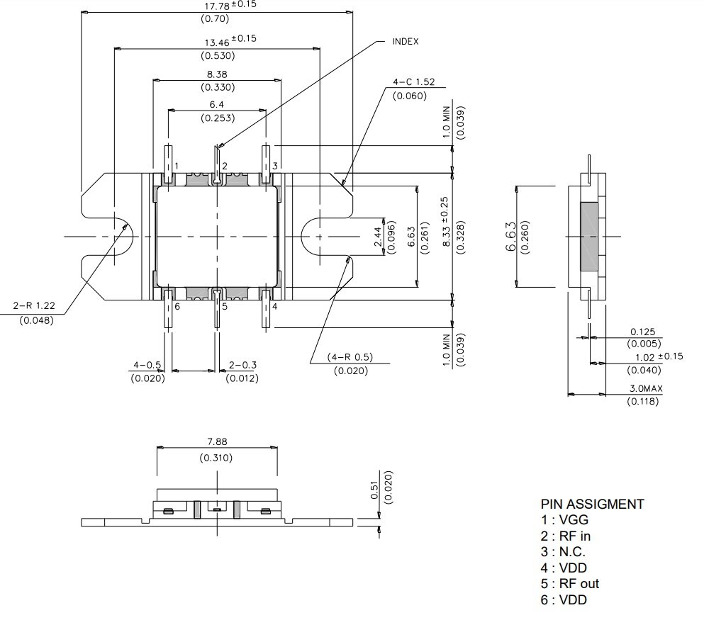
Габаритные размеры NDAC01093-JC:

Габаритные размеры NDAC01093-JC:
Габаритные размеры NDAC01093-JC:

Компания Макро Групп является официальным дистрибьютором Neditek в России.