Найти в Дзене
Войти
Блокнот радиолюбителя
53 подписчика
Подписаться
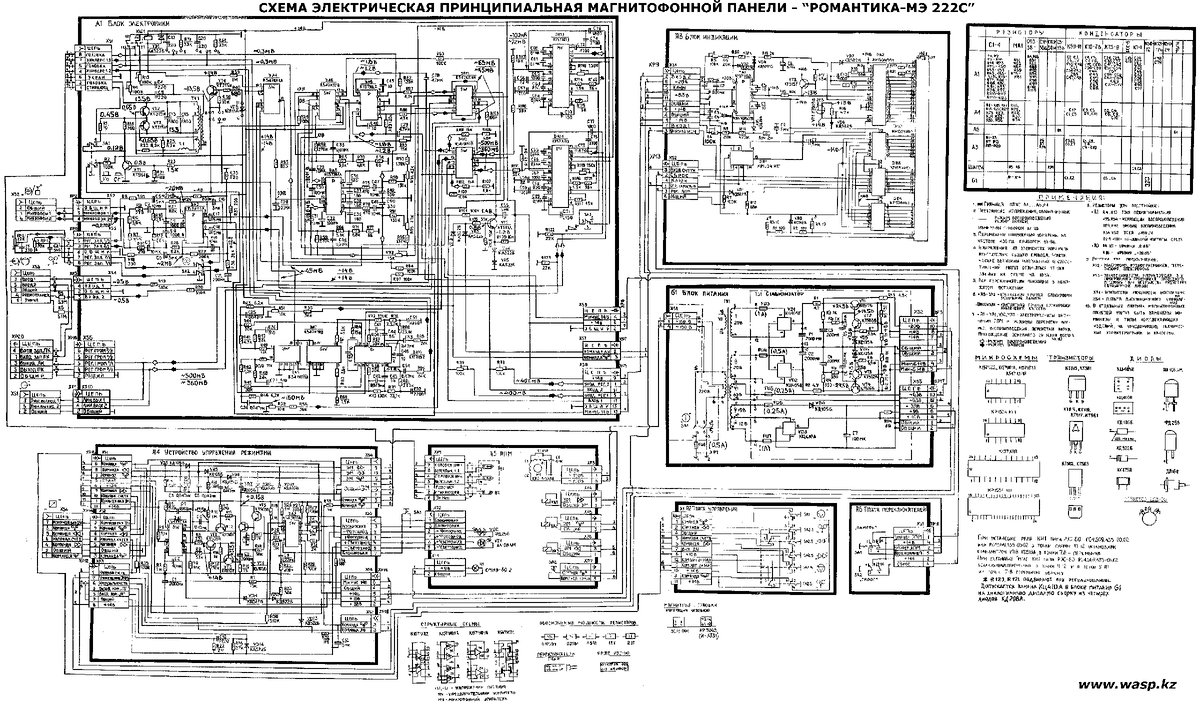
РОМАНТИКА-МЭ222С
20 августа 2023
20 авг 2023
10
...
Читать далее
Усилитель низкой частоты
Усилитель низкой частоты
Магнитофонная панель
Магнитофонная панель