Добавить в корзинуПозвонить
Найти в Дзене
Старый радио любитель

BITX - индийский конструктор, конкурент Elecraft.

Интересуясь разными наборами для сборки приемников и трансиверов я наткнулся на несколько схем, в названиях которых встречалось "BITX". Оказалось, что это названия различных трансиверов, наборы для сборки которых выпускает фирма HF Signals, которая была была основана индийским радиолюбителем Ашхаром Фарханом, VU2ESE, который являлся и разработчиком схем (хотя у него и были помощники). Целью проекта было вовлечение в конструирование аппаратуры и выходу на нем в эфир начинающих радиолюбителей. не имеющих серьезной измерительной аппаратуры. Интересно, что фирма "прописана" в штате Иллинойс, США, но, как указано на сайте в разделе "О нас" - "Каждый из тороидов производится вручную в Индии. Это обеспечивает работающим женщинам средства к существованию." Молодец, Ашхар, создает рабочие места на родине. Наборы включают в себя настроенные платы, корпус, дисплей и т.д. На сайте указано также, что "тысячи приемопередатчиков BITX, поставляемых HF Signals, работают по всему миру". Трансиверы серии

Интересуясь разными наборами для сборки приемников и трансиверов я наткнулся на несколько схем, в названиях которых встречалось "BITX". Оказалось, что это названия различных трансиверов, наборы для сборки которых выпускает фирма HF Signals, которая была была основана индийским радиолюбителем Ашхаром Фарханом, VU2ESE, который являлся и разработчиком схем (хотя у него и были помощники). Целью проекта было вовлечение в конструирование аппаратуры и выходу на нем в эфир начинающих радиолюбителей. не имеющих серьезной измерительной аппаратуры.

Интересно, что фирма "прописана" в штате Иллинойс, США, но, как указано на сайте в разделе "О нас" - "Каждый из тороидов производится вручную в Индии. Это обеспечивает работающим женщинам средства к существованию." Молодец, Ашхар, создает рабочие места на родине. Наборы включают в себя настроенные платы, корпус, дисплей и т.д. На сайте указано также, что "тысячи приемопередатчиков BITX, поставляемых HF Signals, работают по всему миру".

Трансиверы серии BITX имеют разную сложность: от простых однодиапазонных, до более сложных вседиапазонных. Примером простых конструкций являются BITX40 и BITX20. Это однодиапазонные трансиверы предназначенные для начинающих с минимумом моточных изделий на выводных деталях. По схемам - это аппараты с одним преобразованием частоты, кварцевым фильтром и LC-ГПД,

Начну с BITX20, который является QRP трансивером.

Рис. 1.
Рис. 1.

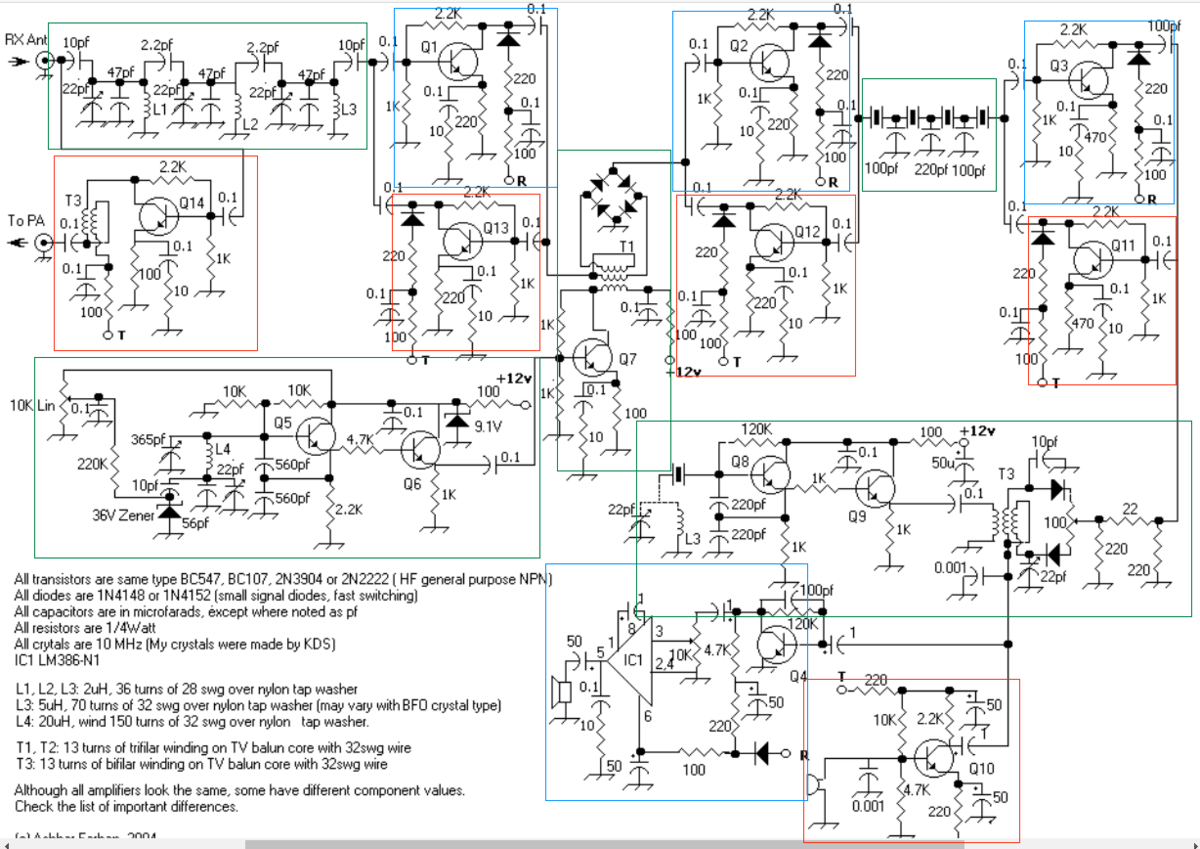
Внешним видом от чем-то напомнил мне мой "Электроника Контур-80". Никаких тебе дисплеев, все очень просто. А схема просто завораживает своей простотой и интуитивной понятностью. Из моточных изделий на основной плате только три контура ДПФ и два трансформатора ШПТЛ для смесителей.

Рис. 2.
Рис. 2.

Ни одного реле, усилители трактов TX (выделены красной рамкой) и RX (выделены синей рамкой) полностью раздельные и их можно оптимизировать по коэффициенту усиления. Общими для трактов приема передачи являются ДПФ, ГПД, смесители и кварцевый генератор. Схема трансивера родилась из приемника S7C, описанного в книге ARRL Experimental Methods in RF Design (издание ARRL).

ГПД по схеме емкостной трехточки с эмиттерным повторителем и усилителем. Напряжение питания генератора и повторителя стабилизировано простым стабилитроном. Расстройка ГПД - с помощью варикапа. Частота работы ГПД от 4 до 4,4 МГц. На такой достаточно низкой частоте работа гетеродина получается достаточно стабильной: После 10 минут прогрева дрейф не заметен даже на QSO PSK31. И это правда, сам в своем приемнике "КТ315-23" использовал похожий ГПД.

Интересен способ подключения трехконтурного ДПФ - через конденсаторы 10 пФ, а не с помощью катушек связи.

Все усилители собраны практически по одинаковым схемам с общим эмиттером. Каскады охвачены ООС по постоянному и переменному току и дают усиление порядка 30 дБ.

Первый смеситель кольцевой по упрощенной схеме с одним трансформатором, второй смеситель, он же балансный модулятор, на двух диодах с одним трансформатором и балансировочным резистором.

Что удивило - так это полное отсутствие какой-либо регулировки усиления по ПЧ, ни автоматической, ни ручной. Есть только регулятор громкости.

Транзисторы и диоды используются самые распространенные, например, ВС547 (хуже наших КТ315) и 1N4148. Монтаж - поверхностный, на пяточках.

Переключение режимов приема и передачи осуществляется подачей на выводы питания каскадов усиления напряжения +12В или 0В.

Рис. 3.
Рис. 3.

На отдельной плате собран усилитель мощности с выходной мощностью 6 Вт. Схема очень проста.

Рис. 4.
Рис. 4.

Первый каскад - на одном транзисторе с трансформаторной нагрузкой, второй каскад - на двух параллельно включенных транзисторах, выходной каскад - на полевом транзисторе IRF510, распространенном и дешевом (140 руб/десяток.).

Более сложной конструкцией является трансивер BITX40. С одной стороны - это тоже QRP трансивер на один диапазон с точно такими же раздельными усилителями тракта ТХ и RX, таким же усилителем мощности. Но уровень другой. Платы трансивера собраны на SMD компонентах, которые уже распаяны и платы налажены. Но есть и отличия.

Рис. 5. (с сайта https://www.hfsignals.com/index.php/2017/11/23/bitx40-circuit-description/)
Рис. 5. (с сайта https://www.hfsignals.com/index.php/2017/11/23/bitx40-circuit-description/)

Изменилась конструкция ДПФ, хотя количество звеньев фильтра сохранилось. Но подключается фильтр уже через конденсаторы 0,1 мкФ, так как входное и выходное сопротивление у него стало ниже. Усложнился первый смеситель - появился второй симметрирующий трансформатор. Напряжение питания гетеродина стабилизируется уже не просто стабилитроном, а интегральным стабилизатором. Изменилась частота кварцевого фильтра: вместо 10 МГц - 12 МГц. Соответственно изменилась и частота ГПД: от 4,8 до 5 МГц. В остальном все осталось по прежнему. Потребление тока в режиме приема - 90 мА.

Так стоило ли огород городить? Оказывается, что стоило. На основной плате оставлено место и разъемы для модернизации трансивера. И первая, и основная из них - использование платы Raduino (на основе Arduino nano) и синтезатора SI5351. Это позволило еще более упростить настройку, так частота синтезатора устанавливается программно и работать на разнесенных частотах. Так как синтезатор может вырабатывать до 3-х частот одновременно, то можно обойтись без кварцевого генератора и очень просто кнопкой переключать режимы USB и LSB. Соответственно, появился и двухстрочный ЖК-дисплей, на котором отображается не только частота, но и используемая частота.

Рис. 6.  Набор BITX40 (с сайта https://vk3yy.files.wordpress.com/2017/01/20170122_093811.jpg)
Рис. 6. Набор BITX40 (с сайта https://vk3yy.files.wordpress.com/2017/01/20170122_093811.jpg)

Набор стоит около $50 (около 4500 руб). В набор не входит корпус и динамик.

Рис. 7. Трансивер в исполнении VK3YY. (с сайта https://vk3yy.files.wordpress.com/2017/01/20170122_093811.jpg)
Рис. 7. Трансивер в исполнении VK3YY. (с сайта https://vk3yy.files.wordpress.com/2017/01/20170122_093811.jpg)

Ну, наконец многодиапазонный трансивер µBITX - это комплект QRP трансивера SSB и CW, простого и удобного в эксплуатации. Он работает в диапазоне от 3 МГц до 30 МГц, потребляя до 10 Вт. Основным его отличием является преобразование частоты вверх. Первая ПЧ равна 45 МГц, полоса фильтра первой ПЧ - 15 кГц. Первый гетеродин перестраиваемый и здесь уже не обойтись без синтезатора. И он здесь есть: та же связка: Arduino nano - SI5351. И в этом трансивере используются все три генератора синтезатора. В остальном схема не так уж и изменилась - смысл остался тот же.

Рис. 8. С сайта https://www.hfsignals.com/index.php/ubitx-v6/
Рис. 8. С сайта https://www.hfsignals.com/index.php/ubitx-v6/

Усилители тракта передачи и приема так же раздельные, но имеют более сложную схему.

Рис. 9. С сайта https://www.hfsignals.com/index.php/ubitx-v6/
Рис. 9. С сайта https://www.hfsignals.com/index.php/ubitx-v6/

Собственно усилитель остался тем же, отсутствует диод, который открывается в рабочем состоянии, зато есть двухкаскадный эмиттерный повторитель, который позволяет лучше согласовать выход усилителя с входом смесителя или кварцевого фильтра. Кварцевый фильтр на частоту 11,059 МГц (автор брал те кварцы, до которых мог дотянуться, о чем и пишет) имеет более сложную схему и лучшую избирательность.

Рис. 10.
Рис. 10.

Фильтр включен между двумя согласующими трансформаторами, а для выравнивая АЧХ в полосе пропускания параллельно первому и последнему кварцу включены дополнительные резонаторы. Интересная задумка, нужно будет проверить.

Первый и второй смесители - полноценные кольцевые с двумя трансформаторами, в них используются диоды с барьером Шоттки. Третий смеситель балансный на двух диодах.

Между выходами синтезатора и портами смесителей включены буферные усилители.

Дисплей в этом случае может быть как ЖК так и TFT, гораздо более информативным.

Рис 11. µBITX v.4 (
Рис 11. µBITX v.4 (
Рис 12. http://www.wa6otp.com/Ubitx.html
Рис 12. http://www.wa6otp.com/Ubitx.html

Вот какой красавец можно приобрести всего за $209 вместе с корпусом и динамиком.

Всем здоровья и успехов!