Найти в Дзене
Мастер ...

Насосы Кама — виды, особенности конструкции, преимущества и недостатки

Насосы Кама — это представители водяных агрегатов, предназначенные для обеспечения жилища водой, а также для полива огородных участков. Производство данных механизмов началось еще с 1950 года Пермским электротехническим заводом. В 2009 году его переименовали на группу ИОЛЛА. В статье мастер сантехник расскажет о видах, особенностях конструкции, преимуществах и недостатках насосов Кама. Виды и описание Кама — первый центробежный аппарат СССР. Электронасос Кама по техническим характеристикам делится на несколько подвидов, характеризируются качеством и приемлемой ценой. Разные технические характеристики, а также конструкционные особенности механизмов стали причиной подразделения их на виды и подвиды. Водяной насос Кама бывает: Эти виды имеют разное назначение, делятся на такие подвиды: Погружной насос Назначение глубинного насоса Кама — подача воды из скважины, водоема или колодца. Они способны пропускать воду вместе с частицами до 1 мм. Имеют производительность от 2000 до 5000 литров за

Насосы Кама — это представители водяных агрегатов, предназначенные для обеспечения жилища водой, а также для полива огородных участков. Производство данных механизмов началось еще с 1950 года Пермским электротехническим заводом. В 2009 году его переименовали на группу ИОЛЛА. В статье мастер сантехник расскажет о видах, особенностях конструкции, преимуществах и недостатках насосов Кама.

Виды и описание

-2

Кама — первый центробежный аппарат СССР. Электронасос Кама по техническим характеристикам делится на несколько подвидов, характеризируются качеством и приемлемой ценой.

Разные технические характеристики, а также конструкционные особенности механизмов стали причиной подразделения их на виды и подвиды.

Водяной насос Кама бывает:

  • Погружной;
  • Поверхностный;
  • Автоматический;
  • Ручной.

Эти виды имеют разное назначение, делятся на такие подвиды:

  • Дренажные. Используются для откачивания жидкостей из подвальных помещений, шахт и колодцев. Может применяться для осушения влажной почвы;
  • Вибрационные. Имеют большую мощность, способны подавать большое количество воды. При этом просты и экономичны в плане электропотребления. Используются на глубине до 10 метров;
  • Центробежные многоступенчатые. Способны выкачивать любую жидкость из любого источника. Нужна отдельная установка эжектора, поскольку нет встроенной системы самовсасывания жидкости.

Погружной насос

Назначение глубинного насоса Кама — подача воды из скважины, водоема или колодца. Они способны пропускать воду вместе с частицами до 1 мм. Имеют производительность от 2000 до 5000 литров за час. Температура рабочей жидкости должна быть не более +35 градусов. Запрещается использование для кислой или щелочной среды.

Для данного аппарата колодец или скважина должны иметь диаметр как минимум 50мм, глубину от 5 до 35 метров.

Поверхностный насос

Водяной насос данного типа используется для полива участка, заполнения бака и резервуара, а также для водоснабжения частного дома. Предназначен для забора воды с источников, расположенных близко к уровню земли.

Поверхностный циркуляционный насос используют в системах отопления, где необходима принудительная циркуляция жидкости.

Компактны, имеют небольшой вес, легко транспортируются. Высота всасывания жидкости - 8 метров. Не предназначены для перекачивания топлива и масел.

Перед эксплуатацией поверхностный насос заливается водой. Иногда нужно заливать и шланг, который идет от колодца к насосу.

Автоматический водяной насос

Основное его назначение- это автономное водоснабжение жилых домов, ферм и других объектов чистой водой с источников низкого давления, таких как колодец, скважина, накопительный резервуар или водопровод.

При работе включается и выключается самостоятельно, по мере расхода воды. Автоматически поддерживает нужное давление в системе водоснабжения. Позволяет избегать гидравлических ударов, что продлевает срок службы системы водоснабжения в целом.

Имеет мощность 650 Вт, производительность 3000 литров в час, максимальную высоту всасывания жидкости - 8 метров.

Ручной водяной насос

Используется чаще на участках с нестабильной электросетью, в условиях частного дома или дачи. Данные устройства надежны, независимы от источника энергии, просты в эксплуатации.

Особенности конструкции и запуска насосов Кама

-3

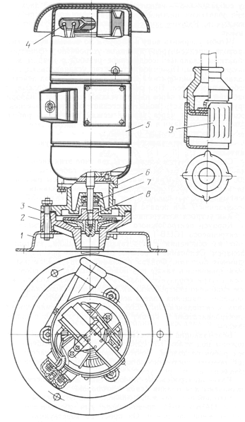
Электронасос «Кама»:

  • 1 — подставка;
  • 2 — основание корпуса;
  • 3 — прокладка;
  • 4 — помехо- подавляющее устройство;
  • 5 — электродвигатель;
  • 6 — крышка насоса;
  • 7 — сальник;
  • 8 — рабочее колесо;
  • 9 — приемное устройство.

Водяной насос Кама представляет собой моноблок из агрегата и электрического двигателя, жестко соединенных между собой. Конструкция не имеет собственного подшипникового узла. Рабочее колесо насажено на вал электродвигателя. Двигатель запрещается использовать без воды более 60 секунд.

Если всасывающий механизм не размещают на плавающий в воде поплавок, на шланге устанавливается обратный клапан. Впускной патрубок защищен металлической сеткой от попадания разных твердых частиц, мальков рыб и водорослей.

Перед включением корпус электродвигателя заполняется водой так, чтобы эжектор был полностью заполнен. После включения вода из эжектора поступает в ходовую часть, курсируя по нижней части корпуса.

Вода, циркулируя в агрегате, выдавливает воздух из системы до появления вакуума. Когда воздух полностью уходит из системы, начинается нормальный цикл подачи воды.

Для частного дома с целью обеспечения горячей и холодной водой рекомендуется использовать поверхностные насосы Кама моноблочного типа. Они обладают преимуществом перекачивания горячей жидкости, температурой до 110 градусов. Малошумны, поскольку имеют небольшую мощность.

Данные моноблочные системы часто применяют для поддержки давления водопроводов на дачах и коттеджах. С их помощью система функционирует, как в городе.

Модельный ряд

Насосы Кама представлены следующим модельным рядом:

  • Насос Кама, первая модель, выпущенная в 1950 году. Имела алюминиевый корпус. Рассчитана на доминирующее на то время напряжение 127 В. Для сети 220 В использовали автотрансформатор этого же производителя;
  • Кама-2 и Кама-3 выпускались в 1960—1970 годах. Это модификации предыдущей модели, но уже для сети 220 В;
  • Насосы Кама-5 (1980-е) были прототипом Камы-3. Модель имела пластмассовые детали корпуса;
  • Насосы Кама-8 также изготавливались в 1980-х годах, был изменен внешний вид;
  • Насосы Кама-10 – это модификация пятой модели, имели легкий пластмассовый корпус. Насосы Кама-10 отличались большей производительностью двигателя и большей частотой вращения ротора;
  • Кама-17 был выпущен в 1990-х годах, это модель с асинхронным двигателем;
  • Кама-19, как и Кама-17, имел асинхронный двигатель. Но уже был с системой самозаполнения шлангов. Выпускался в начале 2000-х годов;
  • Кама-Миллениум также выпущен в 2000-х годах, герметичный асинхронный двигатель обеспечивал работу агрегата под водой;
  • Кама-Автомат- автоматическая установка на базе 19-й модели и аккумулирующей установки;
  • ИОЛЛА- улучшенная модель Камы-10, выпускается с 2012 года.

Преимущества и недостатки

-4

Положительную оценку данных аппаратов вызывают: корпус высокого качества, современный дизайн, экономия электроэнергии. Обладают качеством, надежностью и доступным ценовым диапазоном.

Многие поколения предпочитают среди всех моделей насос Кама-10, он имеет наиболее длительный срок службы и надежный в работе.

Кроме положительных, есть и отрицательные отзывы: сильно шумная работа двигателя, неудобная длина шнура питания. Одним из основных недостатков центробежных насосов является необходимость заливки воды в корпус перед работой.

Видео

В сюжете - Разборка водяного насоса Кама

Если вам понравилась статья, то вы можете поддержать наш канал, через сервис СберЧаевые. И подписывайтесь на наш телеграмм канал.

В продолжение темы посмотрите также наш обзор Насосы «Агидель» — технические характеристики

Источник

Насосы Кама — виды, особенности конструкции, преимущества и недостатки

Насосы
5974 интересуются