Добавить в корзинуПозвонить
Найти в Дзене
Владимир

Замена кнопок на микрофонах Sennheiser G1

Так сложилось, что на моей работе больше полутора десятков лет используются вокальные радиомикрофоны Sennheiser SKM100 и SKM300 первого поколения (G1). Характерная поломка микрофонов этих и похожих моделей в том, что пользователи (в основном девушки с длинными ногтями) выламывают достаточно нежную кнопку включения-выключения. В некоторых Sennheiser G2 (то ли в китайских подделках, то ли в оригинальных) предусмотрен пластиковый толкатель, но, говорят, эта проблема тоже проявляется. Почему-то близлежащие сервисы по ремонту бытовой электроники отказались от такой работы, а "профильный" мастер по ремонту запросил слишком большую сумму. Несмотря на страх, вызванный кажущейся сложностью ремонта, процесс оказался очень простым. Пост был опубликован на Пикабу 22 января 2023 г. Почему я переношу посты с Пикабу на Я.Дзен - уже говорил. Никого не призываю повторять мои действия, я все работы выполняю на свое усмотрение, на свой страх и риск. Не сомневаюсь, что для специалистов отрасли описанное в

Так сложилось, что на моей работе больше полутора десятков лет используются вокальные радиомикрофоны Sennheiser SKM100 и SKM300 первого поколения (G1). Характерная поломка микрофонов этих и похожих моделей в том, что пользователи (в основном девушки с длинными ногтями) выламывают достаточно нежную кнопку включения-выключения. В некоторых Sennheiser G2 (то ли в китайских подделках, то ли в оригинальных) предусмотрен пластиковый толкатель, но, говорят, эта проблема тоже проявляется. Почему-то близлежащие сервисы по ремонту бытовой электроники отказались от такой работы, а "профильный" мастер по ремонту запросил слишком большую сумму. Несмотря на страх, вызванный кажущейся сложностью ремонта, процесс оказался очень простым.

Пост был опубликован на Пикабу 22 января 2023 г. Почему я переношу посты с Пикабу на Я.Дзен - уже говорил.

Фото из интернета - для шапки статьи.
Фото из интернета - для шапки статьи.

Никого не призываю повторять мои действия, я все работы выполняю на свое усмотрение, на свой страх и риск. Не сомневаюсь, что для специалистов отрасли описанное в посте и без меня очевидно, поэтому предлагаю считать настоящий пост заметкой в рабочем дневнике.

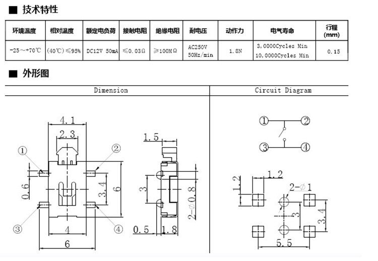
На момент ремонта в "ЧипЫдипе" и на Митинке подходящих кнопок не нашлось, поэтому заказывал с AliExpress. У них большие проблемы с адекватными названиями ("Микрокнопка большая черепаха 4 контакта SMD" и т.д.), поэтому советую ориентироваться при поиске на следующий чертеж (я заказывал такие кнопки, и они точно подошли):

-2

Получив детали, вооружаемся двумя отвертками типа "звездочка", пинцетом, паяльником (лучше двумя) и прочими паяльными принадлежностями. Приступаем к разборке.

Шаг первый. Откручиваем три винта по окружности втулки с резьбой и снимаем пластиковый колпачок, закрывающий всю электронику.

-3
-4
-5
-6

Шаг второй. Отсоединяем белый шлейф от тонкой платы, откручиваем фиксирующий винт и вынимаем плату из ручки. Для отсоединения шлейфа необходимо отщелкнуть черный фиксатор разъема в сторону вытягивания шлейфа. Лучше всего это делать пинцетом. При вынимании платы она может упереться в металлический кожух дисплея - в таком случае допустимо немного отогнуть плату.

-7
-8

Шаг третий. Откручиваем единственный винт, крепящий плату с дисплеем и снимаем её. Будьте осторожны, чтобы не оборвать шлейф, соединяющий две платы. Чтобы плата с дисплеем и шлейф не мешали, шлейф можно отсоединить.

-9

Шаг четвертый. Демонтируем поврежденную кнопку и заменяем новой. Для демонтажа я приловчился использовать два паяльника: зажимаю между жалами деталь, прогреваю все выводы одновременно и снимаю, как пинцетом. Имейте в виду при демонтаже, что снизу у кнопки есть две пластиковые ножки, которые входят в отверстия в печатной плате. Из-за этого кнопку не получится сдвинуть, а нужно снять вверх с поверхности платы.

-10
-11

После замены детали смываем флюс, производим сборку в обратном порядке и запускаем караоке проверяем работоспособность.

Кстати, вот как выглядит кнопка внутри. Видимо, пластиковый толкатель имеет форму клина, и нажатие в горизонтальном направлении приводит к продавливанию контактной пластинки вдоль вертикальной оси.

-12

Тем, кто столкнулся с такой же проблемой, могу выслать ссылку на кнопки на aliexpress (покуда товар доступен для заказа и есть в наличии) или отсыпать пару кнопок (территориально в г. Москва) для самостоятельного ремонта.

Коллеги, спасибо всем, кто дочитал до конца. Желаю успехов в творческом и техническом созидании.