Найти в Дзене
Старый радио любитель

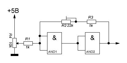
Л.Р. Триггер Шмитта на К555ЛА3 и формирователь для частотомера.

Еще одним устройством на ЛА3, которое часто используется радиолюбителями является триггер Шмитта. Его основным свойством является наличие двух устойчивых состояний (0 и 1), переход из одного состояние в другое при определенном напряжении на входе.

Рис. 1.
Рис. 1.

Я превратил генератор пачек импульсов, о котором писал в предыдущей статье в триггер Шмитта. Подключил к движку переменного резистора и выходу триггера вольтметры.

Рис. 2. Измерение параметров триггера.
Рис. 2. Измерение параметров триггера.

При сопротивлении резистора R = 22 кОм переход триггера из 0 в 1 происходил при напряжении на входе 1,33 В, обратный переход из 1 в 0 происходил при 0,7В. При сопротивлении резистора R = 9 кОм переход триггера из 0 в 1 происходил при напряжении на входе 1,7 В, обратный переход из 1 в 0 происходил, как и в первом случае, при 0,7В. Вот как выглядит этот процесс графически.

Рис. 3.
Рис. 3.

Этот график - реальный, после изменения состояния, например, из 0 в 1, при дальнейшем увеличении напряжения на входе увеличивается и напряжение на выходе триггера. На идеальных графиках этого нет, там только вертикальные и горизонтальные линии, примерно вот так.

Рис. 4.
Рис. 4.

Далее я подал на вход триггера синусоидальный сигнал от генератора, подключив к входу и выходу каналы осциллографа.

Рис. 5.
Рис. 5.

Триггер работал до 20 МГц (это предел у моего генератора).

Рис. 6.
Рис. 6.

Конечно, импульсы на выходе отнюдь не прямоугольные, но вполне годные для работы делителя частоты. На более низкой частоте импульсы выглядели лучше. Я решил подключить к выходу триггера оставшиеся незадействованными два логических элемента.

Рис. 7.
Рис. 7.

Форма импульсов даже на 19 МГц улучшилась.

Рис. 8.
Рис. 8.

А на частоте 1 МГц все выглядело очень достойно.

Рис. 9.
Рис. 9.

Улучшилась не только форма, но выросла и амплитуда. В общем, при повышении частоты требовалась бОльшая амплитуда сигнала на входе.

Чтобы повысить чувствительность нужно добавить усилитель.

Рис. 10.
Рис. 10.

Схема простейшая и распространенная, проста в наладке. По всем рекомендациям с помощью подстроечного резистора R4 установить в точке А напряжение, примерно равное 1/2Uпит, т.е. около 2,5 В.

Рис. 11.
Рис. 11.

В начале я подал сигнал прямо на С1, как на схеме.

Рис. 12.
Рис. 12.

Схема работала от сигнала с амплитудой около 150 мВ, импульсы получились хорошей формы, но появились помехи на входе, которые могут влиять на устройство, к которому подключен данный формирователь импульсов. Чтобы избавиться от этого эффекта. нужно перед усилителем установить эмиттерный повторитель.

Рис. 13.
Рис. 13.

Я повторитель делать не стал, а на входе установил делитель 100 Ом/ 1 кОм, как показано на рис. 11., чтобы проверить чувствительность. Оказалось, что лучшая чувствительность была при напряжении 1,4 В в точке А. В диапазоне от 1 МГц до 20 МГц чувствительность изменялась от 35 мВ до 90 мВ. Можно будет для выравнивания чувствительности последовательно с R5 (между коллектором и резистором) включить дроссель индуктивностью 30 -50 мкГн.

Для того, чтобы формировать импульсы из более высокочастотного сигнала нужно использовать более быстрые микросхемы, например серии К531 или К1531.

Всем здоровья и успехов!