Найти в Дзене
Радиолюбитель - это просто!

Радио приемник на RDA5807FP

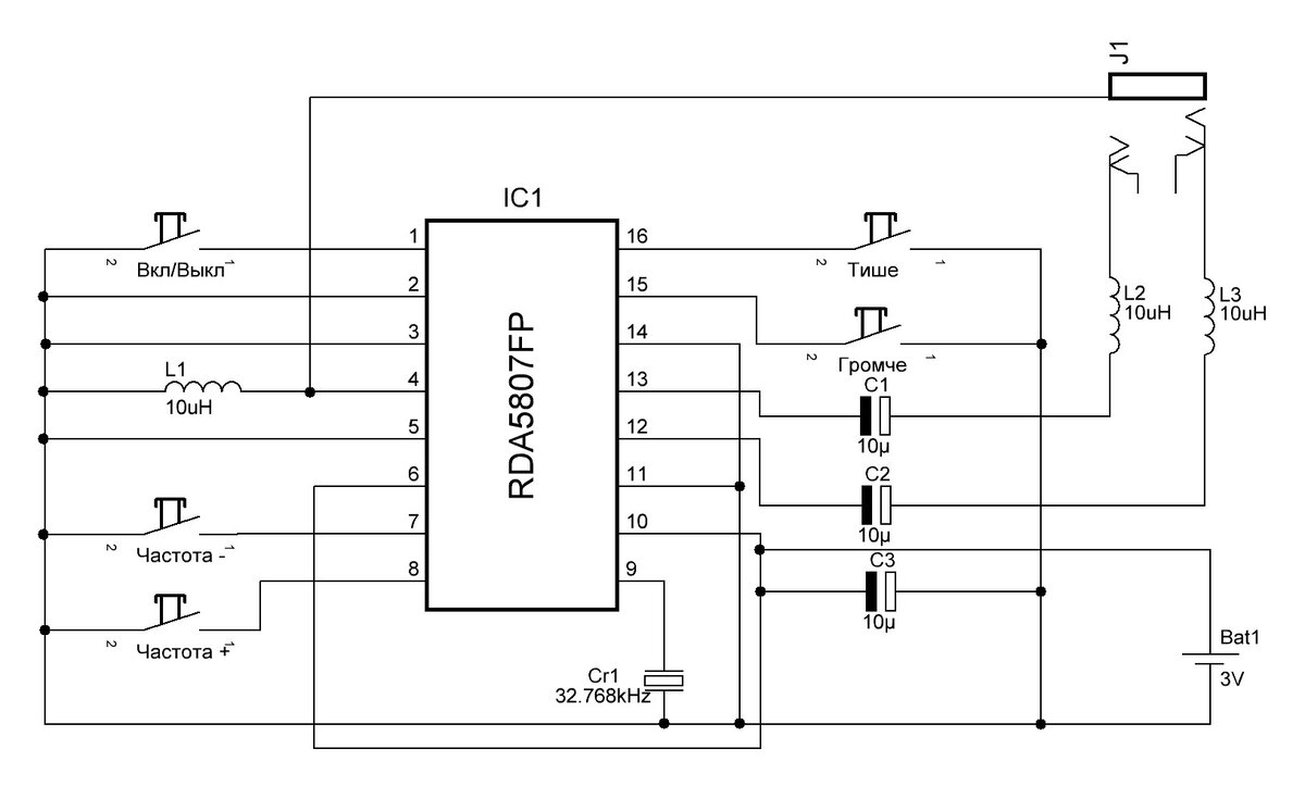
RDA5807FP - Это очень интересная микросхема для построения УКВ радио приёмника, точнее можно сказать, что это и есть радиоприемник. Самая простая схема выглядит вот так: 3 конденсатора, 2 из которых это разделительные на выходе НЧ (левый правый каналы). 3 дросселя, 2 из которых последовательно с конденсаторами на выход НЧ. Часовой кварц и 5 кнопок управления. При этом приемник готов принимать УКВ сигналы в диапазоне от 50 до 108 МГц. И это далеко не все достоинства этой микросхемы. Дело в том, что эта микросхема, это однокрис­таль­ный SDR-при­емник, под­держи­вающий RDS. И самое интересное, что у этой микросхемы есть сть возможность управления по шине I2C или кнопками (как на схеме выше) и для перехода из одного режима в другой никаких действий по настройке не нужно. Другими словами если на "ногах" 7 и 8 микросхемы стоят кнопки, то микросхема отлично управляется кнопками, если туда подключить микроконтроллер, то можно управлять им, и во втором случае получим гораздо больше возможностей

RDA5807FP - Это очень интересная микросхема для построения УКВ радио приёмника, точнее можно сказать, что это и есть радиоприемник.

Самая простая схема выглядит вот так:

Очень простой приемник на RDA5807FP
Очень простой приемник на RDA5807FP

3 конденсатора, 2 из которых это разделительные на выходе НЧ (левый правый каналы). 3 дросселя, 2 из которых последовательно с конденсаторами на выход НЧ. Часовой кварц и 5 кнопок управления. При этом приемник готов принимать УКВ сигналы в диапазоне от 50 до 108 МГц. И это далеко не все достоинства этой микросхемы.

Дело в том, что эта микросхема, это однокрис­таль­ный SDR-при­емник, под­держи­вающий RDS. И самое интересное, что у этой микросхемы есть сть возможность управления по шине I2C или кнопками (как на схеме выше) и для перехода из одного режима в другой никаких действий по настройке не нужно. Другими словами если на "ногах" 7 и 8 микросхемы стоят кнопки, то микросхема отлично управляется кнопками, если туда подключить микроконтроллер, то можно управлять им, и во втором случае получим гораздо больше возможностей. Кроме того микросхема имеет "на борту" стерео декодер и на выходе получается стерео сигнал, и умеет принимать RDS сигналы станций, но для чтения этих сигналов нужно управление по шине I2C и конечно какой ни будь дисплей.

Схема из Даташита RDA5807FP
Схема из Даташита RDA5807FP

Основные характеристики:

  • Общее потребление тока менее 20 мА при 3,0 В
  • Полоса принимаемых частот 50 -108 МГц
  • Поддержка RDS/RBDS
  • Полностью интегрированный цифровой синтезатор частот
  • Полностью интегрированный встроенный ВЧ и ПЧ ГУН
  • Цифровая автоматическая регулировка усиления (АРУ)
  • Цифровое адаптивное шумоподавление
  • Переключатель моно/стерео (по шине I2C)
  • Индикатор мощности принимаемого сигнала (RSSI) и SNR
  • Регулятор громкости и отключение звука (по шине I2C)
  • Часы (есть возможность синхронизации через RDS сигнал)
  • Рабочее напряжение от 2,7 до 3,3 В

Микросхема разрабатывалась для установки в различные портативные устройства от калькуляторов до ноутбуков.

Блок схема RDA5807FP
Блок схема RDA5807FP

Справедливости ради нужно отметить, что кроме RDA5807FP существует еще и RDA5807M, и это немного другая микросхема.

Даташит для RDA5807FP.

Микросхема обладает очень хорошими характеристиками к которым добавляется простота схемы, поэтому схем приемников на RDA5807FP в сети огромное множество.

На Алиэкспресс можно купить конструктор приемника на RDA5807FP и собирается он именно по самой простой схеме из первого рисунка: