Добавить в корзинуПозвонить
Найти в Дзене
Лампа Электрика

Интегральные усилители с низковольтным питанием. Часть 3, ещё несколько вариантов

Изначально статья задумывалась в двух частях (Часть I, Часть II), но, видимо, придется продолжить, поскольку объявились еще несколько микросхем, которые могут пригодиться любителям самоделок. И, боюсь, третьей частью дело не ограничится. MSC1157 Микросхема одноканального УНЧ была разработана специально для работы в устройствах с низким напряжением питания. Коэффициент усиления регулируется внешним резистором, нагрузка может подключаться без разделительного конденсатора. В режиме ожидания чип потребляет ток не более 1 мкА, что делает ее идеальным решением для устройств с автономным питанием. Характеристики: Типовая схема включения с регулировкой усиления по входу и обратной связью выглядит следующим образом: PAM8403 Микросхема представляет собой стереофонический УНЧ класса D, способный развивать мощность по 3 Вт на канал при напряжении питания 5 В. Идеальное решение для активных колонок. Есть защита от короткого замыкания по выходу и перегрева. Минимальное напряжение питания — 2.5 В, ч
Оглавление

Изначально статья задумывалась в двух частях (Часть I, Часть II), но, видимо, придется продолжить, поскольку объявились еще несколько микросхем, которые могут пригодиться любителям самоделок. И, боюсь, третьей частью дело не ограничится.

MSC1157

Микросхема одноканального УНЧ была разработана специально для работы в устройствах с низким напряжением питания. Коэффициент усиления регулируется внешним резистором, нагрузка может подключаться без разделительного конденсатора. В режиме ожидания чип потребляет ток не более 1 мкА, что делает ее идеальным решением для устройств с автономным питанием.

Характеристики:

  • Напряжение питания — 2.0-6.0 В.
  • Выходная мощность при: VCC = 3В – 178 мВт; VCC = 6В – 440 мВт.
  • Сопротивление нагрузки — 8 Ом.
  • Пиковый ток нагрузки — 350 мА.
  • Коэффициент гармонических искажений — не более 1.2%.
  • Входное сопротивление — 20 кОм.

Типовая схема включения с регулировкой усиления по входу и обратной связью выглядит следующим образом:

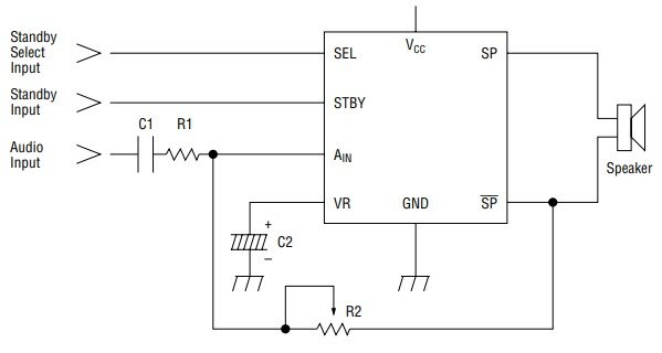
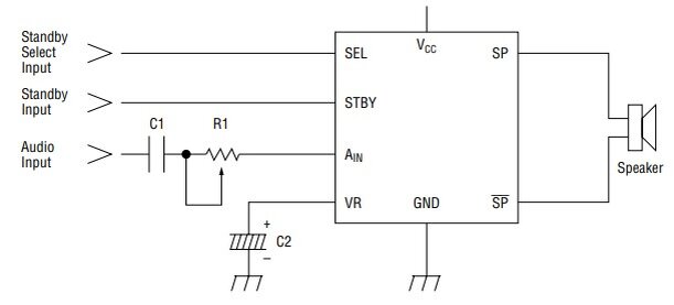
PAM8403

Микросхема представляет собой стереофонический УНЧ класса D, способный развивать мощность по 3 Вт на канал при напряжении питания 5 В. Идеальное решение для активных колонок. Есть защита от короткого замыкания по выходу и перегрева. Минимальное напряжение питания — 2.5 В, что позволяет использовать микросхему в портативных устройствах с питанием от одного литиевого аккумулятора.

Характеристики:

  • Напряжение питания — 2.5-5.5 В.
  • Выходная мощность при: VCC = 5 В, Rн = 4 Ом – 2 х 3 Вт; VCC = 3 В, Rн = 4 Ом – 2 х 1.3 Вт.
  • Коэффициент гармонических искажений — 0.15%.
  • Коэффициент усиления — 24 дБ.
  • Динамический диапазон — 90 дБ.
  • Ток покоя при VCC = 5 В — 16 мА.
  • Ток потребления в режиме ожидания — 1 мкА.

Типовая схема включения выглядит следующим образом:

-2

S1A2209A01

Эта микросхема стереофонического УНЧ способна работать при питании напряжением 1.8 В. Высокой выходной мощности при таком напряжении, конечно, не стоит ждать, но при 3 В вы сможете получить 0.11 Вт на канал или 0.35 при мостовой схеме включения. Вполне достаточно, скажем, для диктофона или миниатюрного плеера.

Характеристики:

  • Напряжение питания – 1.8-9 В.
  • Ток покоя – 6 мА.
  • Выходная мощность (режим стерео) при:o VCC = 6 В, Rн = 4 Ом – 2 х 0.65 Вт;
    o VCC = 3 В, Rн = 4 Ом – 2 х 0.11 Вт.
  • Выходная мощность (режим моста) при:o VCC = 6 В, Rн = 4 Ом – 1.35 Вт;
    o VCC = 3 В, Rн = 4 Ом – 0.35 Вт.
  • Коэффициент гармонических искажений – 0.3%.
  • Входное сопротивление – 100 кОм.

Типовая схема включения в режиме стерео и моста:

BA546

Низковольтный одноканальный УНЧ с возможностью частотной коррекции. Правда, тут вылазит один минус — приличная горсть навесных элементов. Тем не менее, микросхема вполне подойдет для использования в аудиоустройствах с питанием от одного литиевого аккумулятора.

Характеристики:

  • Напряжение питания — 2.0-9.0 В.
  • Ток покоя — 4.8 мА.
  • Усиление по напряжению — 50 дБ.
  • Выходная мощность при VCC = 6 В — 350 мВт.
  • Сопротивление нагрузки — 8 Ом.

Типовая схема включения выглядит следующим образом:

-4

NJM2135D

Одноканальный интегральный усилитель с широким диапазоном питающих напряжений. В режиме ожидания потребляет ток не более 0.1 мкА, то есть абсолютно ничего не потребляет. Может использоваться совместно и с громкоговорителем и с наушниками.

Характеристики:

  • Напряжение питания — 2.0-16 В.
  • Выходная мощность при: VCC = 3 В, Rн = 16 Ом – 55 мВт; VCC = 6 В, Rн = 32 Ом – 250 мВт.
  • Сопротивление нагрузки — 8-200 Ом.
  • Коэффициент усиления — 83 дБ.
  • Ток покоя — 2.5 мА.
  • Ток в режиме ожидания — 0.1 мкА.

Типовая схема включения:

-5

На сегодня, пожалуй, все, но я не прощаюсь. Если заглянет в гости что-то интересное — обязательно познакомлю.