Добавить в корзинуПозвонить
Найти в Дзене
НПП"Бинар"

Обзор и настройка прибора защиты асинхронных электрических двигателей малой мощности СиЭЗ-4А

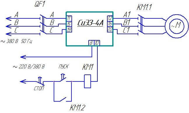
СиЭЗ–4А предназначен для защиты электродвигателей с номинальным (рабочим) током в диапазоне 0,2 – 8 А (ориентировочной мощностью от 0,1 до 3 кВт) при следующих аварийных режимах: -обрыв фазы; - увеличение тока двигателя сверх номинального рабочего значения из-за электрических или технологических перегрузок; - заторможение (заклинивание) ротора двигателя; - короткое замыкание. Питание устройства осуществляется от сети переменного тока частотой 50 Гц с напряжением не более 380 В ± 10 %. Устройство обеспечивает электронную настройку защиты на рабочий ток в цепи питания электродвигателя при его работе в номинальном (штатном) режиме. В зависимости от номинального (рабочего) тока электродвигателя, прибор выпускается в трех исполнениях с диапазонами : 0,2-1,1А; 0,8-3А; 2-8А. При увеличении тока электродвигателя в 1,3 раза от номинального значения, устройство производит его отключение за 40 с; -при увеличении тока электродвигателя в 1,5 раза от номинального значения - отключение за 15с; -пр

СиЭЗ–4А предназначен для защиты электродвигателей с номинальным (рабочим) током в диапазоне 0,2 – 8 А (ориентировочной мощностью от 0,1 до 3 кВт) при следующих аварийных режимах:

-обрыв фазы;

- увеличение тока двигателя сверх номинального рабочего значения из-за электрических или технологических перегрузок;

- заторможение (заклинивание) ротора двигателя;

- короткое замыкание.

Питание устройства осуществляется от сети переменного тока частотой 50 Гц с напряжением не более 380 В ± 10 %.

Устройство обеспечивает электронную настройку защиты на рабочий ток в цепи питания электродвигателя при его работе в номинальном (штатном) режиме.

В зависимости от номинального (рабочего) тока электродвигателя, прибор выпускается в трех исполнениях с диапазонами : 0,2-1,1А; 0,8-3А; 2-8А.

При увеличении тока электродвигателя в 1,3 раза от номинального значения, устройство производит его отключение за 40 с;

-при увеличении тока электродвигателя в 1,5 раза от номинального значения - отключение за 15с;

-при увеличении тока электродвигателя в 2 раза от номинального значения – отключение за 12с;

-при увеличении тока электродвигателя в 2,5 раза от номинального значения - отключение за 6 с;

-при увеличении тока электродвигателя в 3,5 раза от номинального значения - отключение за 5 с;

-при увеличении тока электродвигателя в 4 раза от номинального значения - отключение за 4 с;

-при увеличении тока электродвигателя в 5 раз от номинального значения - отключение за 3 с.

При обрыве любого из фазных проводов или перекосе фазных токов отключение электродвигателя происходит за 2 с.

При коротком замыкании – время срабатывания устройства составляет не более 0,1 с.

Устройство поставляется с режимами настройки соответствующими минимальному току соответствующего диапазона.

Для вхождения СиЭЗ-4А в режим настройки необходимо при нажатой кнопке «Настройка» на передней панели СиЭЗ-4А подать электропитание на СиЭЗ-4А включив автоматический выключатель. Индикатор «Настройка» будет светиться желтым мигающим светом, индицируя о вхождении СиЭЗ-4А в режим настройки.

Далее необходимо включить электродвигатель в рабочем (штатном) режиме. После выхода электродвигателя на установившийся режим работы нажать кнопку «Настройка» на передней панели СиЭЗ-4А и удерживать её до момента, пока индикатор «Настройка» на передней панели СиЭЗ-4А не засветится зеленым цветом.

Если индикатор «Настройка» засветится красным цветом, то это показывает, что настройка СиЭЗ-4А не произошла, так как значение тока протекающего по цепи питания электродвигателя не попало в рабочий диапазон. В этом случае необходимо измерить рабочий ток и сравнить с номинальным диапазоном токов, установленного СиЭЗ-4А. И, исходя из этого, определиться либо электродвигатель работает не в штатном режиме, либо установлено устройство защиты СиЭЗ-4А не с тем рабочим диапазоном.

Свечение индикатора зеленым цветом означает, что СиЭЗ-4А настроено на рабочий ток электродвигателя. После этого необходимо отключить питание СиЭЗ-4А. Теперь СиЭЗ-4А запомнил настройки и готов к работе. При последующем включении СиЭЗ-4А будет обеспечивать защиту электродвигателя в соответствии с параметрами последней настройки.

О работе двигателя в пределах настроенного режима свидетельствует постоянное свечение зеленым цветом индикатора «Настройка».

Свечение индикатора СиЭЗ-4А зеленым цветом означает, что среднее значение тока (по трем фазам) в цепи электродвигателя находится в диапазоне + 20 % от значения тока, на которое было настроено СиЭЗ-4А. Отсутствие свечения индикатора означает, что ток в цепи электродвигателя ниже уровня 0,8 Iнастр. А мигание индикатора зеленым цветом означает, что ток в цепи электродвигателя выше 1,2 Iнастр.

При превышении тока в цепи питания электродвигателя выше значения аварийного уровня срабатывания защиты, индикатор устройства мигает красным цветом, индицируя о превышении аварийного порога, и начинает отсчет времени аварийного отключения электродвигателя соответствующего порогу .

-2