Найти в Дзене
Техноинжиниринг

Принципиальная схема смазки автомобиля КАМАЗ с АЦСС

При проведении техобслуживания автомобилей КАМАЗ порядка 80 % времени ТО-1 занимают работы по ручной смазке узлов шасси, традиционно сопровождающиеся большой потерей смазочного вещества.После установки АЦСС при проведении одного техобслуживания в среднем экономится около 2 часов, что на каждые 100 000 км пробега составляет порядка 48 рабочих часов экономии времени. Эксплуатация опытных автомобилей КАМАЗ с АЦСС показала, что установка системы централизованной системы смазки позволяет исключить смазочные работы при ТО, за счет чего значительно сократить их трудоемкость или увеличить периодичность между ними, при повышении надежность автомобилей. Данные факторы особенно актуальны для автомобилей эксплуатирующихся в сложных дорожных условиях, с отсутствием пунктов обслуживания, при интенсивной эксплуатации автомобилей. Список точек смазки на автомобиле КАМАЗ с колесной формулой 4х2 Насос P203 Техническая характеристика Смазочный насос типа Р203 применяемый на автомобилях КАМАЗ напряжение п

При проведении техобслуживания автомобилей КАМАЗ порядка 80 % времени ТО-1 занимают работы по ручной смазке узлов шасси, традиционно сопровождающиеся большой потерей смазочного вещества.После установки АЦСС при проведении одного техобслуживания в среднем экономится около 2 часов, что на каждые 100 000 км пробега составляет порядка 48 рабочих часов экономии времени.

Эксплуатация опытных автомобилей КАМАЗ с АЦСС показала, что установка системы централизованной системы смазки позволяет исключить смазочные работы при ТО, за счет чего значительно сократить их трудоемкость или увеличить периодичность между ними, при повышении надежность автомобилей. Данные факторы особенно актуальны для автомобилей эксплуатирующихся в сложных дорожных условиях, с отсутствием пунктов обслуживания, при интенсивной эксплуатации автомобилей.

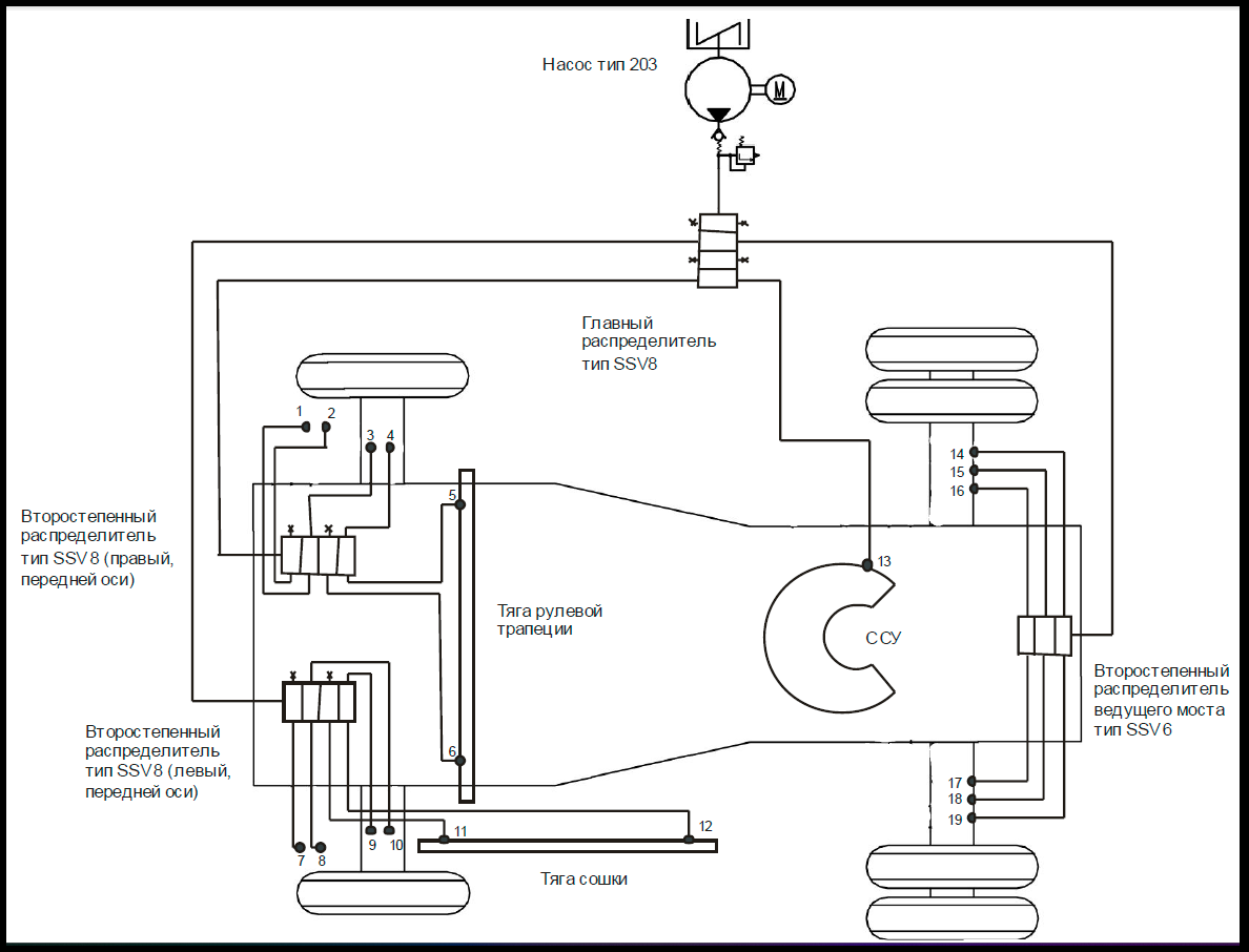
Принципиальная схема смазки автомобиля КАМАЗ с АЦСС
Принципиальная схема смазки автомобиля КАМАЗ с АЦСС

Список точек смазки на автомобиле КАМАЗ с колесной формулой 4х2

  1. Правый передний регулировочный рычаг
  2. Разжимной кулак (передний, правый)
  3. Правый верхний шкворень
  4. Правый нижний шкворень
  5. Правый шарнир тяги рулевой трапеции
  6. Левый шарнир тяги рулевой трапеции
  7. Левый передний регулировочный рычаг
  8. Разжимной кулак (передний, левый)
  9. Левый нижний шкворень
  10. Левый верхний шкворень
  11. Шарнир тяги сошки
  12. Шарнир тяги сошки
  13. ССУ
  14. Правый задний регулировочный рычаг
  15. Разжимной кулак (задний, правый)
  16. Разжимной кулак (задний, правый)
  17. Разжимной кулак (задний, левый)
  18. Разжимной кулак (задний, левый)
  19. Левый задний регулировочный рычаг
Насос P203
Насос P203

Насос P203

Техническая характеристика

  • Кол-во насосных елементов : 1 (К6)
  • Раб.давление мах[bar] : 350
  • Вместимость бочка [dm³]: 2
  • Применяемая смазка: Масла от 40 cSt при 40° C. смазка до NLGI-Klasse 2
  • Выдаваемый объем смазки [cm³/min] : 2,8 (каждый насосный элемент)
  • Рабочая температура: -40° bis +70° C
  • Подкл.напряжение: 24 VDC
  • Защита: IP6K9K

Смазочный насос типа Р203 применяемый на автомобилях КАМАЗ напряжение приводного электромотора 24 V, объем емкости 2 литра, встроенный блок управления типа V10 и вмонтированный насосный элемент типа К6 производительностью 2,8 см³/мин.

Распределитель SSV
Распределитель SSV

Распределитель SSV

Техническая характеристика

  • Кол-во выпускных отверстий: 6-22
  • Подача за ход поршня[cm³]: 0,2
  • Раб. Давление max [bar] : 350
  • Применяемые смазочные вещества: Масла от 20cSt при 40°C. Смазка до NLGI 2 nach DIN51818
  • Входная резьба: G1/8
  • Резьба выпускного отверстия: M10x1,0
  • Рабочая температура [°C] : -40 bis +70
  • Материал: сталь, вороненая, оцинкованная

Распределитель типа SSV – блок, имеющий одно входное отверстие сверху и, в зависимости от модели, определенное количество выходов (от 6 до 22). Благодаря специальной конструкции распределителя, при подаче смазки под давлением происходит вынужденное передвижение плунжеров в нем.

Техноинжиниринг

Наш сайт