Добавить в корзинуПозвонить
Найти в Дзене

Схема необычного диодного выпрямителя. Мудрость советских конструкторов в действии.

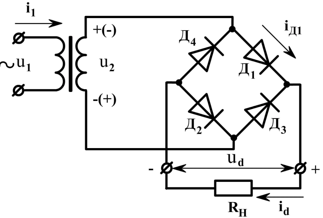
Приветствую всех! Многим хорошо известна схема выпрямителя переменного тока с диодным мостом состоящим из четырёх диодов соединенных по простой схеме Гретца Схема Гретца В такой схеме переменное напряжение источника подведено к двум точкам выпрямительного моста (в случае с двухпроводной цепью электропитания).
Разумеется, есть и варианты подобных схем предназначенные для выпрямителей тока в сети с тремя токоведущими проводами На первый взгляд схема (та что на заставке к статье) напоминает именно такой "трёхфазный" выпрямитель, но подключенный неестественным образом к двухпроводной сети. ЧТО ДАЕТ НАМ ТАКОЕ ВКЛЮЧЕНИЕ НА ПРАКТИКЕ ? Быть может, с помощью дополнительной пары диодов и конденсатора, мы можем достигнуть эффекта схемы Латура-Делона-Гренашера ? В схеме Латура-Делона-Гренашера происходит удвоение напряжения за счет применения "конденсаторных емкостей", а вот в представленной схеме напряжение хоть и увеличивается, но не вдвое. РАССМОТРИМ НАЗНАЧЕНИЕ ВСЕХ ЭЛЕМЕНТОВ СХЕМЫ
Диодный м
Оглавление

Приветствую всех! Многим хорошо известна схема выпрямителя переменного тока с диодным мостом состоящим из четырёх диодов соединенных по простой схеме Гретца

Схема Гретца

схема из учебника по Электротехнике
схема из учебника по Электротехнике

В такой схеме переменное напряжение источника подведено к двум точкам выпрямительного моста (в случае с двухпроводной цепью электропитания).
Разумеется, есть и варианты подобных схем предназначенные для выпрямителей тока в сети с тремя токоведущими проводами

схема из учебника по Электротехнике
схема из учебника по Электротехнике

На первый взгляд схема (та что на заставке к статье) напоминает именно такой "трёхфазный" выпрямитель, но подключенный неестественным образом к двухпроводной сети.

-4

ЧТО ДАЕТ НАМ ТАКОЕ ВКЛЮЧЕНИЕ НА ПРАКТИКЕ ?

Быть может, с помощью дополнительной пары диодов и конденсатора, мы можем достигнуть эффекта схемы Латура-Делона-Гренашера ?

В схеме Латура-Делона-Гренашера происходит удвоение напряжения за счет применения "конденсаторных емкостей", а вот в представленной схеме напряжение хоть и увеличивается, но не вдвое.

РАССМОТРИМ НАЗНАЧЕНИЕ ВСЕХ ЭЛЕМЕНТОВ СХЕМЫ
Диодный мост
с тремя точками входа переменного тока состоит из шести диодов или трёх полумостов проводящих ток только в одном направлении.
Предохранитель предохраняет всю схему от всплеска тока превышающего порог в 2 ампера.
Резистор мощностью в 3 ватта и малым сопротивлением (2-20 ом) предохраняет и спасает диоды выпрямительного моста в момент включения выпрямителя и заряда емкого (100-1000 мкф) конденсатора стоящего на выходе схемы.
В момент включения, конденсатор на выходе имеет практически нулевое сопротивление, что равносильно короткому замыканию и ток протекающий через диоды может вывести их из строя (сжечь предохранитель).
Примечание. В наше время вместо обычного мощного резистора применяются Термисторы - термозависимые сопротивления обеспечивающие плавное нарастание тока в подобных схемах.

САМЫЙ ИНТЕРЕСНЫЙ ЭЛЕМЕНТ СХЕМЫ

это конденсатор емкости в 0,2 мкф подключенный к третьему полумосту.
Этот конденсатор, пропуская часть переменного тока как реактивное сопротивление, обеспечивает сдвиг фазы приходящего на выходной конденсатор напряжения, обеспечивая тем самым дополнительное сглаживание пульсаций напряжения и тока в нагрузке.

-5

Гораздо чаще для дополнительного сглаживания пульсаций тока используется классическая схема с применением дросселя обеспечивающего, как и конденсатор, сдвиг фазы тока и напряжения.

-6

ДОПОЛНИТЕЛЬНОЕ СГЛАЖИВАНИЕ ПРИМЕНЯЕТСЯ РЕДКО
В большинстве случаев мы можем обойтись просто конденсатором большой емкости, если конечно выполняется условие

-7
-8

ОДИН ИЗ САМЫХ НЕОБЫЧНЫХ ВЫПРЯМИТЕЛЕЙ

ОН НЕОБЫЧЕН ТЕМ ЧТО В НЕМ СОВСЕМ НЕТ ДИОДОВ

-9

Как думаете? Какой из фильтров для гашения пульсаций такого выпрямителя подойдет: с конденсатором или с дросселем ?