Найти в Дзене
Старый радио любитель

Для начинающих. Простой супергетеродин "315-23". Часть 8.

Собираю кварцевый генератор. Напомню схему: Первым делом устанавливаю стабилизатор и транзистор генератора с обвязкой. С31 у меня 47 пФ, а С46 = 220 пФ, а параллельно конденсатору С37 я включил электролит емкостью 100 мкФ х 16 В. После того, как у меня сдохли два аккумулятора после замыкания, я теперь стараюсь устанавливать защитные диоды по питанию на ток 0,5 - 1 А. Подпаиваю кварц, подключаю осциллограф к эмиттеру транзистора и подключаю питание (12 В). На экране осциллографа вот что: Ну совсем не синусоида, но генератор работает. Теперь нужно установить катушку. У меня есть вот такие от дядюшки Ху. У катушек есть подстроечные сердечники, для вращениях которых я из стеклотекстолита сделал диэлектрическую отверточку. Так как при моделировании схемы индуктивность у меня получилась 5 мкГн, то я взял катушку с бОльшей индуктивностью. Катушку связи из 6-ти витков я намотал тонким проводом ПЭЛ 0,15 поверх катушки индуктивности в верхней ее части. Чтобы не мучиться с подбором конденсатора

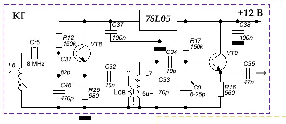
Собираю кварцевый генератор. Напомню схему:

Рис. 1.
Рис. 1.

Первым делом устанавливаю стабилизатор и транзистор генератора с обвязкой. С31 у меня 47 пФ, а С46 = 220 пФ, а параллельно конденсатору С37 я включил электролит емкостью 100 мкФ х 16 В.

Рис. 2.
Рис. 2.

После того, как у меня сдохли два аккумулятора после замыкания, я теперь стараюсь устанавливать защитные диоды по питанию на ток 0,5 - 1 А. Подпаиваю кварц, подключаю осциллограф к эмиттеру транзистора и подключаю питание (12 В).

Рис. 3.
Рис. 3.

На экране осциллографа вот что:

Рис. 4.
Рис. 4.

Ну совсем не синусоида, но генератор работает. Теперь нужно установить катушку. У меня есть вот такие от дядюшки Ху.

Рис. 5.
Рис. 5.

У катушек есть подстроечные сердечники, для вращениях которых я из стеклотекстолита сделал диэлектрическую отверточку. Так как при моделировании схемы индуктивность у меня получилась 5 мкГн, то я взял катушку с бОльшей индуктивностью. Катушку связи из 6-ти витков я намотал тонким проводом ПЭЛ 0,15 поверх катушки индуктивности в верхней ее части.

Чтобы не мучиться с подбором конденсатора С33 (а вдруг модель врет?) я вместо него подключил одну секцию советского КПЕ.

Рис. 6.
Рис. 6.

Покрутив шкив, по осциллографу (а можно с помощью ВЧ-пробника) настроился на максимум напряжения сигнала. По положению ротора прикинул, что модель не врет. Поставил С33=68 пФ. Подкрутил сердечник катушки, снова настроился на максимум.

Рис. 7.
Рис. 7.

На контуре сигнал исключительно синусоидальный, да с размахом 5 В. Собираю и подключаю эмиттерный повторитель. На эмиттере VT9 напряжение постоянного тока 6,2 В. Подключаю осциллограф.

Рис. 8.
Рис. 8.

Форма сигнала на эмиттере VT9 синусоидальная, как и на контуре.

Рис. 9.
Рис. 9.

Размах сигнала чуть меньше, чем на контуре. Впаиваю подстроечный конденсатор С0.

Рис. 10.
Рис. 10.

При его минимальной емкости размах сигнала на эмиттере 4,6 В, а при его максимальной емкости - 2,2 В.

Все готово.

Всем успехов и здоровья!