Найти в Дзене
Not_facebooked

Часть 8. Силовая часть, поиск снаббера. Продолжение.

За время, прошедшее после публикации "Части №7" удалось, наконец, "изготовить" подходящий вариант силовой части будущего ККМ с пассивным регенеративным снаббером. Но, обо всем по порядку. Было проработано на моделях несколько вариантов снабберов, вживленных в силовую часть повышающего преобразователя. Все они могут быть разделены на две группы: первая - силовой дроссель конвертера остается однообмоточным, а элементы снаббера с дросселем не взаимодействуют и живут своей жизнью, и вторая - на дросселе появляются дополнительные обмотки, участвующие в работе снаббера. Рассмотрим кратко примеры из первой группы, на которые возлагались некоторые надежды. На рис. 1 показан снаббер из работы [1]. Здесь L1 - индуктивность, затягивающая фронт тока коллектора, D1,C1 - стандартный снаббер "на выключение" транзистора, С2 - вспомогательный конденсатор, служащий "резервуаром", в который С1 сбрасывает заряд во время замкнутого состояния ключа S, после выключения транзистора S в первый моме

За время, прошедшее после публикации "Части №7" удалось, наконец, "изготовить" подходящий вариант силовой части будущего ККМ с пассивным регенеративным снаббером. Но, обо всем по порядку.

Было проработано на моделях несколько вариантов снабберов, вживленных в силовую часть повышающего преобразователя. Все они могут быть разделены на две группы: первая - силовой дроссель конвертера остается однообмоточным, а элементы снаббера с дросселем не взаимодействуют и живут своей жизнью, и вторая - на дросселе появляются дополнительные обмотки, участвующие в работе снаббера.

Рассмотрим кратко примеры из первой группы, на которые возлагались некоторые надежды. На рис. 1 показан снаббер из работы [1].

Рис. 1. Снаббер из работы [1].
Рис. 1. Снаббер из работы [1].

Здесь L1 - индуктивность, затягивающая фронт тока коллектора, D1,C1 - стандартный снаббер "на выключение" транзистора, С2 - вспомогательный конденсатор, служащий "резервуаром", в который С1 сбрасывает заряд во время замкнутого состояния ключа S, после выключения транзистора S в первый момент ток дросселя L0 течет через заряженный предварительно С2, разряжает его и тем самым энергия, накопленная С2 сбрасывается в нагрузку.

На рис.2 показан другой представитель подобных снабберов из публикации [2].

Рис. 2. Снаббер из работы [2].
Рис. 2. Снаббер из работы [2].

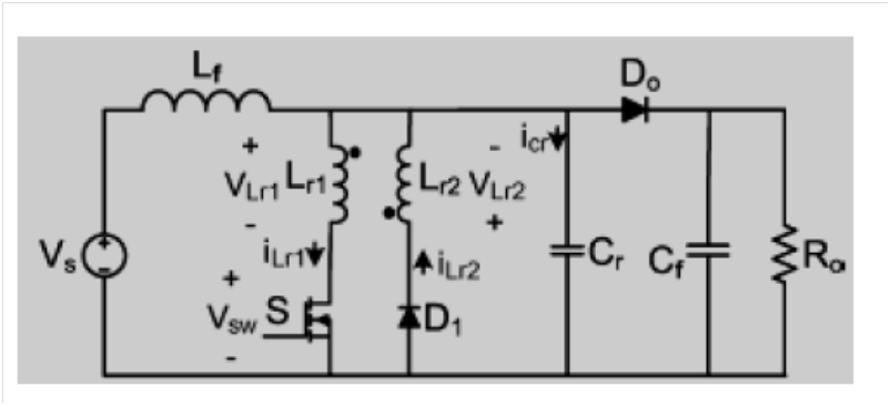
На рис. 3 - еще один представитель пассивных регенеративных снабберов "на выключение" в составе SEPIC конвертера, но ничто не мешает использовать его совместно с буст-конвертером, тем более, что SEPIC - это гибрид буста с понижающим.

Рис. 3. Снаббер из статьи [3].
Рис. 3. Снаббер из статьи [3].

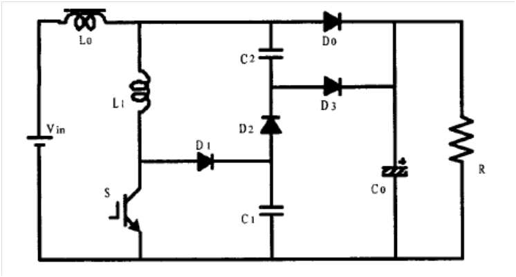
В работе [4] предложен резонансный снаббер "на включение и выключение", показанный на рис. 4.

Рис. 4. Резонансный снаббер из [4].
Рис. 4. Резонансный снаббер из [4].

Еще один вариант транзита энергии, накопленной элементами снаббера представлен в статье [5].

Рис. 5. Снаббер из работы [5].
Рис. 5. Снаббер из работы [5].

Все приведенные примеры теоретически работают, но не являются универсальным решением, то есть не масштабируются легко и просто на любой уровень мощности конвертера. Все описанные решения работают, приблизительно, до 500 - 700 Вт, если верить результатам моего моделирования в МС-12. Главная и общая для такого типа снабберов проблема заключается в том, что в них нет механизма быстрого сброса тока, накопленного вспомогательной "затягивающей" индуктивностью на интервале выключенного состояния транзистора. На этом интервале времени напряжение (э.д.с.) на указанной индуктивности слишком мало, чтобы она могла быстро освободиться от протекающего в ней тока и быть готовой к следующему включению силового транзистора. Чтобы решить эту проблему нужно как-то "помочь" снабберной индуктивности освободиться от тока. Этот подход реализуется в снабберах из второй группы за счет использования напряжения на вспомогательной вторичной обмотке силового дросселя. Рассмотрим в качестве примеров несколько таких решений и примерим на свою задачу.

На рис. 6 приведена силовая часть из [6].

Рис. 6. Силовая часть с 2х-обмоточным дросселем и регенеративным снаббером [6].
Рис. 6. Силовая часть с 2х-обмоточным дросселем и регенеративным снаббером [6].

В этой топологии не указаны в явном виде, но подразумеваются индуктивности рассеивания дроссель-трансформатора, которые необходимы для правильной работы схемы, особенно индуктивность рассеивания, приведенная к вторичной обмотке. Эта схема подробно рассматривалась в предыдущей "Части №7", но как-то не зашла...

На рис. 7 показан еще один вариант с иным включением вторичной обмотки из [7].

Рис. 7. Конвертер из публикации [7].
Рис. 7. Конвертер из публикации [7].

Более сложный вариант предложен в [8], показан на рис. 8.

Рис. 8. Силовая часть и снаббер с 3х-обмоточным дросселем из [8].
Рис. 8. Силовая часть и снаббер с 3х-обмоточным дросселем из [8].

Авторы статьи [9] предлагают вариант силовой части очень похожий на топологию из [5], рис. 9.

Рис. 9. Топология с 2х-обмоточным дросселем из [9].На рисунке не показана индуктивность рассеивания вторичной обмотки, играющая роль индуктивности, "затягивающей" фронт тока стока ключа М в момент его включения.
Рис. 9. Топология с 2х-обмоточным дросселем из [9].На рисунке не показана индуктивность рассеивания вторичной обмотки, играющая роль индуктивности, "затягивающей" фронт тока стока ключа М в момент его включения.

Еще один и на сегодня последний представитель подобной топологии - конвертер из работы [10], рис. 10.

Рис. 10. Повышающий преобразователь из [10]. Конвертер у авторов двунаправленный. Ключ S2 можно мысленно исключить из схемы (но не диод при S2) и получится типовой буст-конвертер.
Рис. 10. Повышающий преобразователь из [10]. Конвертер у авторов двунаправленный. Ключ S2 можно мысленно исключить из схемы (но не диод при S2) и получится типовой буст-конвертер.

На этом обзор схемотехнических решений на тему "повышающий преобразователь с мягкой коммутацией" закончим. Приведенные примеры представляют собой ничтожную часть статей на указанную и близкие темы. Подробное описание работы каждой из приведенных топологий не приводится, заинтересованные читатели могут получить эту информацию напрямую из оригинальных публикаций.

Если посмотреть на приведенные варианты, то можно заметить, что топологии различаются расположением "затягивающей" снабберной индуктивности и вспомогательного конденсатора.

Оба эти элемента могут располагаться либо последовательно по отношению к силовому дросселю (рис. 6), либо параллельно источнику питания (рис. 8). Рассмотрим эти варианты на предмет определения оптимального.

Конденсатор последовательно с дросселем. Трудно назвать этот вариант удачным в случае киловаттных мощностей: нас ожидает весьма "толстый" конденсатор в смысле его размеров и стоимости, а вот снабберная индуктивность последовательно с дросселем - это удачный вариант, так как в момент включения транзистора ток этой индуктивности равен по величине току силового дросселя, но течет через транзистор в противоположном направлении. Таким образом автоматически получаем полную компенсацию этих токов через транзистор. Но этот механизм будет давать нужный эффект в случае использования в качестве силового ключа MOSFET транзистора, канал которого обладает двусторонней проводимостью. В случае применения IGBT транзистора такой компенсации в самом ключе не произойдет: ток дросселя будет течь через переход коллектор-эмиттер, а ток снабберной индуктивности - через встроенный анти-параллельный диод (который должен быть!). То есть в случае IGBT происходит не компенсация, а фактически удвоения тока через "коллектор-эмиттер + внутренний диод" и, соответственно, растут потери проводимости. Поэтому при использовании IGBT-ключей оптимальным вариантом будет вариант "индуктивность снаббера последовательно в цепи коллектора и вспомогательный конденсатор - параллельно источнику питания". При этом оба эти элемента желательно выбирать минимально достаточного номинала.

Еще один важный момент при использовании 2х-обмоточного дросселя. У такого дросселя форма входного тока уже не будет иметь вид чистой "пилы" как в случае дросселя однообмоточного. И такая форма тока может сильно не понравиться PFC-контроллеру. Поэтому коэффициент трансформации нужно выбирать как можно меньший, но достаточный для быстрой разрядки снабберной индуктивности. Во всех схемах с 2х-обмоточным дросселем, приведенных выше, напряжение на вторичной обмотке используется для ускорения сброса тока снабберной индуктивности. Попутно повышается коэффициент передачи по напряжению, но в нашем случае это не актуально.

В сухом остатке получаем отсутствие кем-либо разработанной топологии с 2х-обмоточным дросселем, регенеративным снаббером и учетом описанных выше требований. Во всяком случае мне такие публикации найти не удалось. По этой причине пришлось "сконструировать" собственный вариант силовой части из различных опубликованных, в основном из [1], [6] и [9] . Этот вариант показан в виде модели в МС-12 на следующем рисунке 11.

Рис. 11. Авторский вариант силовой части с регенеративным снаббером и 2х-обмоточным дросселем.
Рис. 11. Авторский вариант силовой части с регенеративным снаббером и 2х-обмоточным дросселем.

Краткие пояснения по модели. Индуктивности Lm и L5 - это обмотки дросселя, L1 - снабберная индуктивность "на включение" транзистора. L8 - дополнительная снабберная резонансная индуктивность, Ls1, Ls2 - индуктивности рассеивания, приведенные к первичной и вторичной обмоткам. Компаратор Х16 обеспечивает ограничение тока транзистора и потребляемого тока от сети в соответствие с внутренней логикой UC3854. Компаратор Х17 формирует гарантированный импульс RESET, из которого одновибратором U21, U22 по спаду импульса RESET формируется импульс SET. Элементы L7, L6, C23, C18 представляют собой ВЧ-фильтр. Зависимый от времени резистор R49 выполняет роль зарядного резистора и внутреннего сопротивления питающей сети.

В первоначальном варианте отсутствовала индуктивность L8, которая в целом не является обязательной. Индуктивность L1 выбирается минимально достаточной с точки зрения минимизации мгновенной мощности потерь при включении транзистора и запасаемое в L1 энергии. Но ситуация осложняется тем, что при включении транзистора разряд заряженной до напряжения на нагрузке емкости С1 происходит по цепи С1 - D2 - C2 - L5 - L1 - X18, а ток разряда определяется напряжением нагрузки, которое можно считать равным 390В, и характеристическим сопротивлением резонансного контура, образованного L1 и последовательно соединенными С1 и С2. То есть, во-первых, нельзя независимо выбрать L1 и установить оптимальный ток разрядки С1, во-вторых при оптимальной L1 ток разряда С1 получается слишком большим.

При L1 2 мкГн получаем большой по амплитуде ток разряда С1. Для решения этой проблемы была добавлена индуктивность L8, с помощью которой можно "добрать" нужное количество микроГенри для того, чтобы получить подходящий ток разряда С1. Здесь, правда, есть еще одно условие: время разряда С1 не должно превышать время паузы, то есть (1-Dmax)*Tsw, где в нашем случае Tsw=40 кГц (коммутационная частота), а Dmax=0,9 - максимальный допустимый коэффициент заполнения импульсов затвора. таким образом, время разряда С1 равное половине периода собственных колебаний контура С1,С2,L1,L8 должен быть меньше 0,1*25 мкСек=2,5 мкСек.

Аналогичное условие и для L1: за время меньше 2,5 мкСек L1 должна освободиться от тока в ней. Время сброса тока зависит от тока ключа (мощности преобразователя), напряжения питания, коэффициента трансформации дросселя, коэффициента заполнения и индуктивности L1. В результате моделирования были выбраны следующие параметры: L1=2 мкГн, коэффициент трансформации n=w2/w1=0,167 (w1:w2=6). Коэффициент трансформации выбирается минимально достаточный. В результате необходимости учета всех перечисленных условий пришлось понизить рабочую частоту ККМ до 40 кГц.

На рис. 12 показаны "осциллограммы", иллюстрирующие работу представленного ККМ в следующей последовательности: включение питания - плавная зарядка выходного конденсатора Со - включение схемы управления на холостом ходе - подключение минимального сопротивления нагрузки 30 Ом - выход на режим при максимуме выходной мощности - сброс нагрузки до холостого хода.

Рис. 12. Диаграммы, иллюстрирующие работу предложенной силовой части.
Рис. 12. Диаграммы, иллюстрирующие работу предложенной силовой части.

Можно заметить, что на холостом ходе схема управления не держит выходное напряжение на заданном уровне. На модели это легко преодолеваемо, но не имеет особого смысла. Решать эту проблему придется уже на реальном устройстве.

На следующем рис. 13 показаны "осциллограммы" более подробно: несколько рабочих тактов.

Рис. 13. Верхняя область рисунка: ток "коллектор - эмиттер" ключа Х18 и ток буст-диода Df. Средняя область: импульсы управления затвором, мгновенная мощность на коллекторе и потребляемый дросселем ток от источника питания I(Lm). Нижняя область: потребляемый ККМ ток от первичной сети после фильтра и напряжения сети.
Рис. 13. Верхняя область рисунка: ток "коллектор - эмиттер" ключа Х18 и ток буст-диода Df. Средняя область: импульсы управления затвором, мгновенная мощность на коллекторе и потребляемый дросселем ток от источника питания I(Lm). Нижняя область: потребляемый ККМ ток от первичной сети после фильтра и напряжения сети.

Таким образом, можно считать, что топология силовой части и регенеративного снаббера определена. В предыдущих частях автор ориентировался на двухфазный вариант силовой части, но после проработки этого вопроса стало ясно, что ККМ на 5 кВт возможно реализовать и в рамках однофазного решения, силовая элементная база позволяет.

В следующей части планируется представить электрическую схему силовой части с расчетом номиналов всех в нее входящих элементов.

P.S.: в статье [11] представлен обзор схемотехники различных повышающих преобразователей.

Литература.

1. M. Nakamura et al. Performance Evaluations on Soft-Switching Boost Power Converter with a Single Auxiliary Passive Resonant Snubber. 2001 IEEE 32nd Annual Power Electronics Specialists Conference (IEEE Cat. No.01CH37230). DOI: 10.1109/PESC.2001.954259

2. P. Hemachander et al. Analysis Design and Implementation of Soft Single. International Journal of Computer Applications 26(11), 2011. DOI:10.5120/3163-3206.

3. K. Singh et al. A NOVEL TOPOLOGY FOR THE ENHANCEMENT OF SEPIC CONVERTER USING SNUBBER CIRCUIT. International Journal of Advances in Engineering & Technology, Feb., 2018. Vol. 11, Issue 1, pp. 35-45. ISSN: 22311963.

4. Doo-Yong Jung et al. Interleaved Soft-Switching Boost Converter for Photovoltaic Power-Generation System. IEEE TRANSACTIONS ON POWER ELECTRONICS, VOL. 26, NO. 4, APRIL 2011.

5. Кастров М.Ю., Лукин А.В., Малышков Г.М. Транзит энергии коммутационных потерь в нагрузку. https://www.mmp-irbis.ru/content/journal1/Tranzit1.pdf.

6. US Patent № 7161331 B2. Boost converter utilizing bi-directional magnetic energy transfer of coupled inductor. 2007.

7. Kyu-Min Cho et al. A Continuous Current Mode Boost Converter With Modified Flying Capacitor Lossless Snubber. 2010 IEEE Energy Conversion Congress and Exposition. 12-16 September 2010. DOI: 10.1109/ECCE.2010.5618205.

8. Ho-Sung Kim et al. A boost PFC rectifier with a passive lossless snubber circuit using coupled inductors methods. 2012 Twenty-Seventh Annual IEEE Applied Power Electronics Conference and Exposition (APEC). DOI: 10.1109/APEC.2012.6165963.

9. Jeong-il Kang et al. Lossless Snubber with Minimum Voltage Stress for Continuous Current Mode Tapped-Inductor Boost Converters for High Step-up Applications. Journal of Power Electronics, Vol. 14, No. 4, pp. 621-631, July 2014. DOI: 10.6113/JPE.2014.14.4.621.

10. Mohammad Reza Mohammadi et al. Soft-Switching Bidirectional Buck/Boost Converter With a Lossless Passive Snubber. IEEE TRANSACTIONS ON INDUSTRIAL ELECTRONICS, VOL. 67, NO. 10, OCTOBER 2020.

11. F. L. Tofoli et al. Survey on non-isolated high-voltage step-up dc–dc topologies based on the boost converter. IET Power Electron., 2015, Vol. 8, Iss. 10, pp. 2044–2057.