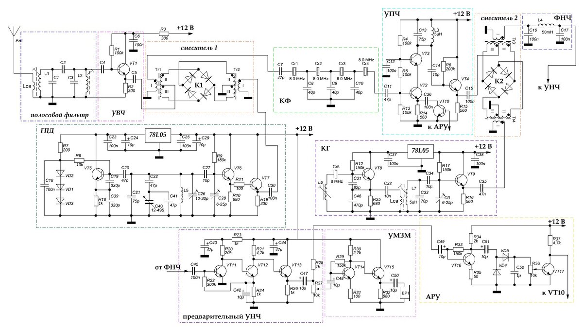
В этой статье - о схеме приемника. На первый взгляд она не такая уж простая, но, с другой стороны, очень простые схемы не только не дают достаточного качества, но и весьма капризны в наладке. Поэтому я постарался облегчить налаживание за счет усложнения схемы. Думаю, что для наладки можно будет обойтись одним мультиметром.
Вся схема разделена на блоки, которые можно делать и налаживать по отдельности. Некоторые блоки можно объединить: УВЧ, первый смеситель, кварцевый фильтр, УПЧ, второй смеситель и ФНЧ можно выполнить на одной плате. А вот гетеродины лучше сделать в виде отдельный блоков. Также можно объединить предварительный УНЧ, УМЗЧ и формирователь сигнала АРУ.
Работу входного фильтра и эмиттерного повторителя я уже разбирал в предыдущей статье. От эмиттерного повторителя сигнал подается на кольцевой балансный смеситель.
Схема смесителя проста и не требует никакой наладки, при этом хорошо подавляя на выходе промежуточной частоты (IF) сигнал гетеродина (LO) и входной сигнал (fc). Единственное требование - это как можно более симметричный монтаж, хотя на частоте 14 МГц это не имеет решающего значения.
В некоторых схемах меняют местами входы и выходы смесителя, я решил пойти путем Эрика Рэда, взяв порядок подключения к смесителю из его книг.
Самым сложным и ответственным узлом приемника является генератор плавного диапазона (ГПД).
В ГПД большое значение стабилизация режима транзистора генератора (VT5). В моей схеме стабилизируется как напряжение на коллекторе транзистора с помощью интегрального стабилизатора 78L05, так и на его базе с помощью стабилизатора на включенных в прямом направлении диодов.
Генератор собран по схеме емкостной трехточки, перестройка его частоты осуществляется с помощью конденсатора переменной емкости от старого советского радиоприемника 12-495 пФ в диапазоне 6,0 - 6,4 МГц. Если у вас другой КПЕ, то нужно будет подобрать емкость конденсаторов С22 и С41.
Чтобы иметь на выходе ГПД синусоидальный сигнал, он отбирается от колебательного контура через конденсатор малой емкости С27 и подается на вход составного эмиттерного повторителя на VT6 и VT7, который усиливает его по мощности. С помощью подстроечного конденсатора С26 устанавливают амплитуду сигнала около 1,5 - 2 В (необходимая амплитуда зависит от применяемых диодов).
Характеристика этого фильтра была приведена в моей статье. Но я сделаю похожий фильтр из других резонаторах.
УПЧ двухкаскадный, первый каскад - каскод ОЭ-ОБ, второй - эмиттерный повторитель.
Транзистор VT2 включен по схеме с ОЭ, а VT3 - по схеме с ОБ. Выходное сопротивление каскада с ОБ высокое, поэтому, чтобы не шунтировать контур L3C13, он нагружен на высокое входное сопротивление эмиттерного повторителя VT10. В цепь обратной связи по переменному току (R14,C36) включен транзистор VT10, который играет роль переменного резистора. При высоком напряжении на его базе он открывается, его сопротивление мало, глубина ООС по переменному току тоже мала, и усиление каскада максимально. Если на базе VT10 напряжение менее 0,6 В, то он закрыт, его сопротивление велико, как и глубина ООС, усиление его минимально.
Второй смеситель аналогичен первому, на него подается сигнал ПЧ и сигнал от кварцевого генератора, а с выхода снимается сигнал низкой частоты.
Кварцевый генератор, как и ГПД, собран по схеме емкостной трехточки. Его частота стабилизирована кварцевым резонатором, поэтому нет необходимости такой же жесткой стабилизации. как в ГПД. Форма сигнала на эмиттере VT8 отличается от синусоиды, поэтому он проходит через резонансный контур L7C33, откуда через С34 поступает на эмиттерный повторитель Схема похожа на ГПД, установка уровня сигнала на выходе проводится подстроечным конденсатором С0. С помощью катушки L6 частота генератора устанавливается на нижнем скате АЧХ кварцевого фильтра.
С выхода второго смесителя НЧ-сигнал проходит через П-образный ФНЧ с частотой среза 3,5-4 кГц, как а В.Т. Полякова. По его же схеме собран и предварительный усилитель.
Это стандартная "двойка" с непосредственной связью между транзисторами и глубокой ООС по постоянному току через R22. К "двойке" я пристроил эмиттерный повторитель, чтобы полностью реализовать усиление второго каскада. Резистор R23 и конденсатор С43 образуют дополнительную развязку по питанию и предотвращают самовозбуждение.
С выхода эмиттерного повторителя сигнал идет на регулятор громкости и на вход усилителя системы АРУ.
Усилитель мощности звуковой частоты (УМЗЧ) двухкаскадный. Первый каскад на VT14 - усилитель напряжения, его коэффициент усиления определяется соотношением эмиттерного и коллекторного резисторов, т.е. примерно Кус = R30/R31. Эмиттерный повторитель на VT15 является усилителем тока, на его выходе включены наушники.
Формирователь сигнала АРУ состоит из усилителя на VT16, выпрямителя по схеме удвоения на VD4, VD5. Емкость С52 определяет скорость реагирования АРУ, а положение движка R36 - уровень срабатывания АРУ. На транзисторе VT17 собран усилитель постоянного тока с выхода которого напряжение подается на базу регулирующего транзистора.
Вот такая схема. Будем делать.
Всем здоровья и успехов!
