Добавить в корзинуПозвонить
Найти в Дзене

АЛГОРИТМ ГЕЛИОТЕПЛОВЫХ ПРОЦЕССОВ В КОМПОЗИЦИОННЫХ СТРОИТЕЛЬНЫХ МАТЕРИАЛАХ.

Алиназаров Алишер Хайдаралиевич профессор, Хайдаров Шерзод Эргашалиевич старший преподаватель, Дадамирзаев Отабек cтудент. Наманганский инженерно-строительный институт (НамИСИ) https://doi.org/10.5281/zenodo.8060587 Принял: 19.06.2023 Crossref DOI: 10.24412/cl-37059-2023-06-77-87 УДК: 620.22 Аннотация: Показана математическая модель нестационарных полей температуры в многокомпонентных строительных материалах. Разработана алгоритм гелиотепловых процессов в композиционных строительных материалах. Исследована температурное поле с учётом солнечной радиации. Ключевые слова: строительные материалы, моделирование, тепловая обработка, источник тепла, гидратации, излучения, солнечная радиация, зол цементные материалы, теплоперенос, луче поглощения, тепловыделение, термообработки. Abstract: A mathematical model of non-stationary temperature fields in multicomponent building materials is shown. An algorithm for solar thermal processes in composite building materials has been developed. The temper

Алиназаров Алишер Хайдаралиевич

профессор,

Хайдаров Шерзод Эргашалиевич

старший преподаватель,

Дадамирзаев Отабек

cтудент.

Наманганский инженерно-строительный институт (НамИСИ)

https://doi.org/10.5281/zenodo.8060587

Принял: 19.06.2023

Crossref DOI: 10.24412/cl-37059-2023-06-77-87

УДК: 620.22

Аннотация: Показана математическая модель нестационарных полей температуры в многокомпонентных строительных материалах. Разработана алгоритм гелиотепловых процессов в композиционных строительных материалах. Исследована температурное поле с учётом солнечной радиации.

Ключевые слова: строительные материалы, моделирование, тепловая обработка, источник тепла, гидратации, излучения, солнечная радиация, зол цементные материалы, теплоперенос, луче поглощения, тепловыделение, термообработки.

Abstract: A mathematical model of non-stationary temperature fields in multicomponent building materials is shown. An algorithm for solar thermal processes in composite building materials has been developed. The temperature field was studied taking into account solar radiation.

Key words: building materials, modeling, heat treatment, heat source, hydration, radiation, solar radiation, ash-cement materials, heat transfer, radiation absorption, heat release, heat treatment.

ВВЕДЕНИЕ.

Анализ используемого в практике производства многокомпонентных цементных материалов теплового воздействия на структурообразующую среду показал, что оно требует усовершенствования, так как одни и те же режимы тепловой обработки применяются без достаточного обоснования для различных материалов, учета их отдельных компонентов, гелиоформ, массивности. К неучтенным параметрам можно отнести такие, как динамика тепловосприятия материала в различные периоды теплового воздействия, влияние химически активных добавок на кинетику тепловыделения, его способность аккумулировать теплоту, обусловленной малой теплопроводностью и большой удельной теплоемкостью, и способностью выделять тепло при гидратации вяжущего (микроструктуры), а также учет солнечной радиации при твердении вяжущих материалов и изделий (макроструктуры) [1. стр. 100].

ОСНОВНАЯ ЧАСТЬ.

При разработке оптимальных режимов тепломассопереноса с учетом солнечной радиации с целью интенсификации твердения многокомпонентных цементных материалов, наряду с задачей обеспечения высокого качества изделий, существенным является прогнозирование энергетически обоснованных условий технологического процесса при экономически оптимальном расходе энергетических ресурсов. [2. стр. 55]

Поэтому, при разработке режимов теплового воздействия на многокомпонентные цементные материалы необходимо создавать такие температурные режимы и технологические приемы, которые обеспечивали бы оптимальное тепловыделение и эффективное его использование при структурообразовании (твердении) с учетом солнечной радиации.

Одним из способов исследования температурных полей в многокомпонентных цементных материалах при тепло влажностной обработке и проверки ее эффективности является математическое моделирование процесса тепловой обработки [3. стр. 93]. Допустим, что температурный режим обогреваемой среды задается зависимостью t(0, r) = Y( ), которая чаще всего описывает широко распространённый в практике режим постепенного, с заданной скоростью набора в камере температуры от первоначальной t0 до максимальной tmax. Далее, изотермическая выдержка изделия при температуре tmax, а затем понижение температуры среды. Большой интерес представляют первые две фазы: подъем температуры и изотермическая выдержка изделия. Установим, что поля температур в изделии описываются уравнением теплопроводности:

(1)

где - коэффициент температуропроводности;

- объемный источник тепла.

Краевые условия для уравнения (1) принимают вид ( )

(2)

(3)

(4)

, (5)

где - половина толщины изделия (плиты);

- переменный во времени коэффициент теплоотдачи от среды к поверхности бетона;

t0 - температура среды; координата Х = 0 соответствует поверхности изделия.

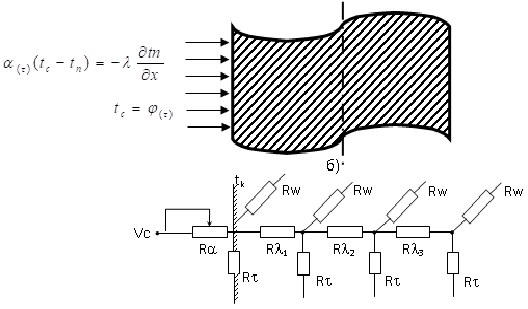
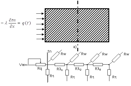
Граничные условия (3) отражают линейный подъем температуры среды до tм, а затем поддержание ее на этом уровне; граничное условие (4) характеризует теплообмен между средой и поверхностью изделия по закону Ньютона; условия (5) является условием симметрии поля температуры относительно середины изделия. Задачу (1)-(5) можно с достаточной для практики точностью решать с помощью средств электромоделирования на сетках Либманна в одномерном случае [4. стр. 19]. Приведём вывод схемы замещения для уравнения (1), которое запишем в конечных разностях:

(6)

где ; n* - соответствует моменту времени, рассчитанному по методу равных тепловыделений.

Начальное распределение температуры по толщине структурообразующего золоцементного изделия равно t0. В начальный момент времени оно помещается в среду с температурой tС> t0, которая поддерживается постоянной на протяжении всего процесса нагревания [5. стр. 50].

Умножая почленно (6) на величину элементарного объема и производя некоторые преобразования, получим:

(7)

Индексы 0, 1 и 2 относят соответствующую величину в узлах 0, 1 и 2 к интервалам 0-1, 0-2, т.е. к h0-1, h0-2, a0-1, a0-2.

Уравнение электрических токов по закону Кирхгофа для сопротивлений, сходящихся в узел 0, имеет вид:

(8)

Для аналогии, между уравнениями (6), (7) и уравнением (8) величины омических сопротивлений параметры - r - цепочки и ra1, ra2, r r, r должны удовлетворять следующим соотношениям:

(9)

В случае задания граничных условий III ряда (4), r - цепочка не изменяется: в поверхностный узел 1 подключается еще один резистор ra, моделирующий термическое сопротивление I/ теплоотдачи от среды к поверхности изделия. При этом

(10)

Если на границе раздела среда - поверхность изделия задана плотности теплового потока q = q (0, r), тогда в поверхностный узел 1 вместо ra подключается переменный резистор, сопротивление которого подбирается в соответствии с q (0, r)

(11)

В приведённых зависимостях rN= rЭ/ rТ (Ом Вт\0С); К - масштаб перехода от температур к напряжениям, град, %; максимальное электрическое напряжение; V0 - напряжение в узле r - цепочки.

Метод Либманна для решения нестационарной задачи на r сетках реализует неявную конечно-разностную схему. Последовательность шагов по определению нестационарного теплового поля на r - сетке следующая. На концы сопротивлений (в узлы r - цепочки) подаются напряжения, соответствующие температуре поверхности в (n-1)-й момент времени при задании граничных условий 1-го рода; на конец сопротивления ra подается напряжение, соответствующее температуре среды в n-й момент времени при задании граничного условия 3-го рода; на конец сопротивления rq (граничное условие 2-го рода) и С - подается максимальное напряжение VM. Численно VM = 100 % рабочего напряжения интегратора (10, 15 и 20 В) и если q и - источники, на конце rq и r подаётся 100%, напряжения в модели устанавливается в пределах 0-10% [6,7].

Величины ra , r , rq и r зависят от значений а , , q и в n-й момент времени, поэтому при решении задачи организуется интеграционный процесс. Затем в узлах r - цепочки измеряются напряжения, соответствующие температурам в n-й момент; кроме того, рассчитывается момент времени n* по методу равных тепловыделений. Напряжения, полученные в n-й момент в узлах, подаются с помощью делителей напряжения на концах r . На концы ra и поверхностные узлы r- цепочки подается, соответственно, напряжение, отвечающее температурам среды и поверхности в (n ... 1) - й момент времени. Поскольку в (n ... 1)-й момент продолжают действовать источники тепла, то подключается rq и r (когда наступает изотермическое выдерживание rq = , т. е. этот резистор отключается). В узлах r - цепочки снимаются напряжения, соответствующие температурам в (n ... 1) - й момент времени и т.д. Поскольку решение дискретно в пространстве и во времени, то перед каждым новым шагом в величины сопротивлений можно внести поправки, учитывающие зависимости коэффициентов уравнения (1) от координат, времени и температуры, граничных условий (тепловые потоки, коэффициенты теплоотдачи) и источников тепла, переменность теплофизических характеристик многокомпонентных цементных материалов поли структурного строения [8,9,10].

Конечно, значения всех величин для n-го момента времени определяются по температурам в (n-1)-й момент. Если температура в n-й момент резко отличается от температуры в (n-1)-й и данная величина отличается от принятой по предыдущей температуры более чем на 7-10%, то следует произвести следующие приближения на данном шаге.

Предложенный метод математического моделирования нестационарных полей температуры в многокомпонентных цементных материалах и изделиях на их основе позволяет решать и так называемую псевдообработанную задачу теплопроводности, по заданной температуре в изделии определить необходимую мощность источника теплоты (комбинированной солнечной установки) или плотность теплового потока от ее поверхности. Действительно, зная распределение температуры в изделии (в том числе и на его поверхности), полученной при реализации неявной конечно - разностной схемы для уравнения (1) при граничном условии III-го рода на r- цепочке (схема а), можно, заменив переменный резистор ra на переменный резистор rq, моделирующий плотность теплового потока (закон Фурье), на каждом временном шаге подбирать величину сопротивления rq так, чтобы сохранялась заданная температура поверхности изделия. В этом случае прогнозная плотность теплового потока от поверхности в глубь изделия будет определяться по формуле

(12)

На рис. 1 и рис. 2 приведены некоторые результаты, полученные с применением метода моделирования.

-2

Рис. 1. Схемы обогрева изделия при граничном условии II-рода (a) и III- го рода (б), а также соответствующие им моделирующие R- цепочки сопротивлений.

Исследование температурных полей в многокомпонентных цементных материалах при тепловой обработке велось также на основе решения следующего уравнения:

+ (13)

где - Kf - коэффициент гелиоформы золоцементного изделия полиструктурного строения; - коэффициент лучепоглощения изделия из золоцементного материала при 80% -ном наполнении золой, 5 % извести и 0,30% добавки МПД1.

-3
-4

Рис. 2. Динамика расчетной тепловой нагрузки qп и прогнозных температур на поверхности (1) и по середине (2) изделия.

Таким образом, на основе принципов системного анализа разработано математическое описание тепловых процессов и предложен метод математического моделирования нестационарных полей температуры в многокомпонентных цементных материалах и изделиях из них.

СПИСОК ИСПОЛЬЗОВАННОЙ ЛИТЕРАТУРЫ:

1. А.Х.Алиназаров. «Энергоэффективная теплотехнология получения золоцементных композиционных материалов» Монография, Москва: Русайнс, 2019.-166 стр.

2. А.Х.Алиназаров. «Энерго- и ресурсосбергаюшая технология получения строительных материалов и изделий методом гелиотеплохимической обработки» Монография, Москва: Русайнс, 2017.стр. 118.

3. Kh A. A. Atamov AA Khaidarov Sh. E., Mathematical modeling of heliothermal processes in physico-chemical interaction with liquid media //EPRA International Journal of Multidisciplinary Research. – 2021. – №. 7-5. – С. 200-208.

4. Алиназаров А. Х., Хайдаров Ш. Э., Хатамова Д. М. Технологические особенности использования угольной золы как эффективное решение экологической проблемы //Молодой ученый. – 2014. – №. 8. – С. 366-369.

5. Alinazarov. A.Kh. Mukhiddinov D.N. Solar Thermochemical Treatment of Ash-Cement Compositions. Applied Solar Energy. Vol. 35, No. 4. Allerton Press, Inc. /New York. 1999. pp. 13-19.

6. Алиназаров А. Х., Мамаджонов М., Хайдаров Ш. Э. Влияние солнечной радиации при интенсификации твердение золоцементных строительных материалов //Международный научный журнал научное периодическое издание «Соgnitio Rerum» Россия. – 2017. – С. 10-12.

7. Алиназаров А. Х., Мамаджонов М. М., Хайдаров Ш. Э. МЕТОДИКА РАСЧЁТА НЕСТАЦИОНАРНЫХ ПОЛЕЙ ТЕМПЕРАТУРЫ С УЧЁТОМ ЛУЧЕПОГЛАЩЕНИЯ В ИЗДЕЛИЯХ ИЗ КОМПОЗИЦИОННЫХ СТРОИТЕЛЬНЫХ МАТЕРИАЛОВ //Science Time. – 2017. – №. 6 (42). – С. 75-82.

8. Алиназаров А., Атамов А., Хайдаров Ш. Гелиотеплохимическое воздействие с учётом экзотермии в многокомпонентных цементных материалах //Annali d’Italia. – 2021. – №. 17-1. – С. 55-59.

9. Алиназаров А. Х., Атамов А. А., Хайдаров Ш. Э. Методика решения изменения мощности внутреннего источника тепла с учетом солнечной радиации в многокомпонентных цементных материалах //The scientific heritage. – 2021. – №. 62-1. – С. 49-52.

10. Алиназаров А. Х., Атамов А. А., Хайдаров Ш. Э. РЕГУЛИРОВАНИЯ ТЕПЛОФИЗИЧЕСКИМИ СВОЙСТВАМИ МНОГОКОМПОНЕНТНЫХ СТРОИТЕЛЬНЫХ МАТЕРИАЛОВ //НАУЧНЫЙ ЭЛЕКТРОННЫЙ ЖУРНАЛ «АКАДЕМИЧЕСКАЯ ПУБЛИЦИСТИКА. – 2020. – С. 84.

11. Алиназаров А. Х., Хайдаров Ш. Э. Энергоэффективная теплотехнология получения золоцементных композиционных материалов //Central Asian Journal of Theoretical and Applied Science. – 2022. – Т. 3. – №. 12. – С. 229-234.

12. Алиназаров А. Х. и др. Методика Решения Изменения Экзотермии С Учетом Солнечной Радиации В Многокомпонентных Цементных Материалах //Central Asian Journal of Theoretical and Applied Science. – 2022. – Т. 3. – №. 10. – С. 1-9.

13. Alinazarov A. K., Khaydarov S. E., Axatov D. N. Utilization of Coal Ash for the Production of Building Materials as an Effective Solution to the Environmental Problem //Central Asian Journal of Theoretical and Applied Science. – 2022. – Т. 3. – №. 12. – С. 178-187.

14. Алиназаров А. Х., Атамов А. А., Хайдаров Ш. Э. МОЩНОСТЬ ВНУТРЕННЕГО ИСТОЧНИКА ТЕПЛА С УЧЕТОМ СОЛНЕЧНОЙ РАДИАЦИИ В МНОГОКОМПОНЕНТНЫХ ЦЕМЕНТНЫХ МАТЕРИАЛАХ НА БАЗЕ ОТХОДОВ ТЕПЛОВЫХ ЭЛЕКТРОСТАНЦИЙ. – 2021.

15. Alinazarov A. K., Atamov A. A., Mukhiddinov D. N. Hydrophysical properties of ash-cement compositions and their effect on solar thermal chemical treatment //Applied solar energy. – 2001. – Т. 37. – №. 1. – С. 44-48.

16. Алиназаров А. Х., Каюмов Д. А., Жалолдинов А. А. Исследование эксплуатационных свойств золоцементных материалов с модифицированно-пластифицирующими добавками полифункционального действия //Экономика и социум. – 2020. – №. 3 (70). – С. 183-187.

17. Alinazarov A. K., Mazhidov N. N. Solar Plants and Their Application-Mathematical Modeling of Thermal Processes in the Heliothermochemical Treatment of Fine-Grained Polystructural Composite Products //Applied Solar Energy. – 2001. – Т. 37. – №. 2. – С. 18-20.

18. Алиназаров А. Х., Мажидов Н. Н., Жураев Х. А. МЕТОДИКА ИССЛЕДОВАНИЯ ПО ОПТИМИЗАЦИИ РЕЖИМОВ ГЕЛИОТЕПЛОХИМИЧЕСКОЙ ОБРАБОТКИ ДЛЯ ВЫСОКОНАПОЛНЕННЫХ ЗОЛОЦЕМЕНТНЫХ КОМПОЗИЦИЙ //Академическая публицистика. – 2017. – №. 5. – С. 8-15.

19. Алиназаров А. X., Гулямов А. Г. Принципы управления параметрами теплоносителя и оптимизация режимов тепловой обработки в гелиотехнологических установках //Альтернативная энергетика и экология. – 2005. – №. 8. – С. 40-42.

20. Alinazarov A. K., Alinazarova M. A., Gulyamov A. G. Control over the thermal properties of fine composite materials in solar thermochemical treatment //Applied solar energy. – 2002. – Т. 38. – №. 3. – С. 75-77.

21. Алиназаров А. Х., Гулямов А. Г. Формирование свойств золоцементных композиций полиструктурного строения //Гелиотехника. – 2003. – №. 1. – С. 86.

22. Алиназаров А. Х., Гулямов А. Г. Свойства золоцементных композиций при механохимической активации //Проблемы механики. – 2002. – №. 5. – С. 48.

23. Alinazarov A. K., Mazhidov N. N. Mathematical modeling of thermal processes in the heliothermochemical treatment of fine-grained polystructural composite products //Applied solar energy. – 2001. – Т. 37. – №. 2. – С. 18-20.

24. Alinazarov A. K., Mukhiddinov D. N. Solar thermochemical treatment of ash-cement compositions //Applied solar energy. – 1999. – Т. 35. – №. 4. – С. 13-19.

25. Алиназаров А. Х. Математическое моделирование тепловых процессов в композициях, твердеющих при физико-химическом взаимодействии с жидкими средами //Межвуз. сб. науч. тр. ТашГТУ. – 1997. – №. 4. – С. 3-8.